Good evening guys, in the earth resistivity logger the eeprom works properly in the epe magnetometer neither of the two eeproms works properly, is the connection wrong? Can anyone tell me the answer
Announcement
Collapse
No announcement yet.
Announcement
Collapse
No announcement yet.
Epe pic magnetometer
Collapse
X
-
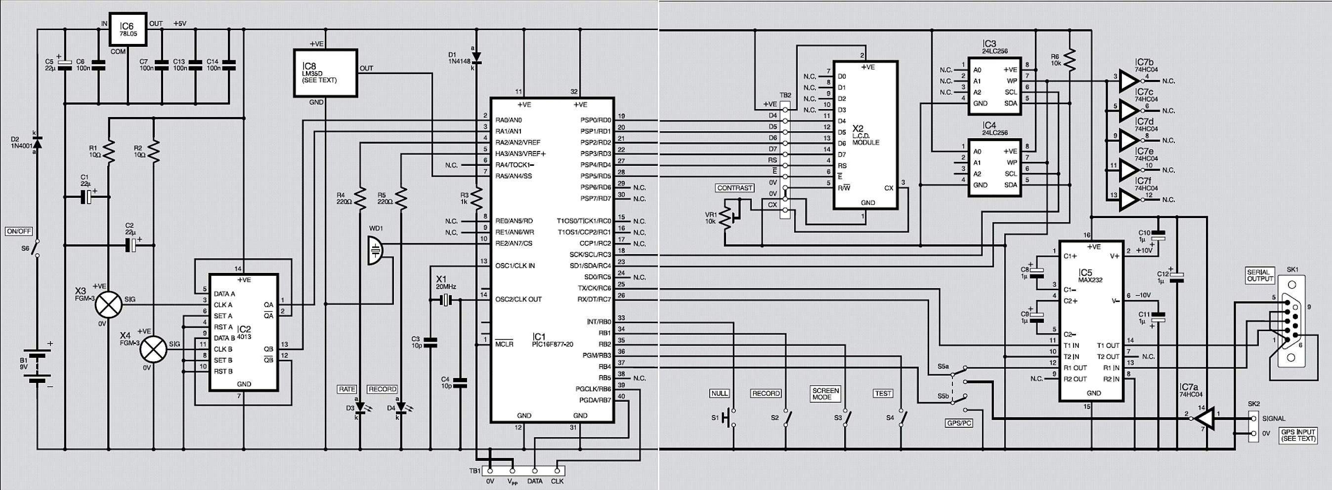
No mistake. It is wire jumper. Correct.Originally posted by Omerta 1312 View PostGood evening, is the connection I have in the photo correct? Why does it not show <2 eeproms chips>? Is there a mistake in the circuit?
[ATTACH]53627[/ATTACH]
Also R6 is 10k resistor.
Don't you have schematic?
Comment
-
Hi LETO, May i have a full files copy of EPE magnetometer?
In advance, many thanks.EMAIL :[email protected]
Comment
-
We see numerous requests for information like this, where a new member asks for full details to be sent to their email address, and it is often the only post they ever make. This is highly unlikely to elicit a response.Originally posted by iotservice View PostHi LETO, May i have a full files copy of EPE magnetometer?
In advance, many thanks.EMAIL :[email protected]
You should initially try using the search feature to find the details you require.
Comment
-
Using the search function to search for "EPE Magnetometer" -> https://www.geotech1.com/forums/sear...earchid=689973Originally posted by iotservice View Postthanks for the quick reply, before sending the message, I searched with the `` search '' function but I also followed the discussion and in addition to the image file of the assembly plan I did not find program code or even schematic and instructions on sensors
The first item in the list has 72 attachments (click on the paperclip).
Scanning down the list I see the John Becker article and several examples of hex code. Is this what you're looking for?
Also, try here -> https://www.geotech1.com/cgi-bin/pag...e=projects.dat
Comment
-
Comment

Comment