Announcement

Collapse
No announcement yet.

Announcement

Collapse
No announcement yet.

Tesoro Eldorado on the bench

Collapse
X
 
  • Filter
  • Time
  • Show
Clear All
new posts

  • Originally posted by aft_72005 View Post
    Thanking so much .
    Best regards.
    I am not sure, but PM2 reminds me mostly on Tesoro Vaquero. So this should be first lead for you. Yes, there is some strange chip there? At device i inspected once , chip designator was scratched so i was not able to see which chip was that. I still dont know any details. I had chance to see and skimly test only one Vaquero so far. Try to conntact Sean Goddard, i guess he can help you.
    Cheers!

    Last edited by Qiaozhi; 12-11-2010, 08:58 AM. Reason: Removed advertising

    Comment


    • Originally posted by ivconic View Post
      A slice shallower than TGSL, maybe 5%. Discrimination excellent. Audio very loud and good. Stabillity perfect. Very good nonmotion mode. Manual GEB.
      What to say? Very good detector.

      Hi Ivconic !!!

      I have built this detector.
      I have two problems:

      1) It works only in All-metal and Autotune.
      Sensibility is about 20cm for 2 Euro.
      In Disc mode it sounds always therefore it is unusable.
      I have checked pcb, schematic, etc. without found a way for solve this problem.
      I have seen that also other people has the same problem therefore schematic or some components value are incorrect.
      Please, can you help to discover which one?

      2) It is not possible to place the coils in mirror.
      I must put the left coil upper of about 1 cm of right coil, with the bottom part more opened the top part, for tune the coils in a way that work.
      But I can not fit these coils inside a standard plastic container.
      I think and I am sure that you (and others guru of this forum) are using a different way for nulling coil.
      The multimeter in mV position is only a minimal part.

      Best regards,
      Maverick

      Comment


      • Anybody still here?

        If anyone is still tuned in here I need some guidance. I too have built this machine but the disc side does nothing. All metal works great.
        I am using a factory coil and have tryed both the wide scan and concentric.
        No sound at all from the disc mode. And yes I am aware it is a motion detector.
        One thing that still puzzles me is the goofy switch drawing. It just looks funny so I am not sure my switch wirements are correct. So let me just ask.......
        When in the disc mode is the static All metal channel disconnected? I have been assuming it is. Looks that way.
        Another idea?? Can the fets be hooked up either direction in this circuit?? Will any fet work? inotherwords will some fets cause the disc mode to remain silent when a good target is presented??
        Thanks in advance gents, TB

        Comment


        • hello turtlebowl

          how did you connect the factory coils to your pcb (shematic or photo) it seems there are least two ways to connect
          one - you connect shield to gnd of pcb
          another- you connect shield with one connector on pcb for coil
          best make a photo and explain or paint description in photo
          factory coil for mine is on the way to me maybe i can compare it with you this weekend

          Comment


          • TB,
            I believe the source an drain should be interchangeable on those FETS. I also think that the non-motion mode is disconnected when you are using motion based discriminate mode. Do you have an oscilloscope to check some signals? I'm curious if you can see the changing DC signals at the outputs of those LM358s in the bottom 2 channels of the schematic. You should be able to wave a coin and see a shifting DC level at pins 1 and 7 of the LM358s and then also at the output of the next stage where Ivconic used TL082. Can you tell me if you see anything there? Are the DC levels shifting in the same or opposite directions as you move the coin in front of the coil?

            Merc

            Comment


            • Originally posted by bernte_one View Post
              hello turtlebowl

              how did you connect the factory coils to your pcb (shematic or photo) it seems there are least two ways to connect
              one - you connect shield to gnd of pcb
              another- you connect shield with one connector on pcb for coil
              best make a photo and explain or paint description in photo
              factory coil for mine is on the way to me maybe i can compare it with you this weekend
              Thanks for your interest in helping out bro. I am unclear on your meaning though. Do both methods go directly to PCB ground?
              Gladly love to see how your coil works out for you when you get it....keep us posted.
              My shield wire goes directly from the female connector to ground. as well as the metal chassis. This is the center pin on the factory coils and jacks/plugs.

              Comment


              • Lo' behold, an angel has appeared

                Originally posted by Merc View Post
                TB,
                I believe the source an drain should be interchangeable on those FETS. I also think that the non-motion mode is disconnected when you are using motion based discriminate mode. Do you have an oscilloscope to check some signals? I'm curious if you can see the changing DC signals at the outputs of those LM358s in the bottom 2 channels of the schematic. You should be able to wave a coin and see a shifting DC level at pins 1 and 7 of the LM358s and then also at the output of the next stage where Ivconic used TL082. Can you tell me if you see anything there? Are the DC levels shifting in the same or opposite directions as you move the coin in front of the coil?

                Merc
                Your a lifesaver Merc. Thanks for appearing.
                Thanks for the answers on the fets and the switch. That answers those possibilities in my mind.
                There is both a small positive and negative bounce/pulse on each of the outputs of the 358 when targets are presented. The outputs of the TLO82 in the next stage of both channels display a -6vdc signal at all times. Is this normal?? Those outputs also react about .25v as targets are presented.
                Looking forward to all help. TB

                Comment


                • YAHOO! Got it.

                  Hey, got it! Thanks for pointing in to the right area Merc. When I saw the constant 6vdc at the outputs of last filter stage it didn't seem right. Sooooo..... after alittle sluthing was able to determine that the copper trace to pins 3 and 5 (ground) was not solid. I had seen some tint spots on several other traces of the board but thought they were just resin splatter. Turns out it was pitted traces from the etching process I used.
                  My lesson learned was to by good thick Cu laminate. I bought this clad board stock from a local surplus electronics wholesaler. It is junk and evaporates if too much heat is used while working.
                  Anyways it all works now and I am happy.
                  IVCONIC....thanks for providing another good project.
                  Everyone else thanks for helping to develope the project to it's present status and providing support and encouragement to all. What a fabulous community here at Geotech. I really need to get my butt over here more often and participate more actively.
                  I have still to fine tune this baby and choose a coil to use. May even try my hand at building a coil for it when I get my table cleared a bit more.
                  Heck I don't even have an enclosure or rod assembly for this one build yet.
                  Merc was that you that used a Serpac A31 enclosure. How did it hold up?? Looks nice for a $10 enclosure and they have them locally here in Portland.
                  Phil

                  Comment


                  • Glad to hear you have it working.

                    Yes it was me using the A-31 case. It has worked out pretty well. It was one of the few I could readily find with a 9V battery compartment and near the right size. The front panel is a little crowded for a detector needing 4 knobs and 2 switches. I was concerned that the lack of metallic shielding would lead to interference problems, but that hasn't been the case.

                    Merc

                    Comment


                    • Serpac makes a Mode A42 that is 2" longer. (5Wx7Lx1.6High), would this be approaching to un-weildly? Also this is a 12V battery. Would this battery pack be adaptable to fit this enclosure? See Attachment.
                      It is a modifyed 4x1.5V battery pack I built to work on Tesoro and Compass MD's. It is of course 12V in a 6v package.
                      Hey by the way I see you are in Tupalo. A fairly small city. Do you by any chance know Donna and Lee have the horse camp just outside of town?
                      Phil
                      Attached Files

                      Comment


                      • I don't believe your battery will fit in the battery compartment of that case. A 9V barely fits in the one that I have. With the battery connector, it is a very tight fit. I haven't been able to find cases with room for and 8 AA batteries. Not with a removable battery door anyway.

                        Sorry, I'm not really into horses so I don't know them.

                        Merc

                        Comment


                        • Originally posted by simonbaker View Post
                          Just don't ever change Ivconic because you are one of great soul and spirit and fun of this website, good heart always comes through clear. Always good to hear your words.... Max too.

                          Cheers!

                          -SB
                          I second that Simon a very nice man

                          Comment




                          • Can you try this version ... I highly recommend ... Developed by Polish designer and successfully duplicated many times ... Only TGSL can with this version of paradise to compete, but only the 7809 Power ...



                            Best regards !

                            Comment


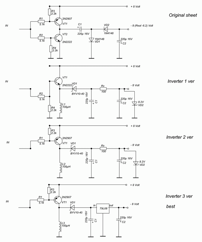
                            • Hi!

                              How to select best mod for negative voltage of original Eldorado sheet?

                              I like ver 3 !!

                              are you?
                              Attached Files

                              Comment


                              • Hi all, my English is not good but I try.


                                I started reading these forums and I decided on the gold
                                I went to the electronics store and buy the materials list, here where I live it's easy to find material but not cheap and the list grew ever
                                larger and obsession made ​​me build the circuit in one night and half a day ok


                                I had no problems with the board of Cu I did with big drill
                                I will post some pictures


                                The situation is that I have reviewed ivconic diagram and everything is done as it is, when the circuit energized tone is heard only very small,
                                just switch on the option of "normal" not heard "disc" not heard "all metal" .
                                I put a 8 ohm speaker believes someone is right?


                                I'm so excited, I will not stop posting here until it works., because I want it for my house prospecting

                                could someone please help me ..... thanks greetings


                                Click image for larger version

Name:	PIC-00001.jpg
Views:	1
Size:	430.3 KB
ID:	333983
                                Click image for larger version

Name:	PIC-00003.jpg
Views:	1
Size:	381.0 KB
ID:	333984
                                Click image for larger version

Name:	PIC-00001.jpg
Views:	1
Size:	415.1 KB
ID:	333985
                                Click image for larger version

Name:	PIC-00002.jpg
Views:	1
Size:	626.3 KB
ID:	333986
                                Last edited by juankarlosnv; 11-13-2012, 04:20 AM. Reason: brands

                                Comment

                                Working...
                                X