Is there any way to rotate a posted image?
Announcement
Collapse
No announcement yet.
Announcement
Collapse
No announcement yet.
chance pi build
Collapse
X
-
JPEG of 2 STAGE AMP direct heat transfer PC board masks
Attached below is a PDF of the scanned artwork mask for iron-on heat transfer to a .8" X 1.0" double sided PC board. When completed this will result in a direct plug in 2 stage amp for the CHANCE PI detector. The larger images in the PDF can be sized to 3.2"X4.0" and can be printed at 25% to yield the 0.8" X 1.0" size.
2stageampmasks.pdf
Dan
Comment
-
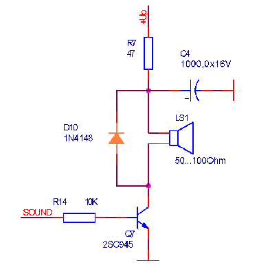
Originally posted by Borisimo View PostChance PI D10 Value.
Can anyone tell me the value for D10 on the latest Chance PI boards. It does not appear to be on the Schematic or in the parts list.
Cheers.
From Andy's site it is a 4148
Attached Files
Comment
-
Originally posted by Borisimo View PostCheers 6666,
Thanks for the rapid response. Is the Andy f site considered the best and most up to date 'build and test documentation' for this project?
Thanks.
I believe so, but there probably has been more discussion about it on the russian forums but you would have to go searching.
Comment
-
Sorry, I have been off the thread for about two weeks. This thread has all the information for the mods I have made to the original CHANCE PI. Specifically the mods are as follows:
L1 toroid choke to handle higher current
Replacement of the 390 ohm damping resistor with proper damping for a specific coil.
Audio output transformer to isolate board from chassis ground and allow grounded headphones
Explanation of the functions of the 1.2.1 firmware
Build and installation of a 2 stage amp (instructions in progress)
Amp Offset adjustment for best input at the A to D.
Increased clocking from 11.0592 to 14.318 MHz to allow 7us sampling.
The original build is covered by the Russian site as previously mentioned.
Regards,
Dan
Comment

Comment