Originally posted by mickstv
View Post
Announcement
Collapse
No announcement yet.
Announcement
Collapse
No announcement yet.
Serbian pi Gold-Skan
Collapse
X
-
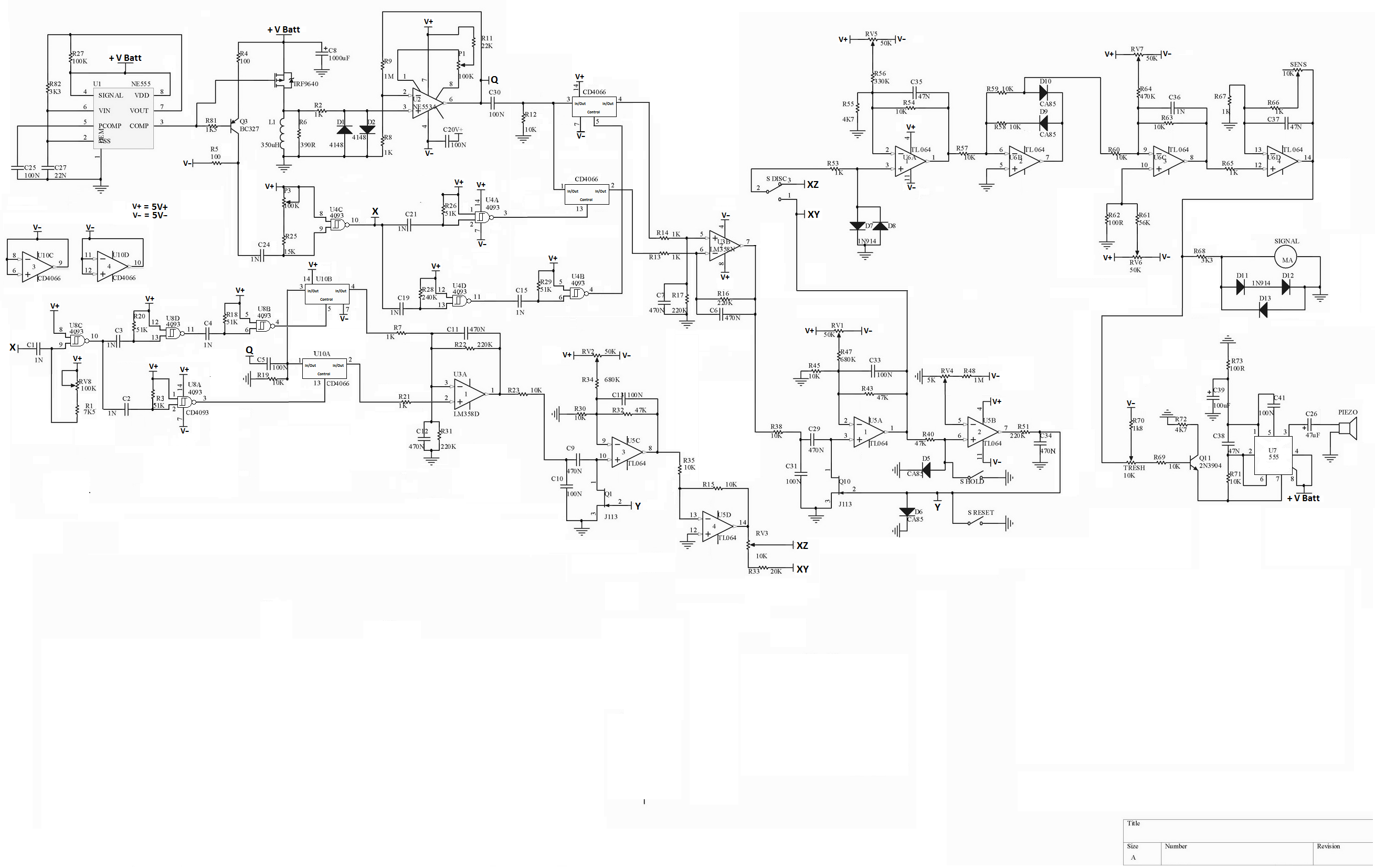
that hibrid 3 ,2 etc !I can tell you that better working than goldskan 4 than because I after completing gs 6 bought original gs 4 and can compare them .will post scheme of power tile etc!Originally posted by greylourie View PostI remember the videos on youtube, but now I can not find them.
They have been deleted. Were the videos, "Hibrid 2 pulse technology", and "Hibrid 3. pulse technology" = your videos ? It would be very interesting to see the power supply circuit. Thankyou.
Comment
-
It would be nice to see your power supply.Originally posted by Orbit View Postthat hibrid 3 ,2 etc !I can tell you that better working than goldskan 4 than because I after completing gs 6 bought original gs 4 and can compare them .will post scheme of power tile etc!
Why are the videos not found on youtube, anymore ? I checked today, and they have gone/disappeared.
Comment
-
Is that your videos ? Maybe I can help you to find them. I will send you in p.m.Originally posted by Orbit View Postdeleted are a year ago !
If those were from YOUR youtube account, I can email them to you. Then you can post them here in this thread.
Comment

Comment