Announcement

Collapse
No announcement yet.

Announcement

Collapse
No announcement yet.

GOLDSCAN 5 SCHEMATIC QUESTION

Collapse
X
 
  • Filter
  • Time
  • Show
Clear All
new posts

  • orbit do you know how whites got the audio threshold so stable in the TDI sl version even at max sens setting ???

    Comment


    • Originally posted by daverave View Post
      i have modified two of my detectors to work down to 8 uS and work fine on the dry sand but on the wet sand too much chatter and thats why i wondered if a bi polar coil drive would eliminate the chatter at low delays...so is it only on inland field sites that the bi polar coil system will eliminate the ferrous ground effect ???
      If you're lucky you may be able to set the sample delay between 10us and 15us, but in general (for wet sand) it is normal to use a 15us sample delay.
      What you're referring to for inland sites is called viscous remanence magnetization (VRM). Carl should be able to give you a more detailed explanation on this.

      Comment


      • Originally posted by daverave View Post
        orbit do you know how whites got the audio threshold so stable in the TDI sl version even at max sens setting ???

        Yes I know but I think it's TDI still a commercial device , although there are some other ways that the threshold of the tone be silky without ipon effect,I do it on my analog detector , moreover it can make even less noise than the original TDI SL..

        Comment


        • Originally posted by daverave View Post
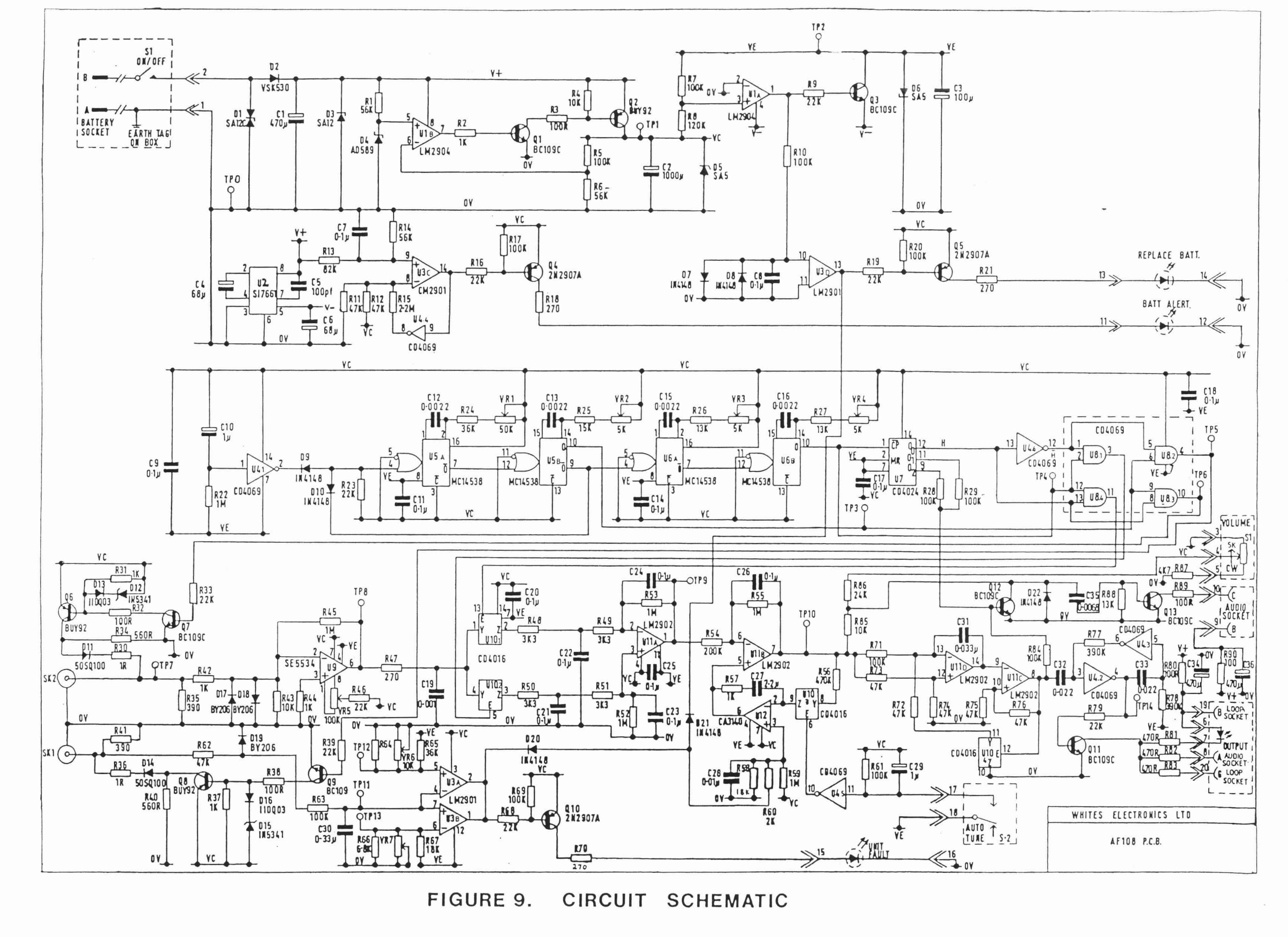
          Hello Qiaozhi....when you say a bi polar coil drive minimizes the problem of magnetizig the ground so does that work the same for wet sand and does that allow the use of lower delays without chatter on the wet sand...also does anyone have a diagram of a bi polar coil drive that can be used for any pulse detector.
          There was some work done on this BP design
          https://www.geotech1.com/forums/show...ighlight=af108
          https://www.geotech1.com/forums/show...ighlight=af108
          Attached Files

          Comment


          • someone told me the whites tdi sl has a fake threshold that gives a more stable threshold

            Comment


            • on youtube some claim they can use a delay of say 7 uS on wet sand using the fisher AQ which has a bi polar coil drive from what i see...so im a bit confused

              Comment


              • Originally posted by daverave View Post
                on youtube some claim they can use a delay of say 7 uS on wet sand using the fisher AQ which has a bi polar coil drive from what i see...so im a bit confused
                Bipolar pulsing can only ignore signals which have the same polarity during both positive and negative cycles. The signal from wet salty sand changes polarity during each pulse.

                I think I've found the youtube video you're referring to. On the front panel of the Fisher AQ there is a control marked "Reject" which is labelled from 1 to 12, and I notice that the default setting is 6. I suspect these numbers do not refer to the actual main sample delay.

                Comment


                • Hello Qiaozhi....its just all confusing as i asked someone on youtube who was using a fisher AQ about the 7 uS delay setting and they told me they could use the 7 uS setting on wet sand without chatter but they said in the surf if the coil is swept in the waves then the detector will chatter

                  Comment


                  • Originally posted by daverave View Post
                    Hello Qiaozhi....its just all confusing as i asked someone on youtube who was using a fisher AQ about the 7 uS delay setting and they told me they could use the 7 uS setting on wet sand without chatter but they said in the surf if the coil is swept in the waves then the detector will chatter
                    There's nothing on the front panel that indicates micro-seconds.
                    Attached Files

                    Comment


                    • Perhaps the user manual can shed light, although I'm skeptical about any manual making reference to "microseconds" when dealing with devices meant for public consumption.

                      Comment


                      • Originally posted by daverave View Post
                        someone told me the whites tdi sl has a fake threshold that gives a more stable threshold
                        No it's not a fake threshold , the threshold is real!

                        Comment


                        • Originally posted by Qiaozhi View Post
                          There's nothing on the front panel that indicates micro-seconds.
                          https://www.geotech1.com/forums/atta...7&d=1606133374

                          Wondering if pot(lower right)isn't labeled in micro seconds

                          Comment


                          • In the sale brochure it claims "as low as 7us". I recall the designer stating that careful construction of the coil and digital processing allowed for short delays in wet salt. Also the AQ is not bipolar, Tartar said he has one in the works. Carl could clear all this up.

                            First post in the link has a sales brochure

                            https://www.detectorprospector.com/f...l-information/

                            Comment


                            • Originally posted by daverave View Post
                              someone told me the whites tdi sl has a fake threshold that gives a more stable threshold
                              No, the threshold is real. I think the improved stability was largely due to a better layout and more attention to detail. The Impulse AQ is even better than the SL, again largely for the same reasons.

                              Originally posted by daverave View Post
                              on youtube some claim they can use a delay of say 7 uS on wet sand using the fisher AQ which has a bi polar coil drive from what i see...so im a bit confused
                              The AQ is not bipolar.

                              Originally posted by daverave View Post
                              Hello Qiaozhi....its just all confusing as i asked someone on youtube who was using a fisher AQ about the 7 uS delay setting and they told me they could use the 7 uS setting on wet sand without chatter but they said in the surf if the coil is swept in the waves then the detector will chatter
                              I have also used the AQ in wet salt sand at 7us. It takes a lot of care in how you swing the coil. In the surf I got some noise but I could still hunt through it, although 8-8.5us was a better setting.

                              Originally posted by Qiaozhi View Post
                              There's nothing on the front panel that indicates micro-seconds.
                              The pulse delay (7-11.5) is in microseconds. The iron reject is just an arbitrary range, is is akin to the GB control on a TDI but used in a slightly different way.

                              Comment


                              • Well there you have it, clear as a midsummer day.

                                Comment

                                Working...
                                X