Originally posted by green
View Post
Announcement
Collapse
No announcement yet.
Announcement
Collapse
No announcement yet.
IB Rx coil at Tx off
Collapse
X
-
Thanks for posting the sim. From what Zed stated his low R and C values generate more heat than my higher value RC values. At some point I'll try a comparison of the two models in my circuit. The zeds version is faster acting and probably has less affect on the flyback period?
-
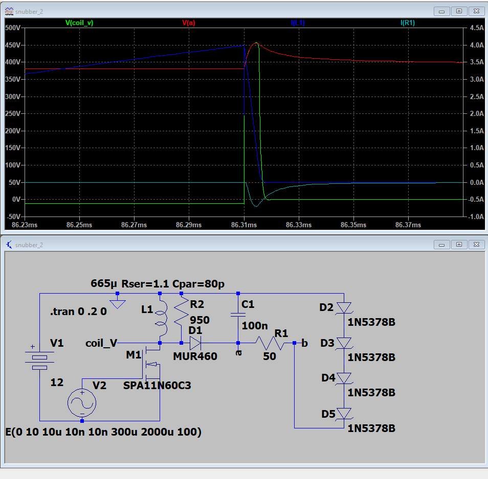
Simulation for my 30inch DD coil snubbed at 400V. 100nF capacitor looks alright.Attached Files
Comment
-
Green im a bit puzzled by the zener models that LTspice has supplied and that you are using,im using a different diode and avalanching it at 200v and i get a lot more current going through it,see my simAttached Files
Comment
-
I'm guessing you are asking about the glitch caused when coil Cpar is being charged.Originally posted by WM6 View PostHi green
Thanks for all your great efforts to visual presentation (simulations) of circuit events.
I do not understand part of your last simulation graph.
Can you explain a little bit, what happens to I(L1) on this graph section? Thanks.

Comment
-
R1 in my sim lowers the peak current through the Zener.Originally posted by ZED View PostGreen im a bit puzzled by the zener models that LTspice has supplied and that you are using,im using a different diode and avalanching it at 200v and i get a lot more current going through it,see my sim
Comment
-
Hadn't tried doing math with sim traces. An attempt to see where the power is being dissipated. Anyone see if I'm doing something wrong or missing something?Attached Files
Comment
-
Can get the average watts of the trace with spice. For https://www.geotech1.com/forums/atta...1&d=1593096171
Zener watts=1.95W
R2(R damping)=.578W
R1=.085W
sum=2.613W
Coil watts(calculated)=2.64W, close to the sum [Coil power(watts)at Tx off=peak current*peak current*coil inductance*Tx pps/2]
Comment
-
Calculated coil power for your sim. =3.24W. Got 2.63W for D3, changing C1 didn't have much effect on D3 power dissipation. Just playing, learning.Originally posted by ZED View PostGreen im a bit puzzled by the zener models that LTspice has supplied and that you are using,im using a different diode and avalanching it at 200v and i get a lot more current going through it,see my sim
Comment
-
For practice I did Zed's sim again
Power for Zed's sim. https://www.geotech1.com/forums/atta...7&d=1593069271
Coil power=3.24W
D3=2.28W
R1=.597W
R2=.4W
R3=.019W
D3 not the same as I got rely #85. Maybe I do need more practice.
Comment
-
Sweet ! & thanks green.
Im using a 1/4 what resistor for R2 (1206),think i might need to beef it up a bit if theres 0.4 watts of power going through it.
R1 is ok its two 1 watt 1k thin film melfs in parrellel
D3 is a 1watt diode...hmmm.
So would C1 be roughly 4.2 watts ?
Comment
-
I'm guessing C1 would be close to zero watts. Maybe a little do to ESR?Originally posted by ZED View PostSweet ! & thanks green.
Im using a 1/4 what resistor for R2 (1206),think i might need to beef it up a bit if theres 0.4 watts of power going through it.
R1 is ok its two 1 watt 1k thin film melfs in parrellel
D3 is a 1watt diode...hmmm.
So would C1 be roughly 4.2 watts ?
Comment
-
Don't forget voltage ratings, that's why I use higher wattage parts even if overkill. Higher wattage resistors tend to also have higher voltage rating. Less heat less noise.Originally posted by ZED View PostSweet ! & thanks green.
Im using a 1/4 what resistor for R2 (1206),think i might need to beef it up a bit if theres 0.4 watts of power going through it.
R1 is ok its two 1 watt 1k thin film melfs in parrellel
D3 is a 1watt diode...hmmm.
So would C1 be roughly 4.2 watts ?
Comment

Comment