Originally posted by Carl-NC
View Post
You understood perfectly what I wanted.
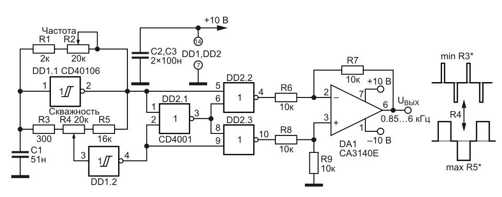
I thought it would be much easier, but programming isn't something I'm very comfortable with. I considered a solution like using an inverter circuit, AND gates, and a frequency divider circuit to achieve what I wanted. In short, something similar to the AF108 circuit. Thank you very much for your response.


Comment