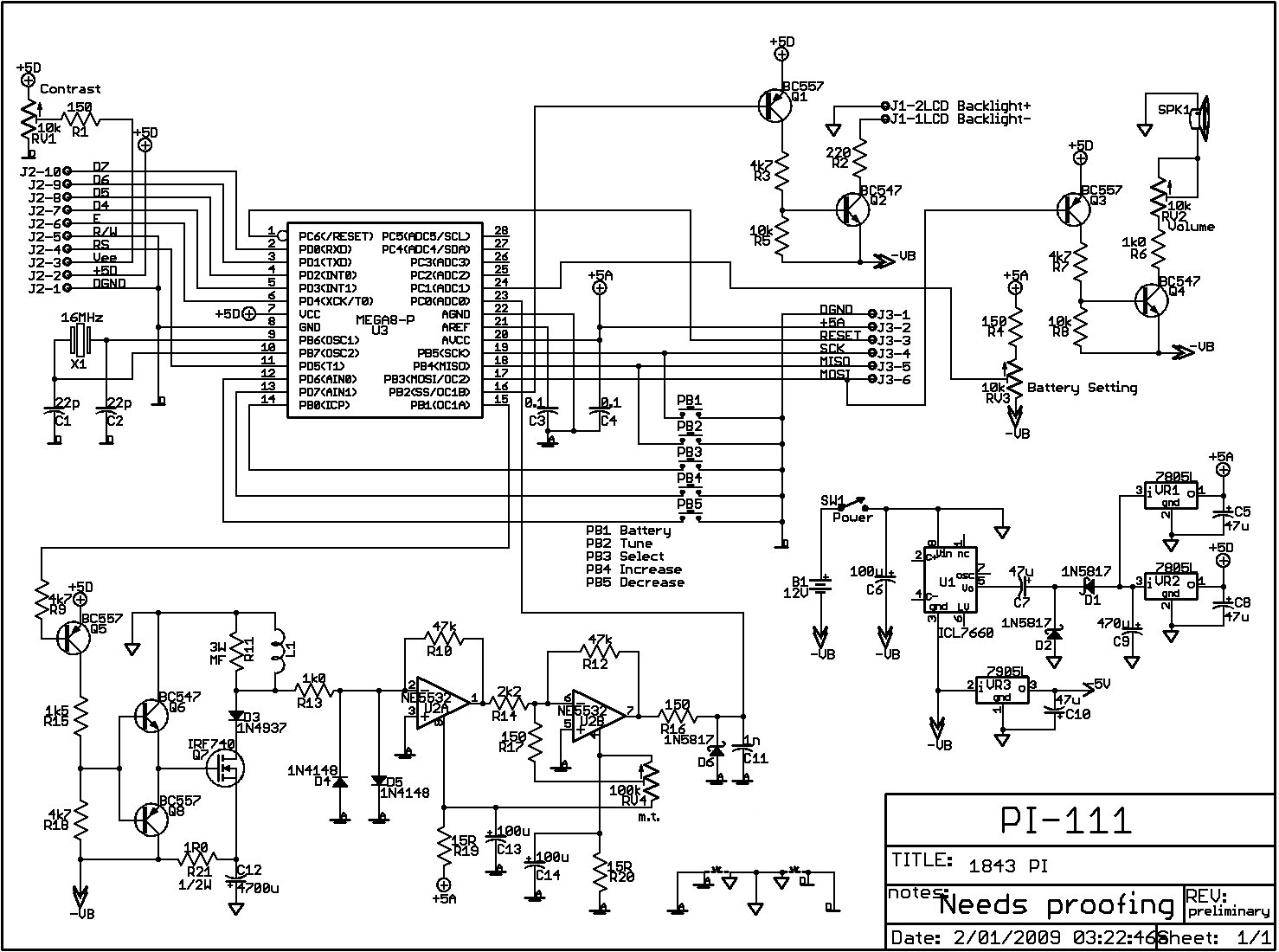
Hi ,
what about simulation of this schemetic. does it work ? what is the possible earliest sampling time after Tx-off order of micro's related pin.
Does it have chance of early sampling for discrimination experiments.?
and question to 1843 ,
what about big coil performance , do you have big coils like 8" or 18" diameter.
can you compare it with delta pulse.?
regards
Okantex
what about simulation of this schemetic. does it work ? what is the possible earliest sampling time after Tx-off order of micro's related pin.
Does it have chance of early sampling for discrimination experiments.?
and question to 1843 ,
what about big coil performance , do you have big coils like 8" or 18" diameter.
can you compare it with delta pulse.?
regards
Okantex



Comment