Has anyone built this machine?
Announcement
Collapse
No announcement yet.
Announcement
Collapse
No announcement yet.
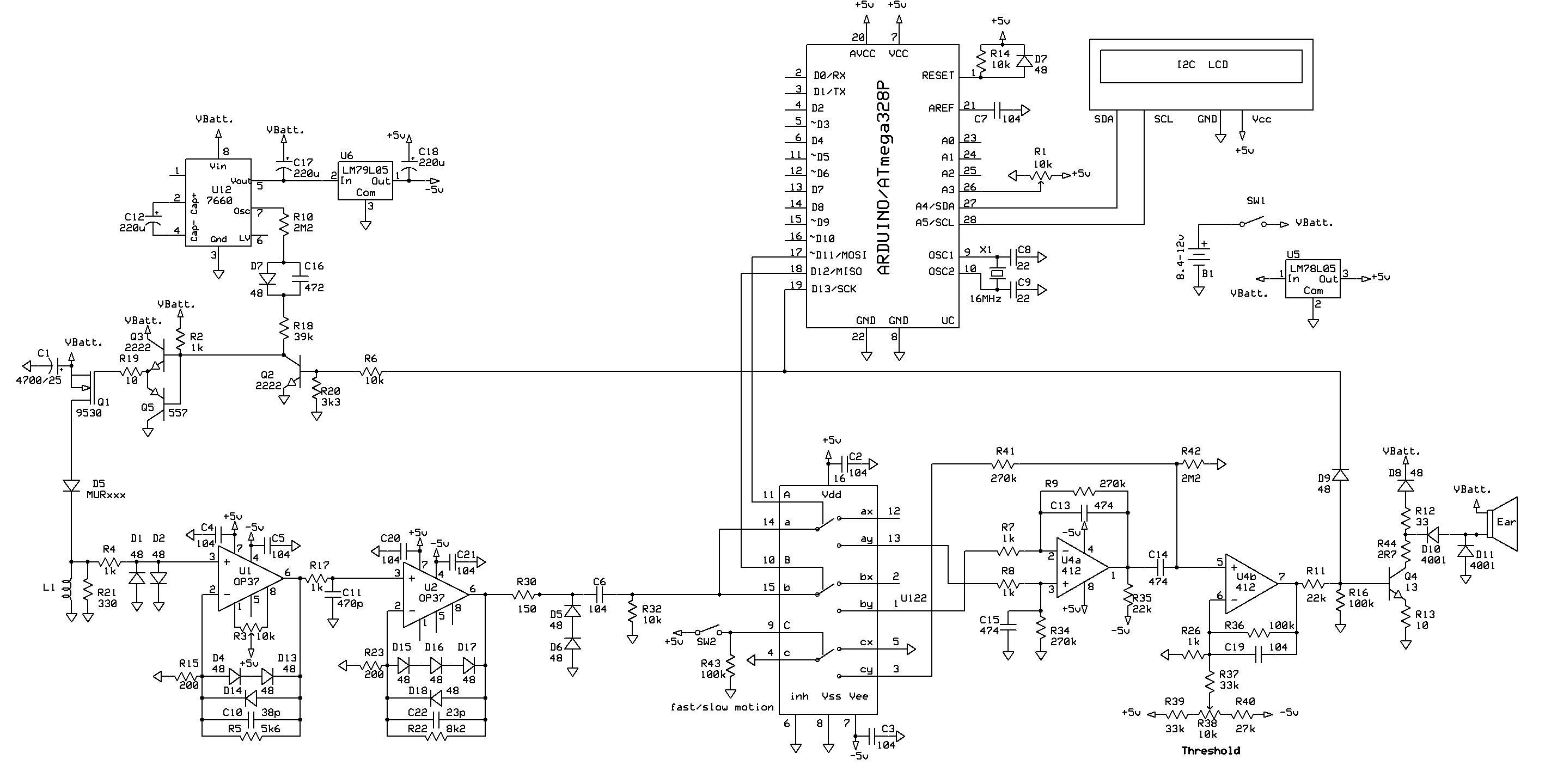
Signal synthesis for simple PI detector
Collapse
X
-
Thank you, I'm thinking about building it.
I want to make some changes, replace the old operational amplifiers with an MCP6022, so that I can use single power supply.
It will be helpful;
1. Number of turns in the coil
2. video, oscilloscope on pin 6 of U2 (at what distance from the coil are visible changes on the oscilloscope for coin ?)
There is an idea to add discrimination.
Comment
-
That pcb was scrapped, in the meantime I experimented with some things and I no longer have the pcb in its original form.
I have oscillograms, I can see from the date on the files that it was 2020.
It might be useful.
The first approach of the small pliers to the coil is at ~50cm and that's when changes occur.
The coil is 17-18cm in diameter, 0.38mH, about 2 ohms.
I initially made the coil for the FelezJoo PI and since then it has served me for various experiments in the workshop.
In the zipped file is the Sprint Layout of the pcb.
Comment
-
Later I made this, improved version.
I don't have video recorded.
Or maybe I have but I can't locate it on my backup disks... not sure.
It works alright!
These were rather "academic" attempts, step by step, to try everything in practice, before moving on to the next improvements.
I don't remember the details, I was doing a lot of different things at the same time and that's not good.
Losing focus. Then I put it aside with a plan to continue one day.
...
What you or someone else from the forum, with good will, could contribute to this thread; is to continue further, to add GEB and possibly later some kind of DISC...
I am planning it myself, sometime, when I have the conditions and focus.
I have no conditions at the moment, a very bad period for me.
Attached Files
Comment
-
A small note: I wrote the power supply 8.4-12v on the schematic, you should pay attention!
If a 7660 is used then the power supply should not exceed 10v.
In case of power supply of 12v and more; 1054 is the choice.
The 7660 will overheat and burn out.
Comment
-
How is that N type Fet symbol in the TX circuit working out for you ?Originally posted by ivconic View PostLater I made this, improved version.
I don't have video recorded.
Or maybe I have but I can't locate it on my backup disks... not sure.
It works alright!
These were rather "academic" attempts, step by step, to try everything in practice, before moving on to the next improvements.
I don't remember the details, I was doing a lot of different things at the same time and that's not good.
Losing focus. Then I put it aside with a plan to continue one day.
...
What you or someone else from the forum, with good will, could contribute to this thread; is to continue further, to add GEB and possibly later some kind of DISC...
I am planning it myself, sometime, when I have the conditions and focus.
I have no conditions at the moment, a very bad period for me.
Comment
-
discrimination, aluminium and Iron, oscilloscope directly on coil.
https://www.youtube.com/shorts/ZuQNmoRR8Vk
to add GEB and possibly = need more info, (I'm ok with IB VLF detectors , this is my first PI) , I trying to figure out what benefits this kind of detectors are giving, I thout that they are not sensitive to ground and they do not need coil shield.
it is does not look that those coils have a shield.
later some kind of DISC... = watch video
Comment
-
Only the truè insiders can spot and correct the intentional errors you plant in your schematics. They're made for the elite, the peasants is left with a dead board and scratching their heads. Devious!Originally posted by ivconic View PostOh yeah... I don't pay attention to those things... my fault! You noticed well!

FQP3P50
IRF9530
IRF9640
tested all 3 btw...
...
A neurotically meticulous hair-splitter...

Comment

Comment