@ Smity so I removed C18 (which was value 47 pf instead of 51pf, couldn't find 51pf) I added a jumper in its place and has reduced the mV to 156mV what else can I do ?
Announcement
Collapse
No announcement yet.
Announcement
Collapse
No announcement yet.
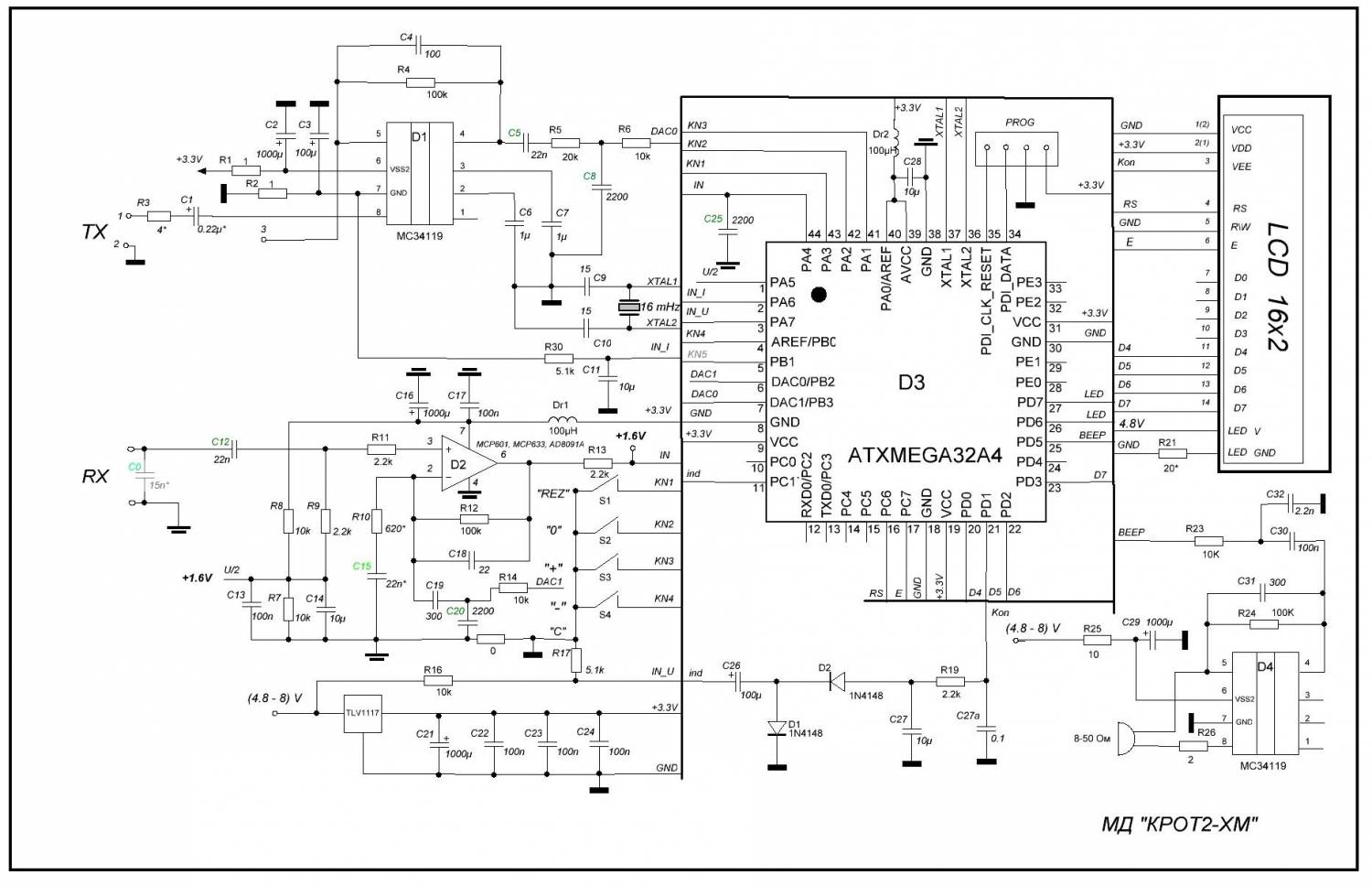
'KROT2-XM' (mole), new project Xmega32
Collapse
X
-
I'm on 200mv without coil. ... could i see some good HD photos of your boards ?? I'll get some up of mine tomorrowOriginally posted by timekiller View PostI think that mole is not critical to the components.
I have 3 completed , no need tantalum capacitor. 3-5 mv without coil is normal .All capactirs over 1 mkf are normal electrolytic in my mole - no bidirectional. Of course Tantalum and 0 mv is well.
Comment
-
In normal Mole 2 C18 - 22 pf , only in 3 frequency version C18 - 50 pf . Especially important C20 , C25 , C8 to be quality . R8 R7 is only volt divider , It is essential that there be a 1/2 of 3.3 v . R10 corect gain OA , It has a value of 600 om to 1.2 kom . For me 820 . The author recomend MCP633 and hi not use R11 .
Comment
-
Hi Everyone,
All is done now and i would like to know how to tune the whole detector.
I've finished the coil and plug it into my unit.
There are many tuning menus and i don't know how to start.
I don't want to fill my coil with epoxy before getting it working good.
i can see many tuning features :
TX frequency, coil balance, ferite, gain, etc ...and also the "mechanical coil balancing".
I have a 60MHZ oscilloscope.
Thanks
Comment
-
I advise you to turn on Google translator and read this article. http://www.radiodom.org/publ/pervye_...t_alxv/1-1-0-2
Comment

Comment