Announcement

Collapse
No announcement yet.

Announcement

Collapse
No announcement yet.

White 3900D

Collapse
X
 
  • Filter
  • Time
  • Show
Clear All
new posts

  • White 3900D

    I made white 3900 d and good works but disc not work

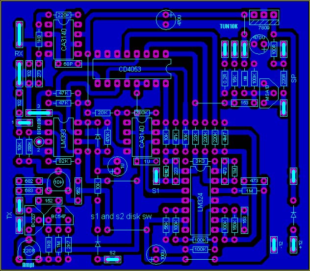
    I want post PCB to forum but can,t
    pleas help me
    thanks

  • #2
    Originally posted by sayan1345 View Post
    I made white 3900 d and good works but disc not work

    I want post PCB to forum but can,t
    pleas help me
    thanks
    TO POST IMAGE FILES OR PDF, CLICK ON "Go Advanced" and "manage attachments" then "browse" to the file and select and "upload" then Click "done" at bottom right corner.

    Comment


    • #3
      FOR ALL OTHER FILES YOU MUST FIRST PUT FILE IN .ZIP OR .RAR FORMAT. THEN DO AS ABOVE.

      Comment


      • #4
        thanks dbanner
        Attached Files

        Comment


        • #5
          What coil did you use? was it self made coil????

          Comment


          • #6
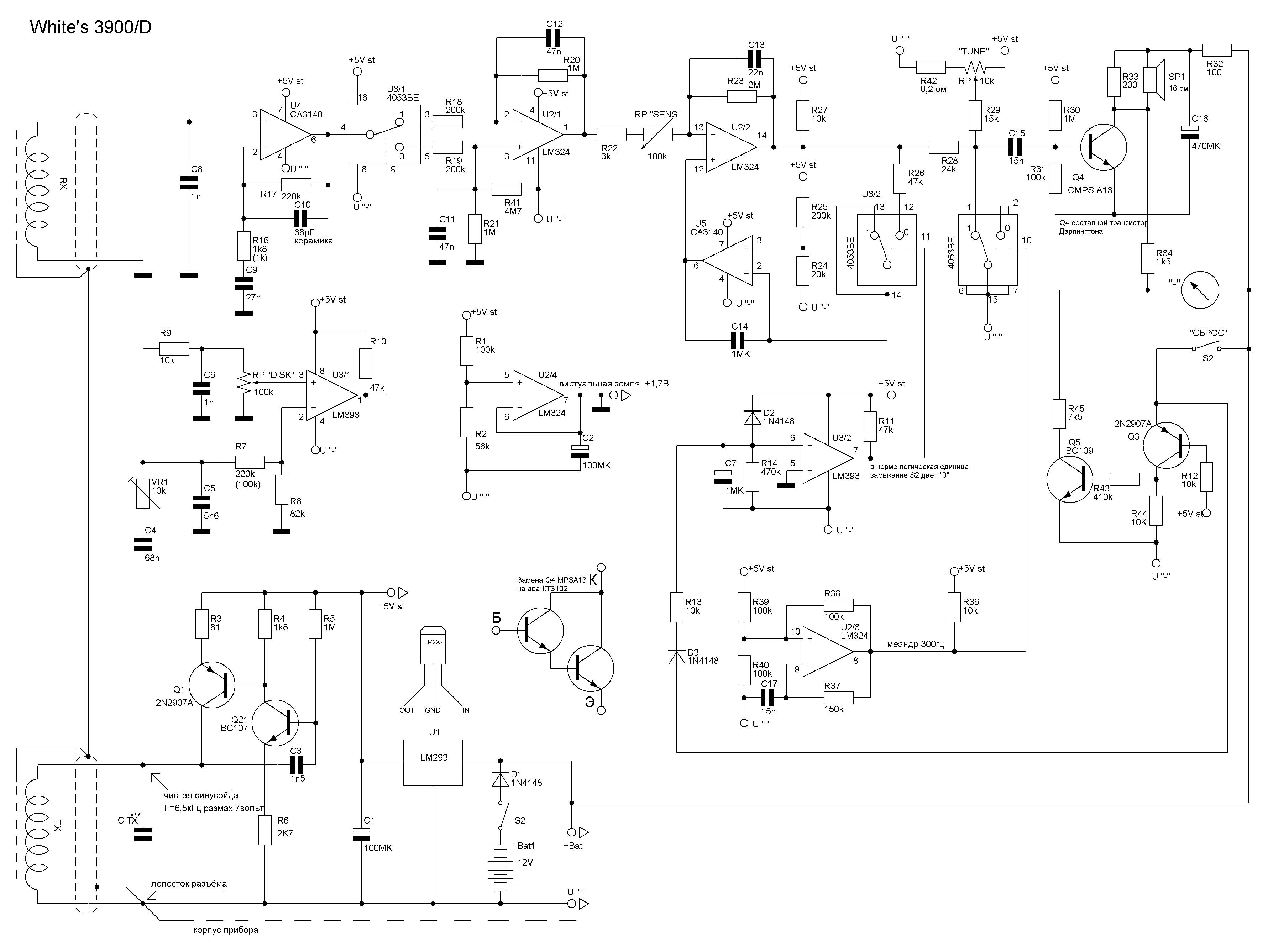
            Can you post some oscilloscope measurements? Let us see the output of the LM393 comparator that drives the CD4053.

            Comment


            • #7
              Discrim will not work with poorly constructed coil. You must replicate original 6B coil parameters, namely the inductances (Rx and Tx) with correct gauge wire, and resonant frequencies must be precise(including the null phase). Otherwise your phase shifter circuitry will be out of range and you will be gating the Rx sample at the wrong point.
              I am assuming that you have a gating pulse since your detector is working.

              Comment


              • #8
                Originally posted by dbanner View Post
                Discrim will not work with poorly constructed coil. You must replicate original 6B coil parameters, namely the inductances (Rx and Tx) with correct gauge wire, and resonant frequencies must be precise(including the null phase). Otherwise your phase shifter circuitry will be out of range and you will be gating the Rx sample at the wrong point.
                I am assuming that you have a gating pulse since your detector is working.
                Hello. Do you know the data of the original coil? Share the information with the person.

                Comment


                • #9
                  this circuit no motion detector
                  TX frequency 6.5 KHz
                  RX ?

                  Comment


                  • #10
                    I use hand made coil and works good
                    only disk not work
                    my en is very poor
                    pleas coil information of this circuitClick image for larger version

Name:	white 3900d2.jpg
Views:	1
Size:	132.2 KB
ID:	355472

                    Comment


                    • #11
                      I wonder, if C8 with 1 nF in RX circuit is the correct value? Because to get near resonance with TX 6,5 khz, you need 600 mH for RX coil.

                      Comment


                      • #12
                        Originally posted by blobber View Post
                        I wonder, if C8 with 1 nF in RX circuit is the correct value? Because to get near resonance with TX 6,5 khz, you need 600 mH for RX coil.

                        Bingo!
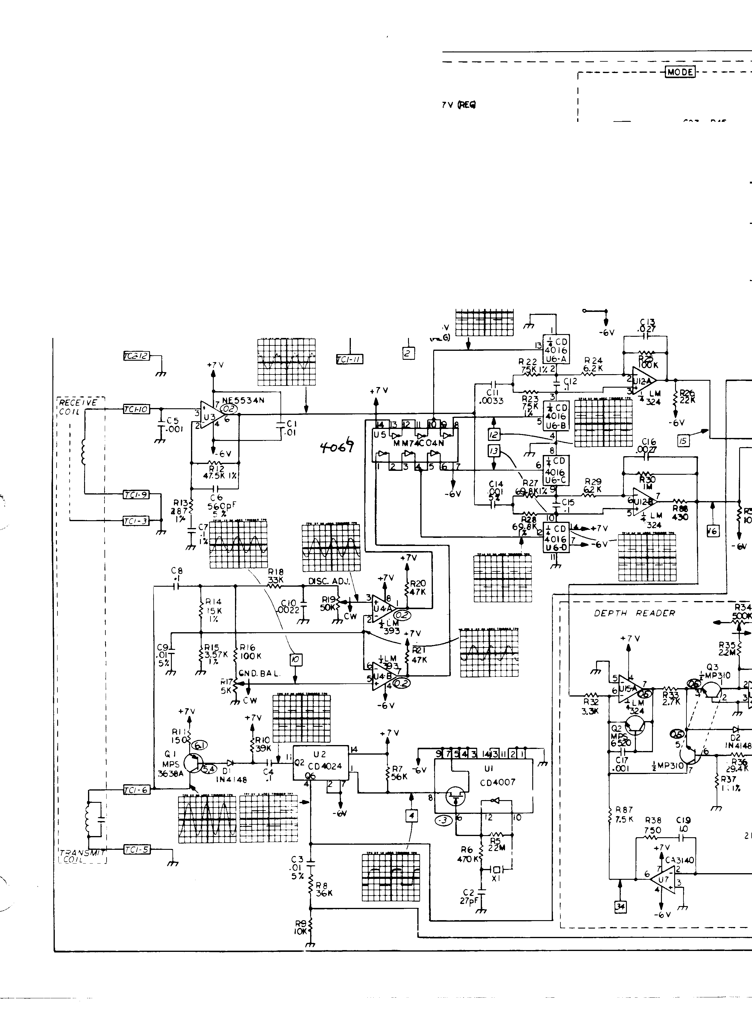
                        I don't know the parameters of the 6B coil, but interestingly the whites 6DB coinmaster metal detector uses the same "6B" coil.
                        The schematic for the 6DB shows two caps in parallel with Rx coil, a 2.2nF and a 22nF for a total of 24.7nF. This would be around what I would expect. I think the Rx resonant frequency is less than 6.5 kHz.
                        I'll do some more research.

                        Comment


                        • #13
                          All the schematics I have looked at are the same, 1nF for C8. Even a pic of the original PCB shows C8 and a similar size C6, which interestingly is also 1nF.
                          The part numbers are consitent with the schematic and both boards. I traced the Rx to C8 on the board in the pic, so it is correct. But I can't see the value of the capacitor.
                          Maybe the original 6B coil has a capacitor internally? But the 6DB schematic does not show this.
                          I cannot find any data on the 6B coil, but from the whites loop guide, it shows the 3900 uses the 6B coil.
                          Attached Files

                          Comment


                          • #14
                            Sayan1345, you must say what are your self made coil Tx and Rx inductances, and where did you get that information from?

                            Comment


                            • #15
                              Hold your horses, the whites coinmaster 6000D also uses the 6B coil, and that schematic does indeed show a 1nF capacitor!!
                              So the 1nF capacitor for C8 in the 3900 is correct it would seem.
                              CONCLUSION: THERE IS MOST LIKELY AN INTERNAL CAPACITOR IN THE 6B COIL HOUSING.
                              Attached Files

                              Comment

                              Working...
                              X