Sayan, try to put the Rx resonance at around 4.5kHz. You must work out a value for a capcitor for Rx resonance 4.5kHz.
Announcement
Collapse
No announcement yet.
Announcement
Collapse
No announcement yet.
White 3900D
Collapse
X
-
I finally found the coil data for the 6B coil.
Sayan, you need to make the coil according to the spec shown for the 6B. But I still think there is capacitor internally. For that you will have to work out what is the correct resonance for the Rx (my guess would be somewhere around 4.5kHz - 4.6kHz). Otherwise your null phase will be wrong and you will not get any discrimination.
Maybe somebody on the forum knows.Attached Files
Comment
-
to DB's pre winter and winter melancholy files i have.
certainly, like always, i take files from this forum keeping on PC and put them back.Attached Files- 3900.JPG (77.3 KB, 304 views)
- 3900_bottom.JPG (46.5 KB, 254 views)
- 3900_sch.jpg (92.5 KB, 250 views)
- 3900_top.JPG (49.8 KB, 199 views)
- 3900Dpro+_sch.gif (24.5 KB, 234 views)
- 3900t.JPG (12.2 KB, 196 views)
- both.jpg (63.8 KB, 181 views)
- bottl.jpg (55.6 KB, 168 views)
- DSCN1247m.jpg (137.4 KB, 235 views)
- DSCN1248m.jpg (120.0 KB, 224 views)
Comment
-
DB
i wasted a time to projected special LC resonance coil generator. it is still accessable on ebay and here.
you know this fact. i see our issue to collect all data from all coils getting one coils' global data base CGDB.
if not... then we still wander in the two pines.
Comment
-
Did you set the Rx resonance to 4.5kHz???Originally posted by sayan1345 View PostThanks to all the friends who guide
I tested with a few handmade coils , from 4.5mh to 16mh , Neither was good
I have the schematic I got from the Turkish site , One user changed his pieces
I don't know if it's right or not
I send the schematic
[ATTACH]48197[/ATTACH]
Remember the Tx is set at 6.5kHz and the Rx resonance is set to 4.5kHz. This means you must put a parallel capacitor across the Rx coil.
For 16mH Rx coil, the capacitor is 78nF, I told you to use 56nF and 22nF in parallel to get 78nF.
Comment
-
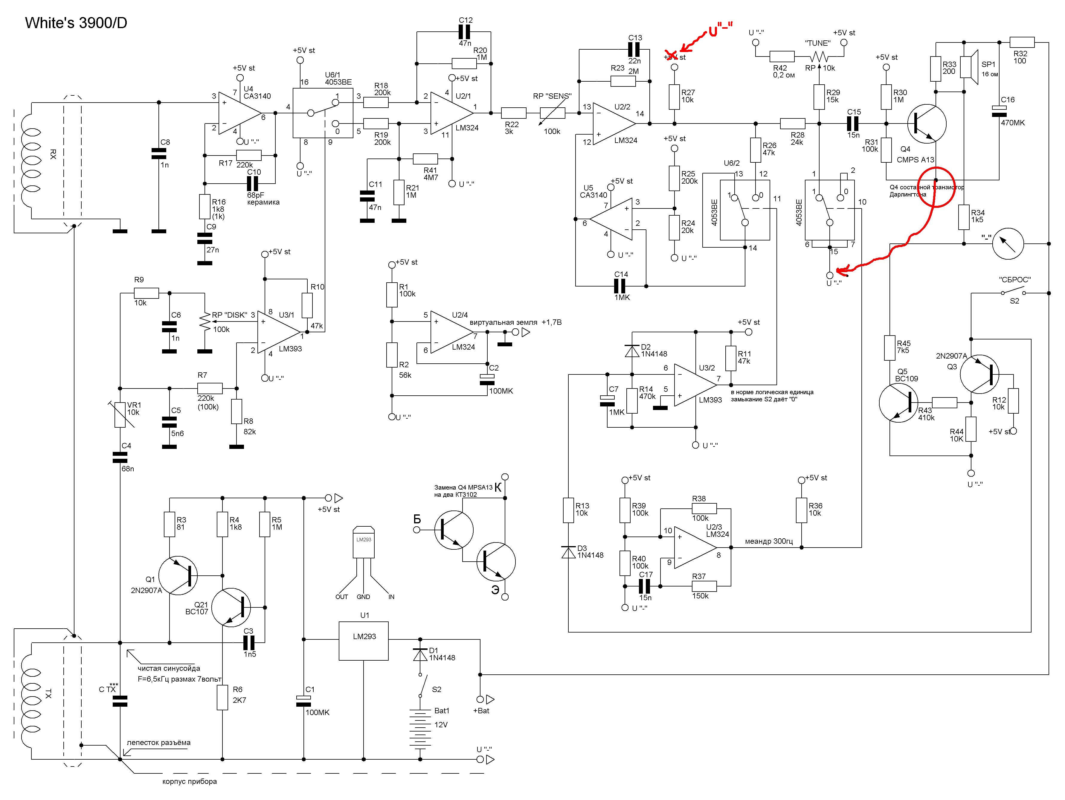
Originally posted by Artyom View PostHi everyone. There's another question. The diagram shows the virtual earth voltage + 1.7 V on pin 7 LM324. is this correct? The voltage divider R1, R2. There should be 0V.
Yes, this appears to be correct, have a look at R1 and R2 on PCB. They are 100K(brown,black,black,orange) and 56K(green,blue,black,orange) respectively. 4 band resistors. The only difference is the pin numberes for the LM324 on the PCB are different on the schematic, the schematic is for self made layout. So designer used different op amp pins in LM324 to set up the Common. But is the same thing.
I noticed the Transistor Q4 emitter must connect to -12V, not shown on the schematic.
Comment
-
R27 (pullup for output of U2/2) on schematic is wrong, it must go to u"-", not to +5V. This is how it is on the original PCB.
I'm trying to get the schematic to be exactly as what is shown on original whites PCB.Attached Files
Comment
-
So that when it is finally constructed, I can know that the scheme is exactly as it should be. This will help with troubleshooting the circuit if it isn't working right.
The Tx oscillator frequency is for sure 6.59kHz.
I will set Rx resonance to 4.68kHz.
I intend to use the 6B 8" coil inductances of Tx 1.7mH/6.5 Ohms and Rx 12.9mH/32 Ohms.
According to one Whites concentric coil patent, 27 AWG(0.361mm) was used for the Tx, and 31 AWG(0.227mm) for the Rx and bucking.
From the said patent:
"Under some conditions it may be necessary to reduce the capacitive coupling between the feedback coil and the receive coil by providing an electrostatic shield between such coils, as shown . The shield may be a layer of metal foil wrapped over the outermost turns of the receive coil before the turns of the feedback coil are wrapped onto such receive coil."
Wouldn't hurt to do the same with a self made concentric.
Comment
-

Comment