Announcement

Collapse
No announcement yet.

Announcement

Collapse
No announcement yet.

Italian pulse detector Nuova-elettronica-245

Collapse
X
 
  • Filter
  • Time
  • Show
Clear All
new posts

  • #31
    Originally posted by MDfanatic View Post
    Exactly.

    Thats very clever , I did not know you could do that, thanks.

    Comment


    • #32
      Nice work but what about the power supply? The power supply circuit is very crucial to the whole design and that's why I dropped it in the first place.
      I mean it's already super-hard to find some parts and yet they complicate the design even further with components that were almost obsolete at the moment this magazine was issued. WHY?!

      Comment


      • #33
        Originally posted by dom44 View Post
        the board finished i checked it unless i missed something should be correct according to schematic.

        https://gofile.io/d/DUaKF5

        Fast work.

        Comment


        • #34
          Originally posted by MDfanatic View Post
          Nice work but what about the power supply? The power supply circuit is very crucial to the whole design and that's why I dropped it in the first place.
          I mean it's already super-hard to find some parts and yet they complicate the design even further with components that were almost obsolete at the moment this magazine was issued. WHY?!

          Six 18650 battery's will fix that. or 8 and a couple of regs

          Comment


          • #35
            If you notice on the PDF you will see that there are 2 basic boards, the main board and the power supply board. The power supply board converts to ADC and supplies the main board.
            Besides that, the main circuit board has +12V/-12V/GND which are all critical for the circuit operation.


            Comment


            • #36
              Originally posted by MDfanatic View Post
              If you notice on the PDF you will see that there are 2 basic boards, the main board and the power supply board. The power supply board converts to ADC and supplies the main board.
              Besides that, the main circuit board has +12V/-12V/GND which are all critical for the circuit operation.



              Yes the power pcb steps the 4-6 volts up to +-12volt, but you dont need a complicated inverter circuit to get +- 12v,replace with 18650 cells and problem fixed. Just dont buy any with the word fire in the name

              Comment


              • #37
                I am going to experiment with a CFL light bulb transformer have many dead ones around the MC34063 is easy to use i have quite a few around in my parts box just need to work out the turns ratio should not be that hard, R5 and R6 set the output voltage on pin 5 of the chip I have started the board main coil driver oscillator works and gives exactly 64 Hz after IC2b narrow needle pulses and the audio oscillator works fine to.

                Click image for larger version

Name:	cfl.jpg
Views:	1
Size:	9.2 KB
ID:	358739

                Comment


                • #38
                  So your idea would be to connect +12V and -12V? And what about the GND?
                  Or even if you connect +12V and GND, what about the -12V? You have to leave either one unconnected which would make the circuit useless.

                  Comment


                  • #39
                    Originally posted by MDfanatic View Post
                    So your idea would be to connect +12V and -12V? And what about the GND?
                    Or even if you connect +12V and GND, what about the -12V? You have to leave either one unconnected which would make the circuit useless.
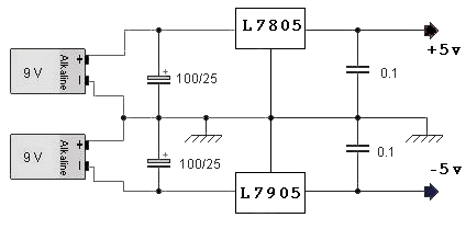
                    Like this.Click image for larger version

Name:	69vflQ5.gif
Views:	1
Size:	44.1 KB
ID:	358742

                    And this with regs just adjust the battery voltage, easy peasy.
                    Click image for larger version

Name:	two-regs.JPG
Views:	2
Size:	42.5 KB
ID:	358743

                    So for a quick +- 12v supply just centre tap 6 18650 cells
                    for regulated +- 12v supply just centre tap 8 cells and add regs

                    Comment


                    • #40
                      Looks like I'm more Australian than you because 5 months ago I first learned how to read a schematic and design a PCB and after read about electronics
                      I still have a sh**load to learn it seems. Thank you for your precious help and input!

                      Comment


                      • #42
                        or a combination board with
                        7812
                        7912
                        7805
                        7905
                        and some buffer cap

                        so 4x 18650 would do the job (4*4V = 16V and some room for the voltage drop of 2,5V for the 7812)

                        Comment


                        • #43

                          Could work if you can keep the noise down, may need some OS-CON caps on outputs

                          Comment

                          Working...
                          X