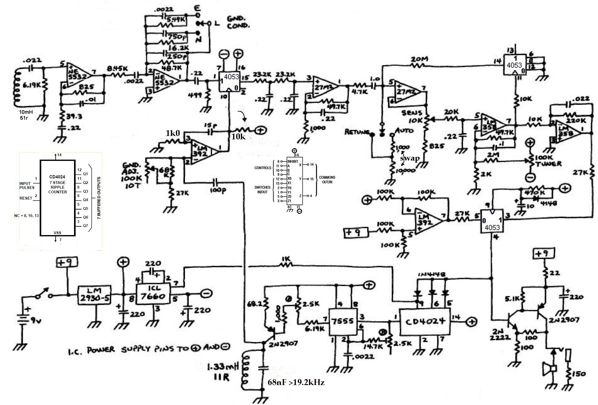
Thank you very much Op04, this diagram did not have it, I will study it carefully, although I think I have already clarified the connections of the switches, as soon as I am sure I will publish it. I leave you a small video that demonstrates the power of the wolf. We're talking about an iron-framed workbench, a loose, unshielded coil, a power supply instead of a battery, and a room full of EMI. The result is about 30 cm for a euro coin.
Now, once I am sure that the commutations are correct and that I know how to operate the Lobo, which is not easy for me and the manual seems unclear to me, I will start working on the discrimination, since it is almost nil. The reason is simple, there is no phase variation whatsoever, neither between TX and RX, nor while the coil is attached to a metal. Clearly the problem seems to be with the coil. Unfortunately, the information I have found does not seem to match reality either. I will be commenting more things, in case they serve someone.
Greetings: Luis.
Note: After much reading, it seems that there is talk of a variation of about -12 degrees, which of course I do not have.
Here is the video: https://photos.app.goo.gl/gStRpZbsQUxxUjcB6
Now, once I am sure that the commutations are correct and that I know how to operate the Lobo, which is not easy for me and the manual seems unclear to me, I will start working on the discrimination, since it is almost nil. The reason is simple, there is no phase variation whatsoever, neither between TX and RX, nor while the coil is attached to a metal. Clearly the problem seems to be with the coil. Unfortunately, the information I have found does not seem to match reality either. I will be commenting more things, in case they serve someone.
Greetings: Luis.
Note: After much reading, it seems that there is talk of a variation of about -12 degrees, which of course I do not have.
Here is the video: https://photos.app.goo.gl/gStRpZbsQUxxUjcB6

heheh... You have convince me to build lobo again. Thank you for keeping update your project here Mr. Luis
Comment