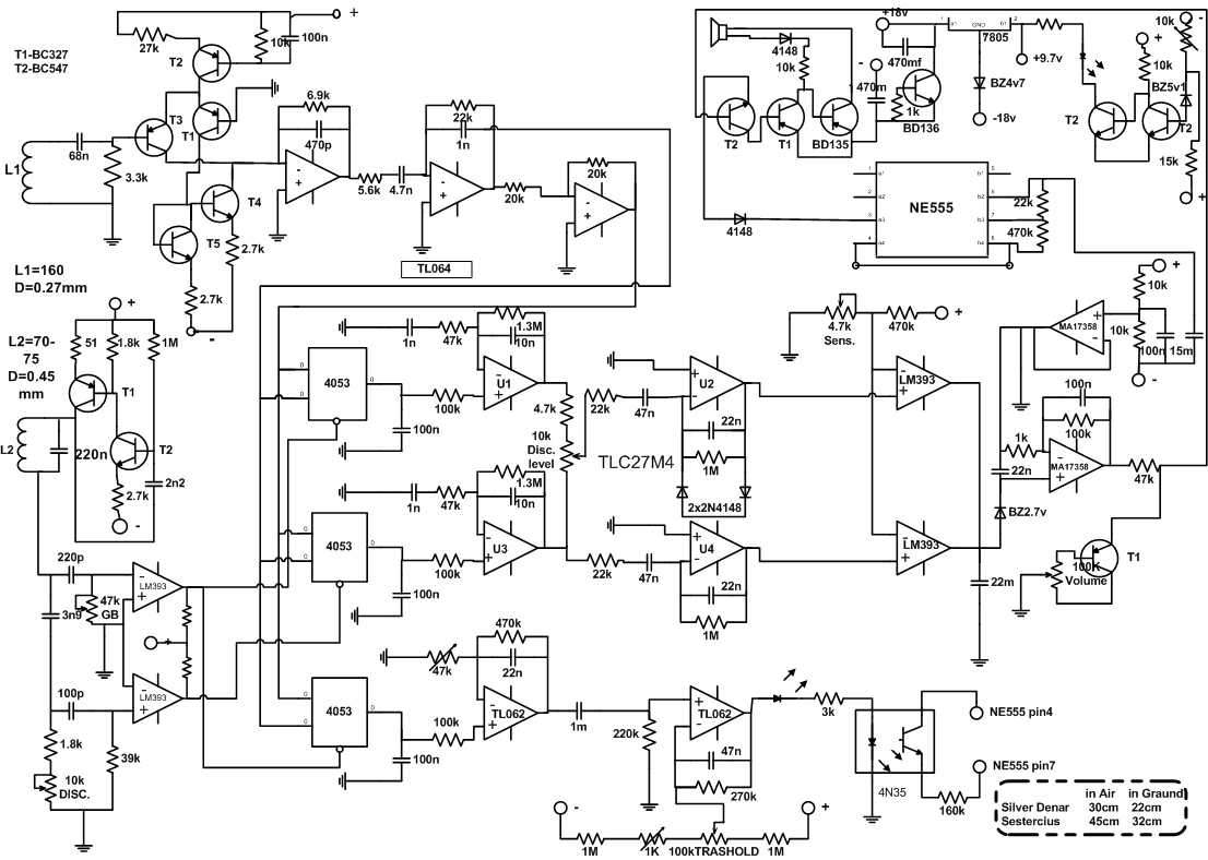
Remember this one?
Although obsolete and forgoten this one continue to be "most wanted"
among low budget detectors here in Serbia. Few amateurs are still
building this and selling at various prices. From 200e up to 400e!!!!
One of local frauds is advertising it as deepest detector on market!?
"It can detect single coin at 60cm distance..."!!??
He even shot advertising video clip, showing "detection" at 60 cm distance!
Heh,heh,heh!!!
Of course,there are lot of naives who beleived and wasted money on it.
I had chance to test it; coil was made in horror manner!??? Absolute
UNNULLED with HUGE wire gauges...totally nonsenced wired up...
It producing bedlam of false signals...
Maybe from this schematic could be maden good and useable detector, but
those what i saw already, are scum! Totally unuseable on soil due a lot
of false signals...mostly cose worse made coil i ever saw in my life!
Also discrimination is NONE! Cant distinguish among metals at all.
Buyers from Serbia BEWARE! Do not waste your money on frauds!
Originally it came from Bulgaria. Wheater pcb is from there or from
here i realy dont know, but there are some "modifications".
For example optocoupler is missing from pcb but it is wired up in air
over 555...."piggy back" method??? Hah,hah,hah,hah!!!!
Yes i am spiting on those already made here, cose were made very sloppy,
untidy, packed in most ugly housings i ever saw...
But I AM NOT SPITING ON SCHEMATIC at all! Dont guess me wrong! This
schematic could be good...dont know?
Search and judge yourself people! I just posted this to unmask this
so far called "secret allmighty deepest detector" here in Serbia!
There is anecdote cycle arround that one of those were sold even in
Germany to some naive customer for 1000e !!!!! That poor German beleived
in mighty,fraudlent advertisment from here and ordered it!?
Again hah,hah,hah,hah!!! I mean; i am so sorry for poor man...
There are dozen of naive customers here, i already know. Those people already
wasted money and lost all credence in any new, eventual hand made here...
I have a lot of problems to explain to those that i have nothing to do with this!
I made several CL3's, dozen DP's and now i am making TGS Light's....
Already sold 2 TGSL's and my "customers" are more than satisfied...
But do have a lot of problems cose frauds like this one and lost credence
among people. Bad news are spreading very fast...so it is very hard to sell
good detector here in Serbia, these days...
I am interested if there is any other variation of this detector and any other
(better) pcb?
Miserable owners of this one are calling me day by day asking for some upgrade or
modification cose original seller is refusing to give money back to them, explaining
that all Unfunctionallity of this detector is caused by inproper handling...!???
Hah,hah,hah,hah...!!!!!
It is funny and sad at the same time!
Any experiences with this?

There were a number of rules there that were no longer required. For some reason the recent Windoze upgrade on our machines had caused some of these now unused settings to become a problem. After removing these extra rules everything started working ok, except Explorer would try to open a Microsoft webpage when it was first started instead of going to the home page, and then stop with "error on page". In case you encounter this problem yourself, you need to download some free software called "IE7_Runonce_Remover.exe".
Comment