Originally posted by waltr
View Post
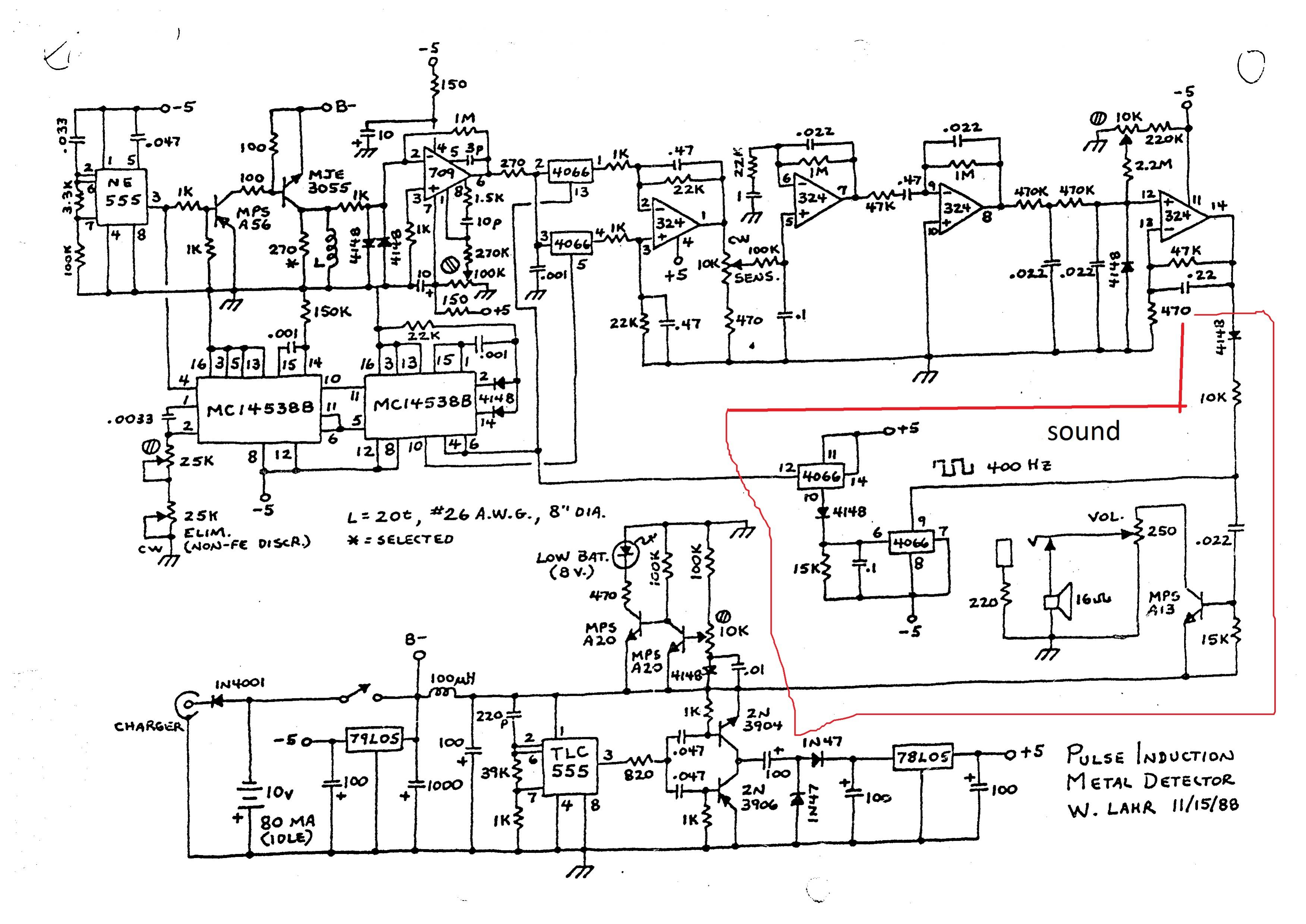
edit: the audio signal that come through D3, from sample1 is cutted by U7D switch, result frequency of audio and voltage variation of sample1 give the amplitude. right?
now, as SCS said, why is like this and no opposite? Does it matter?




Comment