Announcement

Collapse
No announcement yet.

Announcement

Collapse
No announcement yet.

Fisher 1266 PART 2

Collapse
X
 
  • Filter
  • Time
  • Show
Clear All
new posts

  • #16
    Hi to all
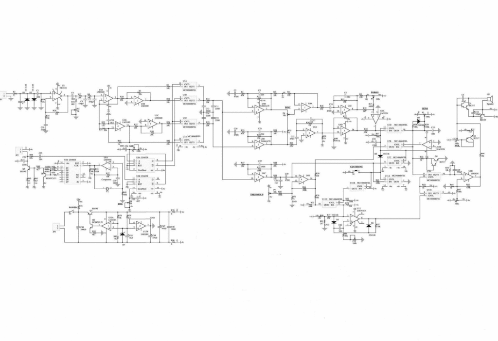
    I saw this circuit for fisher 1265 or 1266 , it was another draw that I didn’t see yet.
    Unfortunately it was low resolution , anybody having it with better resolution ?
    Best regards.
    Attached Files

    Comment


    • #17
      Fisher 1266 PART 2

      aft-72005 , I sent you an e-mail , you should have it....Bye........Eugene

      Comment


      • #18
        Hi Eugene
        Thank you ,
        Very strange, because I didn’t have any email which contain circuit about fisher
        1266 yet.
        Best regards.

        Comment


        • #19
          Fisher 1266 PART 2

          Originally posted by aft_72005 View Post
          Hi Eugene
          Thank you ,
          Very strange, because I didn’t have any email which contain circuit about fisher
          1266 yet.
          Best regards.
          aft_72005 , Please send an e-mail to me again , and I will send to you 1265x and 1266x.......Thanks..............Eugene , and here is my e-mail address again ............[email protected]

          Comment


          • #20
            Hi amtech2005,
            Ok, I sent you again another email .
            Best regards.

            Comment


            • #21
              Originally posted by aft_72005 View Post
              Hi to all
              I saw this circuit for fisher 1265 or 1266 , it was another draw that I didn’t see yet.
              Unfortunately it was low resolution , anybody having it with better resolution ?
              Best regards.
              yep, I remember this guy. his nick was vel. I see him at forum md4u as veltex but as you know the forum was captured by pirates' group and I have not access now in it. I did not save this schematic.
              vel took schematics from geotech and lead these to more advanced forms. he probably did order PCB's on all schematics we discuss of and offered to buy them on his site. I have visited his website but now the site seems has disappeared.

              truly

              Comment


              • #22
                Hi KT315
                At the first ,I saw this draw for 1266 or 1265 at ivconic hobi detektori site.
                Uploaded by amtech2005.
                Yes , you are right . also I cannot connect to www.md.lukiland.ru
                Are you have veltex email address ?
                Best regards.

                Comment


                • #23
                  try [email protected] and [email protected]. I do not see him in members' list of MDFORALL forum. I see the addresses via GOOGLE Search.

                  HH

                  Comment


                  • #24
                    Fisher 1266 PART 2

                    Originally posted by aft_72005 View Post
                    Hi KT315
                    At the first ,I saw this draw for 1266 or 1265 at ivconic hobi detektori site.
                    Uploaded by amtech2005.
                    Yes , you are right . also I cannot connect to www.md.lukiland.ru
                    Are you have veltex email address ?
                    Best regards.
                    I sent you the original Fisher 1265x . And you sent me that fuzzy schematic , and I looked at it again AND IT IS NOT 1265x original !!!!!!!!!!! It is something else , I saw this schematic 2 or 3 years ago . LOOK in the bottom left corner . I do not remember two diodes before that IC chip on any fisher 1260 series. It might be a modified Bulgarian Schematic , because the schematic Print or format looks familar . It is modified version of what ??? Anyway look in the bottom left corner , it just seems something is not right and sorry it is very fuzzy. I was not the first one to post this on any forum and I do not remember where I found it . I should not have posted this on Hobi-Detektori because it was fuzzy and something about this schematic is not right !!!............If we can find a clear copy of this one , our questions will be answered in 5 minutes. No wonder aft_72005 wanted this schematic very bad !!!!!..................Eugene
                    Attached Files
                    Last edited by amtech2005; 09-21-2008, 05:42 PM. Reason: added some information:

                    Comment


                    • #25
                      above is due a schematic done by vel. not a bulgarian. it has specific view, I suppose he uses PROTEL. veltex gives new sch bunch I will repost here. hurry up to save it
                      Attached Files

                      Comment


                      • #26
                        Hi amtech2005
                        Thanks for all, yes, you are right ,anyway I am interest see
                        "modified version of what ???” circuit with better resolutions .
                        Best regards.

                        Comment


                        • #27
                          try [email protected] and [email protected]. I do not see him in members' list of MDFORALL forum. I see the addresses via GOOGLE Search.
                          Hi KT315
                          Thanks. search him.
                          Best regards.

                          Comment


                          • #28
                            above is due a schematic done by vel. not a bulgarian. it has specific view, I suppose he uses PROTEL. veltex gives new sch bunch I will repost here. hurry up to save it

                            Hi again KT315
                            Thanks for cs6pi , I think seem you ,may be drew with protel.
                            Best regards.

                            Comment


                            • #29
                              hi aft, save it. cz-6
                              http://www.sendspace.com/file/3we0wz

                              Comment


                              • #30
                                Hi KT315
                                Thank you, I visited MD4U.RU and saved all of veltex circuits.
                                MD4U.RU web site very interning. I am connected often times
                                To it with BabelFish English translator .
                                veltex circuits contain :fisher cz6 –dbp2010-toltec80& 100-bt1-tm808-relic hawk-
                                Cs6pi .

                                Are you having another veltex circuits?
                                Best regards.

                                Comment

                                Working...
                                X