I had a spare moment, so I made my own copy of Hectors original search-coil. Tech details are: 10 turns of 16/0.2mm PVC insulated copper wire, with nominal circumference of 38cm, nominal diameter of 122mm. Heavy braided tinned-copper screen stripped from screened 6-core power cable, 10mm gap.. The 10 strand bundle was 6mm diameter average, and with the braid included, total diameter was 7mm. Measured inductance was 25.8 microhenry, with or without the shield connected to one end of the coil. This is exactly as predicted, which is nice. Construction was a bit tricky, getting the last 2 turns in was a slow process.
Announcement
Collapse
No announcement yet.
Announcement
Collapse
No announcement yet.
Late 1960's BFO
Collapse
X
-
Your timing (and build accuracy) is amazing!Originally posted by Skippy View PostI had a spare moment, so I made my own copy of Hectors original search-coil. Tech details are: 10 turns of 16/0.2mm PVC insulated copper wire, with nominal circumference of 38cm, nominal diameter of 122mm. Heavy braided tinned-copper screen stripped from screened 6-core power cable, 10mm gap.. The 10 strand bundle was 6mm diameter average, and with the braid included, total diameter was 7mm. Measured inductance was 25.8 microhenry, with or without the shield connected to one end of the coil. This is exactly as predicted, which is nice. Construction was a bit tricky, getting the last 2 turns in was a slow process.
Just got my new L/C meter from errr... OK China. Read some reports that it's accurate. Didn't want to give them any money but couldn't pass up $26 with free shipping.
I'll pull the PCB coil and test it very soon.
Wanted to test all 4 of my (Tesoro 4 pin) coils first, to include with the data in my 4 coil shootout.
Thanks Skippy!
Comment
-
Hi Skippy
The #'s are in!
I squeezed the case a little and it varied from 46-48uHAttached Files
Comment
-
Originally posted by HECTOR View PostHi Skippy
The #'s are in!
I squeezed the base into the case a little and it varied from 46-48uH
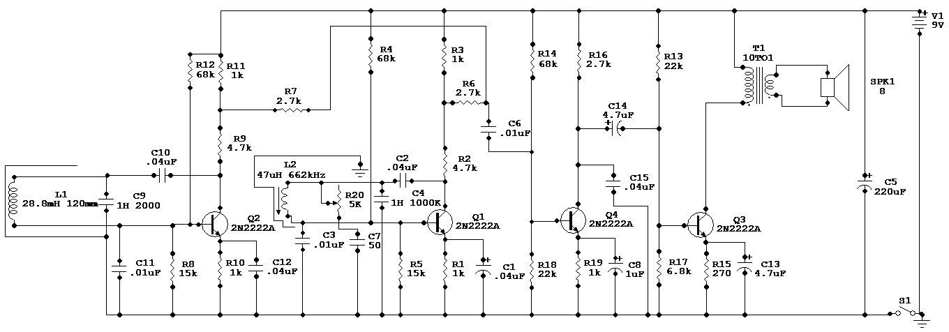
Updated schematic.
This should make a functional breadboard modelAttached Files
Comment
-
Thank you very much Sir!Originally posted by WM6 View PostHi Hector,
very diligent work,
what is working frequency of your new L/C meter?
The new meter appears to be operating at about 1Hz@1V (looks just like a 555 output on my scope)
Note:In the last schematic, the search coil is labeled mH and it should be uH.
Comment
-
I think labelling coil in mH is ok (at least for classical BFO).Originally posted by HECTOR View PostThank you very much Sir!
The new meter appears to be operating at about 1Hz@1V (looks just like a 555 output on my scope)
Note:In the last schematic, the search coil is labeled mH and it should be uH.
1Hz working frequency for L/C meter? Pretty unbelievable. Do you have technical data?
Comment
-
The test was done with no inductor connected. I thought that it was crazy low too.Originally posted by WM6 View PostI think labelling coil in mH is ok (at least for classical BFO).
1Hz working frequency for L/C meter? Pretty unbelievable. Do you have technical data?
Here are the specs provided on ebay. No paperwork came with the unit.
100% brand new and high quality
modle:LC100-A
Supply power: +5v ,mini USB interface
Measurement accuracy:1%
Capacitance measuring range: 0.01 pF - 10uF
The minimum resolution: 0.01 pF
Big Capacitance measuring range :1uF-100mF/minimum resolution:0.01UF
Inductance measuring range: 0.001 uH - 100mH
Big inductance measuring range: 0.001 mH - 100H
The minimum resolution: 0.001uH
Test frequency range: L/C about 500KHZ/Big inductance 500HZ
Effective display digits: 4 digits
LCD display mode: 1602
Powered by Mini USB cable(included)
Comment
-
Working frequency of your L meter is according technical data you posted about 500kHz (switching down to 500Hz at bigger L measurement).
It is OK for BFO measurement but less ok for VLF measurement if you try to follow someone coil data measured at 1kHz working frequency of most cheap L-meters.
But if you can control working frequency of your L/C meter over USB cable it can be ideal.
Comment
-
Not sure I follow what you're saying. It seems to me that this meter tunes itself to whatever inductor that it's connected to. If there's an internal clock frequency, I don't know where to access that measurement. With no inductor connected, it pulses hi-lo once per second. With an inductor connected, it assumes the resonant waveform of that inductor. Is this not typical?Originally posted by WM6 View PostWorking frequency of your L meter is according technical data you posted about 500kHz (switching down to 500Hz at bigger L measurement).
It is OK for BFO measurement but less ok for VLF measurement if you try to follow someone coil data measured at 1kHz working frequency of most cheap L-meters.
But if you can control working frequency of your L/C meter over USB cable it can be ideal.
Here are the readings for my 4 Tesoro coils. Couldn't find anything to compare them to. Spent over an hour looking for inductance data for Tesoro HOT coils. Only found uMAX #'s.
These will be posted in my 4 coil shootout thread.
10X12DD Pins 1,3 1.289mH Pins 2,4 22.13mH
9X8C 1.258mH 19.68mH
5.75"C 1.212mH 20.90mH
5.75"DD 1.142mH 19.37mH
So, if anyone else has any of these coils and an expensive L meter, let's compare notes to see how accurate this thing really is. Looks like it works to me.
Comment
-

Comment