Originally posted by Skippy
View Post

I have an old analog, vacuum tube L/C meter in my sights on ebay. Was looking at those $18 China ones on ebay. Don't like dealing with China on ebay. Too many crooked players so I'd rather not give them any biz.
Was thinking that would save guess work, if I had a meter.
Am pretty serious about making a pinpointer out of it. Just did some more modding on my CenTech. Added a second vibrator with an LED in between and disconnected the speaker. Would like to do away with the sens changes when the temp changes.
Have had it out on sunny mornings, set perfectly, and by noon, it's going off by its self

I think that building some coils will be in my future projects.
There have been several times I'd wished that I had an inductance meter.
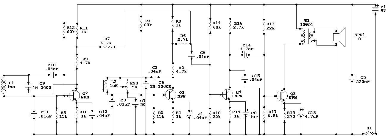
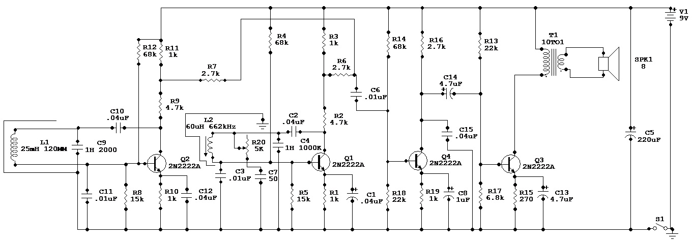
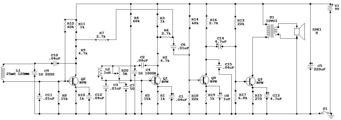
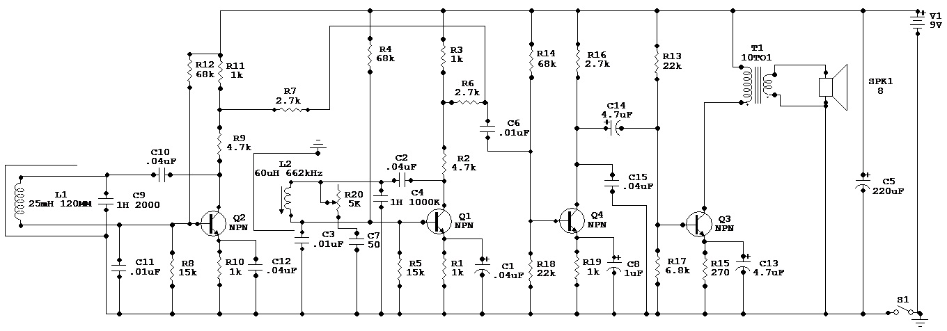
Anybody know how to transfer ckt files from Circuit Maker? Was hoping one or more of you aces would be willing to snaz up that schematic

- let's go back to the Thread.

Comment