Announcement
Collapse
No announcement yet.
Announcement
Collapse
No announcement yet.
Magnum on steroids!
Collapse
X
-
This is THT version and I think that is the best analog VLF machine I ever had. Ivconic was right, veeery fast and deep. Discrimination is also ok. In high sens is touchy to sticks or others obstacles but it`s not a big deal. Definitely worth to make one.
Regards
Comment
-
Hi. In your video, which instrument was the frequency? Are there errors and inaccuracies on the board? Describe the coil, the number of turns and the diameter. Thank you.Originally posted by reiv View PostThis is THT version and I think that is the best analog VLF machine I ever had. Ivconic was right, veeery fast and deep. Discrimination is also ok. In high sens is touchy to sticks or others obstacles but it`s not a big deal. Definitely worth to make one.
Regards
Comment
-
My Magnum also works great.
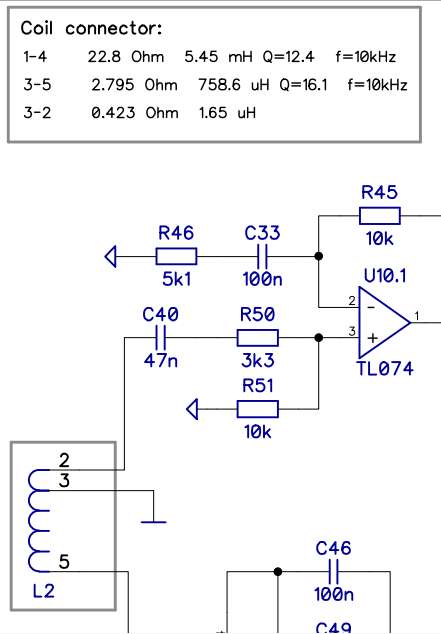
The THT board is checked and working properly.However, the author of the topic made a mistake with connecting the coil.
When I started the detector according to recommendations from the forum the detector worked very bad.
The third coil that is responsible for BG and DISC should be a separate winding not continuing TX!
Correct coil connections are shown in diagram GM5
Comment
-
The picture is not completely visible...Originally posted by perkun View PostMy Magnum also works great.
The THT board is checked and working properly.However, the author of the topic made a mistake with connecting the coil.
When I started the detector according to recommendations from the forum the detector worked very bad.
The third coil that is responsible for BG and DISC should be a separate winding not continuing TX!
Correct coil connections are shown in diagram GM5
[ATTACH]39849[/ATTACH]
But what is the number of turns and what is the diameter of the wire?
Comment
-
If you use a finished sensor from Golden Mask, then the third winding is used. If you do the sensor yourself, a third winding is not required.Originally posted by perkun View PostMy Magnum also works great.
The THT board is checked and working properly.However, the author of the topic made a mistake with connecting the coil.
When I started the detector according to recommendations from the forum the detector worked very bad.
The third coil that is responsible for BG and DISC should be a separate winding not continuing TX!
Correct coil connections are shown in diagram GM5
[ATTACH]39849[/ATTACH]
Comment
-
Comment
-
Originally posted by bernte_one View PostIvica please come back.
@Carl and George - what happened?
can not see the Video, can someone tell me what´s the Content?
bernte_one,
it seems that Ivconic has been banned from Geotech forum; I do not why!
Ivconic made a protest video to take some pebbles off his shoes...
Very sad story!
Someone take a step back, please!
Comment


Very sad story...
Comment