Announcement

Collapse
No announcement yet.

Announcement

Collapse
No announcement yet.

Magnum on steroids!

Collapse
X
 
  • Filter
  • Time
  • Show
Clear All
new posts

  • #31
    big thanks ivica

    Comment


    • #32
      Hello! I made TH version but heve some trouble. The detector work fine. Good GEB and DISC. The coil is from Wave, frequency 8kHz. balanced- 50mV on pin 1 4053. The problem is depth... about 20-25 sm for 1 euro coin in air. Treshold is nice. Where could be the problem?

      Comment


      • #33
        @ Lubo
        how much is tx amplitude? and what diameter is your coil?

        Comment


        • #34
          26Vpp coil is dd 32sm

          Comment


          • #35
            Ivconic,
            I was looking for a new project, think I may just give this one a go.
            thanks

            Comment


            • #36
              Hi Ivica, is there any chance to be adapted Tesoro Cibola/Vaquero coil? I mean SEF 12x10
              I think to order one in next 7 days, but i wan't if cannot work on this machine.
              Cibola inductance are 0.95mH for TX and 15mH for RX. How to calculate right capacitor tank?
              http://www.nhmetaldetectingforum.com...ch=21360;image

              Comment


              • #37
                Had some PCB's made up of "mag_redu_pcb" version:using 1206 sized SMD components.
                Should arrive this week Tuesday.
                I have been studying the schematics and PCB layout this morning.




                Comment


                • #38
                  PCB's have arrived, now to hunt down some parts

                  Attached Files

                  Comment


                  • #39
                    Originally posted by SVEN1 View Post
                    PCB's have arrived, now to hunt down some parts


                    Comment


                    • #40
                      Does anyone sell SMT pcb? Ideally European...

                      Comment


                      • #41
                        seems like i have to order some from the chinese guy in the hamburg harbour here in germany
                        what manufacturer did you choose sven? itead studio or so?
                        sorry but gold and blue looks like a good adult film ;-)

                        Comment


                        • #42
                          ...i looked the pcb again -holy **** the are so cool

                          pls post or link video of final working detector

                          Comment


                          • #43
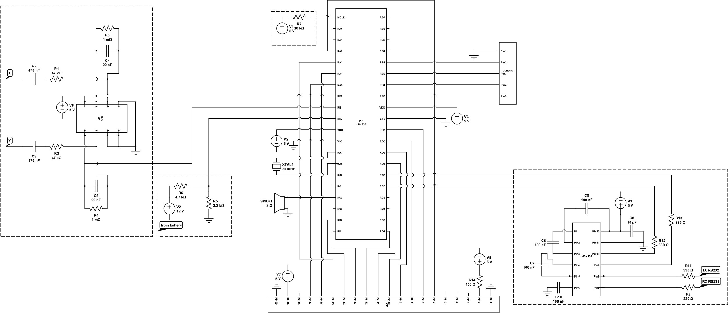
                            can we attach this
                            Click image for larger version

Name:	vdi_schema_groot.jpg
Views:	1
Size:	167.5 KB
ID:	346400

                            Comment


                            • #44
                              Originally posted by bernte_one View Post
                              s
                              what manufacturer did you choose sven? itead studio or so?
                              sorry but gold and blue looks like a good adult film ;-)
                              Hi,
                              have mine made at PCBWay http://www.pcbway.com/

                              Comment


                              • #45
                                Originally posted by SVEN1 View Post
                                PCB's have arrived, now to hunt down some parts



                                Good job.....
                                Who was the total cost???

                                Comment

                                Working...
                                X