Announcement
Collapse
No announcement yet.
Announcement
Collapse
No announcement yet.
VDI-RODERICO
Collapse
X
-
these stones could be some kind of metal ore...
it looks like that it is working fine with the stones, i.e. when the flattening appears the saturation is indicated by highlighting the strength, so the current value for the saturation of channel Y might be a good estimate. I will limit the maximum in the histogram to be lower than the top axis and if there are no more bugs then version 2.0 can be compiled in a few days...
Comment
-
yes, you could make as many tests as you can to find any other bug, better use this release candidate which fixes again the maximum value of the histogram and has enable the speed optimizationsAttached Files
Comment
-
i will explain how the detector sees these stones .. after setting the ground to zero in static mode over the stone, the leading signal disappears, so it is cut out, in dynamic mode gives a signal in opusczaniu stone, on my video there is no sound on the stone, because I gave in my IDX, the fourth channel X +, to see the earth in this way, I cut these stones in the sound of the speaker, but VDI will show them, because VDI uses X and Y channels
Comment
-
-
this would avoid the problem of different saturation levels, would this introduce any side effect in the X Y signals of the idx?
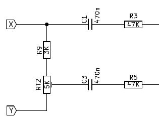
I didn't do the preconditioning of the signal, but looking carefully at the schematics I see that the signals are filtered at 7.2Hz while in the scope view it can be seen that signals are typically 4-5Hz, so maybe this can be optimized using a wider pass band filter, e.g. from 2-7Hz. A simple way to test if there is an improvement would be just to change C1 and C3 to 1uF, allowing a band of frequencies from 3.4Hz to 7.2Hz
Comment
-
I tried kroman01's mod and it fixes the problem, there is no more clipping in Y channel, however I just moved RT2 and R9 before U1 keeping the original values and it is working fine for me, what is the reason to add additional resistors?Attached Files
Comment

Comment