Originally posted by aft_72005
View Post
Announcement
Collapse
No announcement yet.
Announcement
Collapse
No announcement yet.
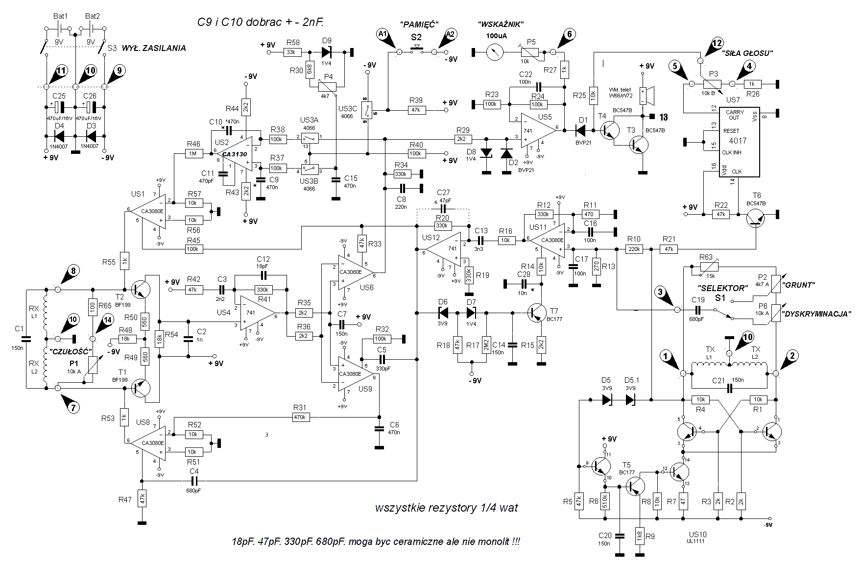
Elektor's Tank Locked loop oscillator
Collapse
X
-
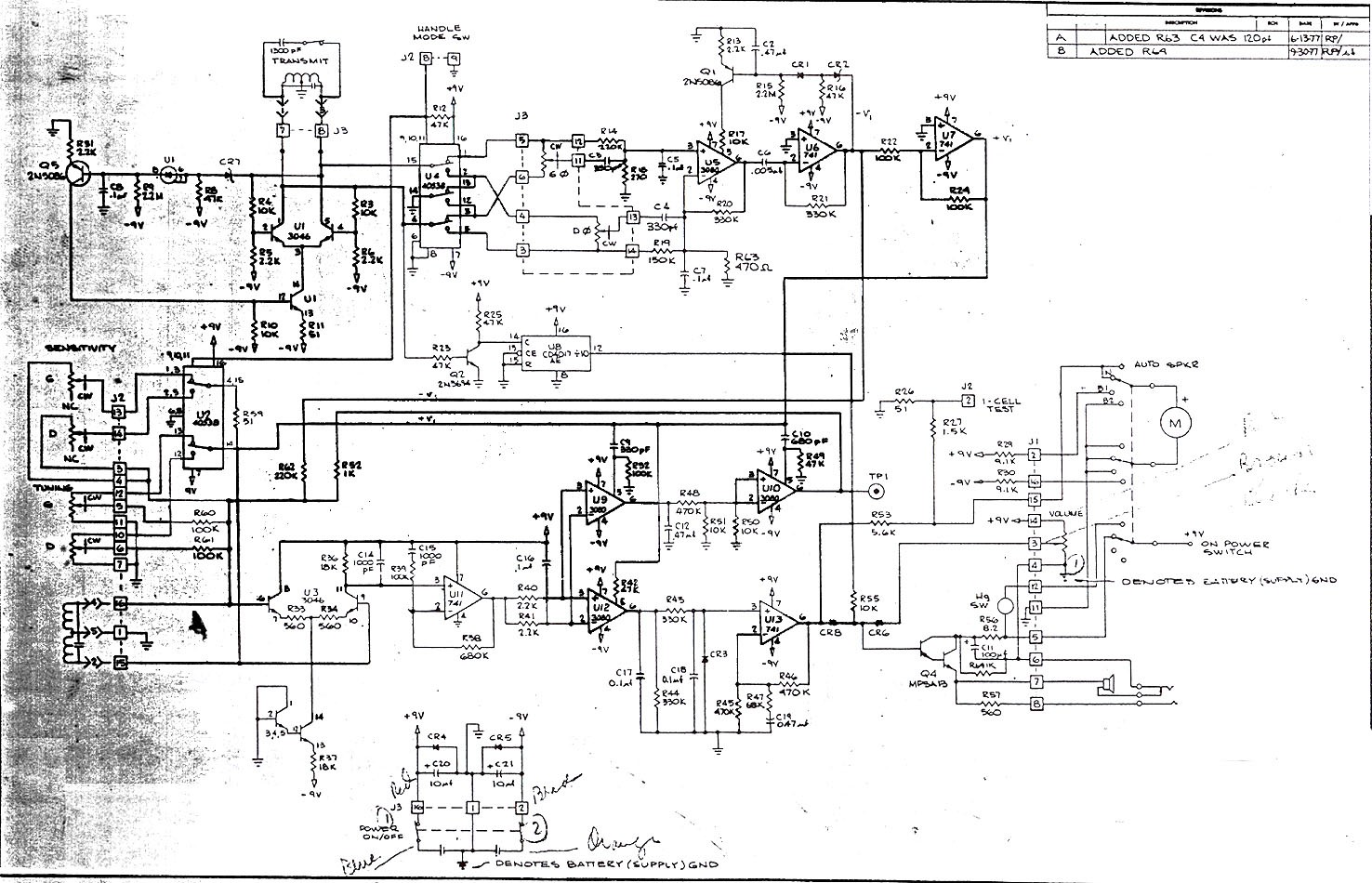
An interesting thing about some Fisher coils from that time. They were not shielded. By using a bi-filar Tx/ Rx winding's and diff amp, it was able to cancel the capacitive coupling. Not sure if all models were not shielded, but the M70 utility detector which was similar to 440 and 500 series was not shielded . Also the X1210 not shielded. Both coils I opened, the M70 was a DD and X1210 was concentric. I wonder if this method would work well on modern circuits? Would make construction easier.
440 schematic here
https://www.geotech1.com/forums/foru...her-440-series
Comment
-
Not just bi-filar, but centre-tapped as well.(440 and 500 series).Originally posted by Altra View PostAn interesting thing about some Fisher coils from that time. They were not shielded. By using a bi-filar Tx/ Rx winding's and diff amp, it was able to cancel the capacitive coupling. Not sure if all models were not shielded, but the M70 utility detector which was similar to 440 and 500 series was not shielded . Also the X1210 not shielded. Both coils I opened, the M70 was a DD and X1210 was concentric. I wonder if this method would work well on modern circuits? Would make construction easier.
440 schematic here
https://www.geotech1.com/forums/foru...her-440-series
Comment
-
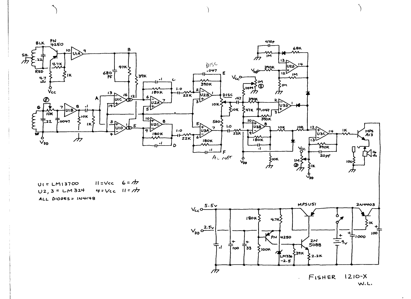
Both coils were center tapped, bi-filar is the wrong term. Yes the x1210 Rx was center tapped and made contact with the plastic housing. The M70, I don't remember if anything was connected to the plastic, am sure there was no graphite or foil in either.Originally posted by dbanner View PostSo the 1210X search coil was not shielded as well. it seems. But I dont think the Rx coil was bi-filar, was it?. Diff amp yes.
Comment
-
Some years ago, I did weld up a 1210x circuit, but I never got it to work properly. It detected metal sure enough, but try as I would have, I could not get it to discriminate. I made it according to these diagrams which do not show a grounded centre-tap on the Rx coil. Was the centre tap grounded?Originally posted by Altra View Post
Both coils were center tapped, bi-filar is the wrong term. Yes the x1210 Rx was center tapped and made contact with the plastic housing. The M70, I don't remember if anything was connected to the plastic, am sure there was no graphite or foil in either.
Comment
-
No the center tap was a short loop twisted and tinned taped to the plastic. The 1210x was a quirky circuit. It did not have a all metal or pin point mode. It was not a sensitive detector. So maybe that's how it got away without shielding? The winding's were contained in a vacuum formed insert that fit inside the standard coil housing and were potted with clear epoxy. You could see the rx center tap. Unfortunately there were no digital cameras in the early 1990's that were affordable.Last edited by Altra; 09-13-2024, 10:35 PM.
Comment

Comment