Announcement

Collapse
No announcement yet.

Announcement

Collapse
No announcement yet.

VLF MD with digital signal processing : Bee-Buzz 1

Collapse
X
 
  • Filter
  • Time
  • Show
Clear All
new posts

  • ...except for the 20 db of amplitude modulation clearly visible on the fundamental.

    Comment


    • So what is the actual peak-to-peak voltage across the TX coil?

      Comment


      • Originally posted by Olly View Post
        So what is the actual peak-to-peak voltage across the TX coil?
        TX coil voltage measured on the oscilloscope: aprox. 130 V peak-to-peak.
        Well, I can actually go up to 180 V as I haven't fully set to maximum. My reference TX-voltage will be clipped otherwise. I have to change my capacitive voltage divider.

        Comment


        • Originally posted by moodz View Post
          ...except for the 20 db of amplitude modulation clearly visible on the fundamental.
          Hi Paul,

          I don't understand, to which post you are referring to.
          If you refer to the TX-reference voltage in the lastest post, no this is coming from digital aliasing. The internal wave-form I do send to the sound card looks like the same on my display. On the oscilloscope, the TX wave-form is a pure sine of course.

          Below is the interal TX wave-form:
          Click image for larger version

Name:	TX-Waveform.png
Views:	179
Size:	87.0 KB
ID:	435164

          Comment


          • Hi all,

            what should I say?
            Is it better to lose one channel on the TX side (2-channel = stereo output) and get only half power to the TX coil and beeing able on the other side to null out the RX coil perfectly (perfect induction balance) and push up the pre-amp gain?

            Now the good news:
            I have injected through a series resistor (10 kOhm) from the second output channel an IB nulling correction signal directly to the left input channel (RX-signal). I have adjusted the amplitude and phase and have achieved the perfect IB. I mean really perfect as it can be done up to the noise floor level.
            Instead of having mV residual RX IB mismatch voltage, I'm in the µV region.

            This can be easily done for dual frequency too. The active IB nulling gets maybe complex for chirp TX signals. I haven't tried it out yet.
            Aziz

            Comment


            • Hi all,

              I'm going to implement auto-perfect-IB-null function sometime. Yes, it is even possible to cancel out residual IB-RX-signal for complex wave-forms like the chirp-signal or multi-frequency signals. This is, what never has been done before.

              It makes great sense to do this.
              1. Low TX power saves battery consumption. We don't need much TX power.

              2. Cranking up pre-amp gain to compensate TX power reduction. As much as needed. Not more. Pre-amp does not consume much power. But the TX driver.

              3. Easy IB-coil making.


              Yeah!, the ultimate VLF/LF detector is coming soon.

              Comment


              • Hi all,

                I have connected a pre-amp of gain 100 to the RX-signal path. Yep, pre-amp and almost perfect IB nulling gives the ultimate kick to the detector. I had to reduce the TX power.

                Why almost perfect IB nulling? If there is almost zero RX-signal, the decoded phase isn't stable at the noise levels. We need some minimal residual RX-voltage to make the phase decoding stable.

                So, we have answered the long lasting question for the pre-amp need. Yes, we need a pre-amp.
                Pre-amp gain?
                What you prefer. 50 - 100, 100, 100 - 500. Everything is possible with the IB nulling technique.

                Aziz

                Comment


                • Hello friends,

                  it is now time for the new 3 V pre-amp.
                  If I take an RX coil with 1 Ohm series resistor and a gain of 108 (so approx. x100), I get an input voltage noise density of 0.179 nV/rtHz. You see, that the 0.2 nV/rtHz can be achieved easily now.
                  This will produce at 10 kHz with 200 Hz bandwidth 0.273 µV (rms) noise. The sound card noise is much higher. I wouldn't see the pre-amp noise in the FFT spectrum or the decoded values.

                  For a RX=2 Ohm, it rises to 0.221 nV/rtHz. Still super-duper. Noise will be 0.34 µV (rms).

                  If I find some spare time, I will make the 3 V pre-amp.

                  Cheers

                  Comment


                  • Originally posted by Aziz View Post
                    I have adjusted the amplitude and phase and have achieved the perfect IB. I mean really perfect as it can be done up to the noise floor level.
                    Until you lower the coil to the ground, then you get a huge reactive signal. And this will vary rapidly as you sweep the coil, so you can't just cancel it on-the-fly without affecting target signals. This is why companies don't strive for super-nulled coils, it doesn't matter.

                    Comment


                    • Originally posted by Aziz View Post
                      Hi all,

                      I have connected a pre-amp of gain 100 to the RX-signal path. Yep, pre-amp and almost perfect IB nulling gives the ultimate kick to the detector. I had to reduce the TX power.
                      .

                      Aziz
                      can you show PCB of it ?

                      Comment


                      • Originally posted by Carl-NC View Post

                        Until you lower the coil to the ground, then you get a huge reactive signal. And this will vary rapidly as you sweep the coil, so you can't just cancel it on-the-fly without affecting target signals. This is why companies don't strive for super-nulled coils, it doesn't matter.
                        Hi Carl,

                        yep. This effect can be observed. It is no good to the keep residual RX voltage at the noise floor level. The decoded phase is so much noisy. Decoded amplitude is stable however.
                        We don't need perfect IB-balancing. But a correction into the right direction and avoiding pre-amp overload is ok with active IB nulling. This is a nice feature and I am going to like it.

                        BTW, I like the idea of buffering the output of the pre-amp. Sound cards have often different input impedances (10k .. 20k .. how knows how much as this isn't often specified) and this affects the gain of the pre-amp.
                        I'm intending to add a second stage buffer/amplifier as you shown in the schematic. But in the inverting configuration with NE5534. And band limitting the pre-amp so the huge low frequency noise won't get much amplified.

                        If my operating frequency is above 20 kHz, I can get down to 0.112 nV/rtHz input voltage noise density with Rs=1, Gain=123, with NE 5534 (G=1). This is the ultimate ultra low noise solution. I think, I should leave that now.

                        Oh well, I have to make another bread board now with output driver stage (discrete or op-amp).

                        Cheers,
                        Aziz

                        Comment


                        • Originally posted by pito View Post

                          can you show PCB of it ?
                          I don't have a PCB. It's my old ultra-low-noise pre-amp in a bread board design. I will show you an improved new version soon, which is much more quiet, If I get it finished.
                          Cheers,
                          Aziz

                          Comment


                          • Hi all,

                            the is the next final pre-amp I want to use. It's a buffered version of the previous pre-amp with 6 V battery now. The NE5534 needs more voltage. The ouput driver is an inverting unity gain stage shown below. You can add more gain in the output stage if you want.

                            Click image for larger version  Name:	Richard-Lee's-Ultra-Low-Noise-AC-Amplifier-With-Buffer.png Views:	0 Size:	137.1 KB ID:	435212

                            Oh well, it's only 0.228 nV/rtHz above 10 kHz. But hey, I can live with that. Really.

                            Cheers,
                            Aziz

                            Comment


                            • That is on paper, in real word with Rx coil connected ?
                              Picture of the bread board ?​
                              not clear how Rx signal (green ) is getting to opamp
                              Click image for larger version

Name:	image.png
Views:	137
Size:	136.2 KB
ID:	435221

                              Comment


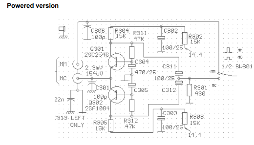
                              • In your drawing the battery and capacitors will short the signal = so how is possible that your circuit is working (good just only on paper )?


                                This is a different story, you have R304 and R305
                                Click image for larger version  Name:	image.png Views:	0 Size:	49.3 KB ID:	435225​​
                                Attached Files

                                Comment

                                Working...
                                X