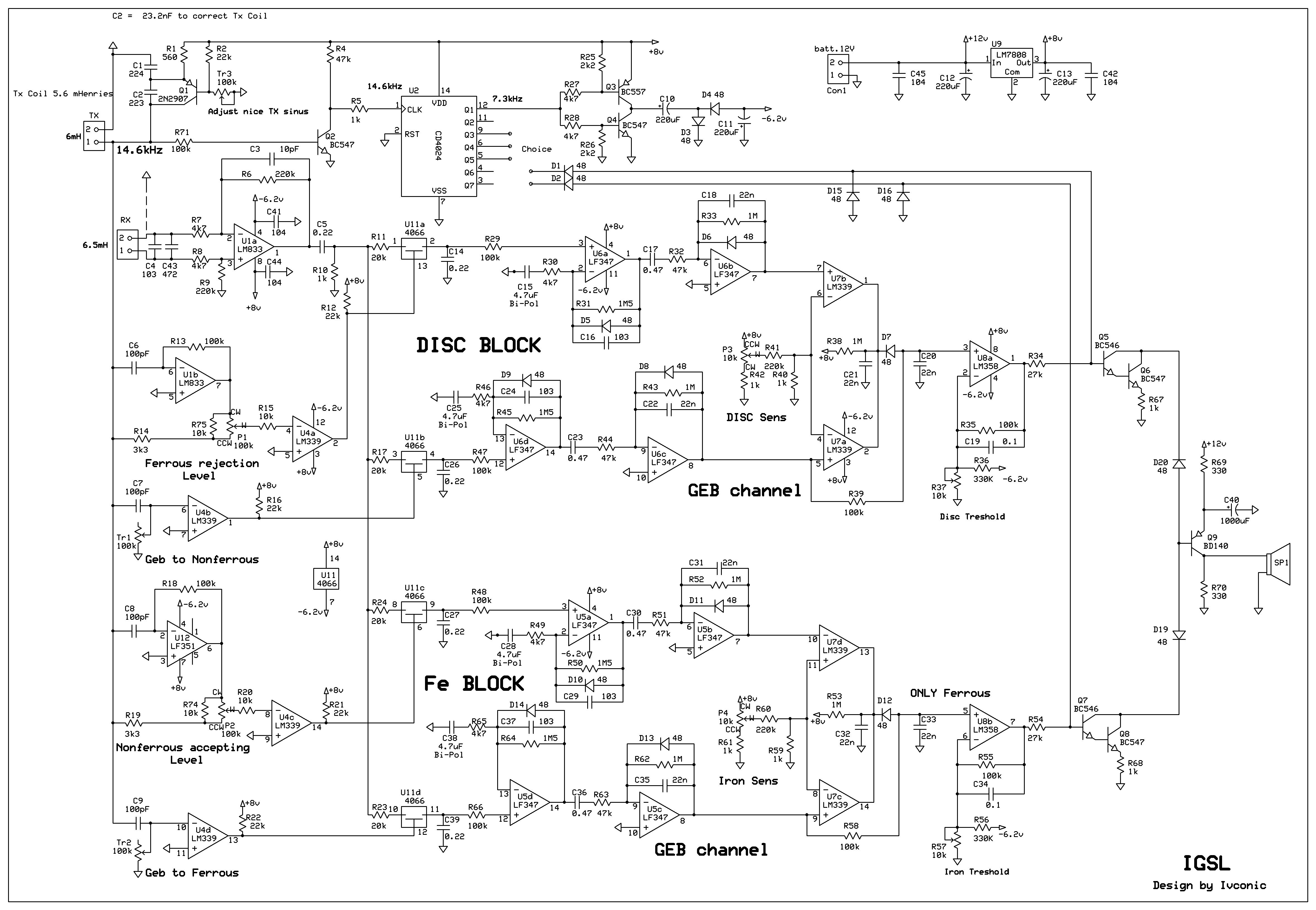
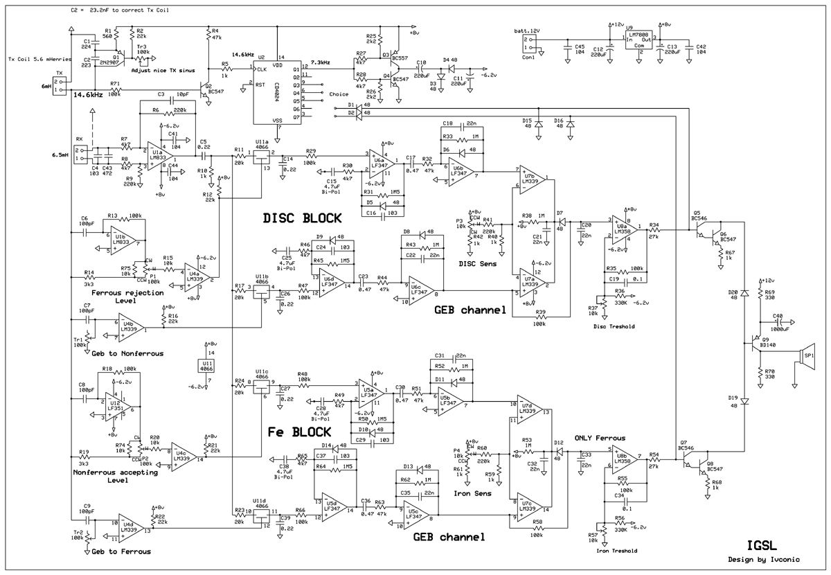
IGSL Potentiometer Connections/Direction
Gentlemen,
I have modified a version of the IGSL-TGSL Coils schematic (attached) to what I think is correct with the help of some comments from Simon I think, but just having a look at it, I feel that I may have marked some pots wrongly (either P3 or P4) as the two mentioned, I have marked in opposite directions........
Would one of you be so kind as to look at my chaged schematic and let me know if the pots are correctly marked with CW and CCW or not? Please check all 4 pots please....
Thanks in advance.
Andy
Gentlemen,
I have modified a version of the IGSL-TGSL Coils schematic (attached) to what I think is correct with the help of some comments from Simon I think, but just having a look at it, I feel that I may have marked some pots wrongly (either P3 or P4) as the two mentioned, I have marked in opposite directions........
Would one of you be so kind as to look at my chaged schematic and let me know if the pots are correctly marked with CW and CCW or not? Please check all 4 pots please....
Thanks in advance.
Andy


Comment