here's a link to a video i made just doing a few basic tests on my new front end board, for these tests i used Moodz's unipi project as a pulse generator.
http://youtu.be/_GooYyYEwwo
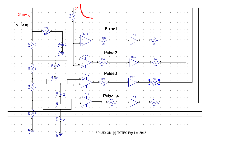
if you noticed the ripple in the wave forms, i haven't figured out what is causing it, i'm thinking my cheap Ebay scope probes may be to blame
Philip
http://youtu.be/_GooYyYEwwo
if you noticed the ripple in the wave forms, i haven't figured out what is causing it, i'm thinking my cheap Ebay scope probes may be to blame
Philip


, I'm able to see for myself, and I hope all of you will enjoy this short video.
Comment