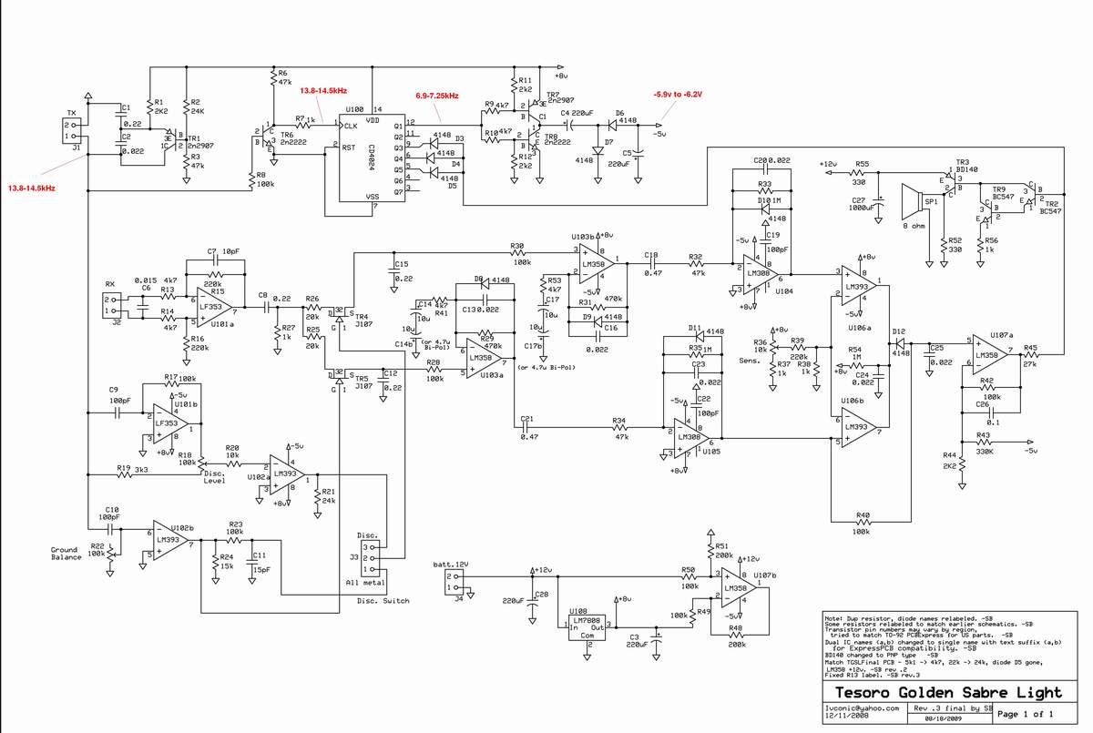
it's that making by Ivconics, C1=220000PF,C2=22000PF,C6=0.015UF,L1=6mH.L2=6.5mH
and someone ask me if he can use J108 TRA(TR4,TR5) instead J107 because he cannot found it?.
and someone ask me if he can use J108 TRA(TR4,TR5) instead J107 because he cannot found it?.

.
Comment