Originally posted by kt315
View Post
Announcement
Collapse
No announcement yet.
Announcement
Collapse
No announcement yet.
Barracuda Legend Kit Problems
Collapse
X
-
Well that is a shame.Originally posted by Impulse View Postthanks for the tip but its too late now i will upgrade at some point but until then i have no soldering iron, i has smashed it to little bits
Electronics, especially when we do it remotely like we have been doing, is hard. It is a tough balance to understand what is known and seen on the other end of the conversation without actually being there. I did this frequently over a 31 year period but there the equipment was some that I was very familiar with.
Take heart that you have not damaged your board.
Do you still want to carry on?
Comment
-
The board is still in one piece i have removed my soldering iron and i will get another (much better one). Old cart thank you for your patience i really want this to work as we have spent a good amount of time on this i thought all was lost, i dont want to waste all the time that you have put in to help me.
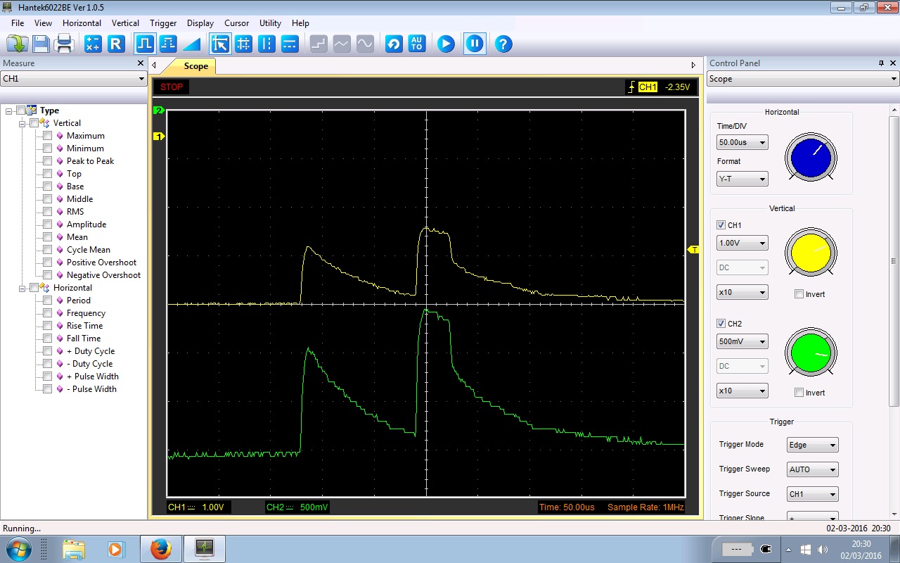
OK the battery voltage is 11.5V
Pin2 CH1 Pin4 CH2 here
Comment
-
Impulse, here is what the sampling pulse (bottom trace) and the 5534 pin 6 signal should look like if it is correct.
http://www.geotech1.com/forums/attac...9&d=1309516746
Your preamp pin 6 signal is right, the sampling signal is not. In fact all of the signals associated with the 40106 look wrong. Once we get the 40106 working it should be a simple matter to adjust the delay to the correct position.
Cheers,
Comment
-
Well, those are still wrong (perfect measurement, just wrong waveforms). Don't worry about the time, I now have enough time in it that I must carry on. I will try to keep a stiff upper lip! See post 185 for what the sample waveform should look like.Originally posted by Impulse View PostThe board is still in one piece i have removed my soldering iron and i will get another (much better one). Old cart thank you for your patience i really want this to work as we have spent a good amount of time on this i thought all was lost, i don't want to waste all the time that you have put in to help me.
OK the battery voltage is 11.5V
Pin2 CH1 Pin4 CH2 here [ATTACH]35381[/ATTACH]
At the moment I am at a loss as to what to do other than trying another 40106. I spent some time looking at your top and board pictures and they look fine. unless you can take even better pictures we are stuck there. It is possible that I could be missing something because I can not read or test resistor/cap values. We could try an in-circuit measurement of the board with the 40106 removed, if you are up to it.
Also, still need to measure the regulator outputs 78L05- 79L05 out pins relative to ground. Use your multimeter but be careful not to short the output.
I also suggest you charge your battery, it is getting low.
Comment
-
Impulse, after having a look at the copper side of your pcb, the first thing I would be doing is cleaning the flux off
by useing a soft brush and denatured alcohol, IE methylated spirits let dry and clean again any remaining residue, a clean pcb is a happy pcb
thick flux can sometimes do strange things on PI's
Comment
-
This looks like the damping resistor has either burned up or become unsoldered.:<(Originally posted by Impulse View PostOld cart thank you, and out of curiosity i had a look at pin6 of the 5534 and this is what i got since playing with the soldering.
here [ATTACH]35382[/ATTACH]
Looks like you also went back to using x1-GOOD SHOW, you are learning! I thought the x10 was causing loading problems. It was not and making the signal smaller only succeeded in adding more noise.
Comment
-
ok i have measured the damping resistor and i get 2.1ohm (AH!!!!) i will replace it once i get a new soldering iron as my last one no longer functions as it should
(should be tomorrow)
is this one ok ? https://www.machinemart.co.uk/p/drap...ering-station/
Comment

ok 5.067v78l05 5.020v79l05 batt 11.45v
Comment