Announcement
Collapse
No announcement yet.
Announcement
Collapse
No announcement yet.
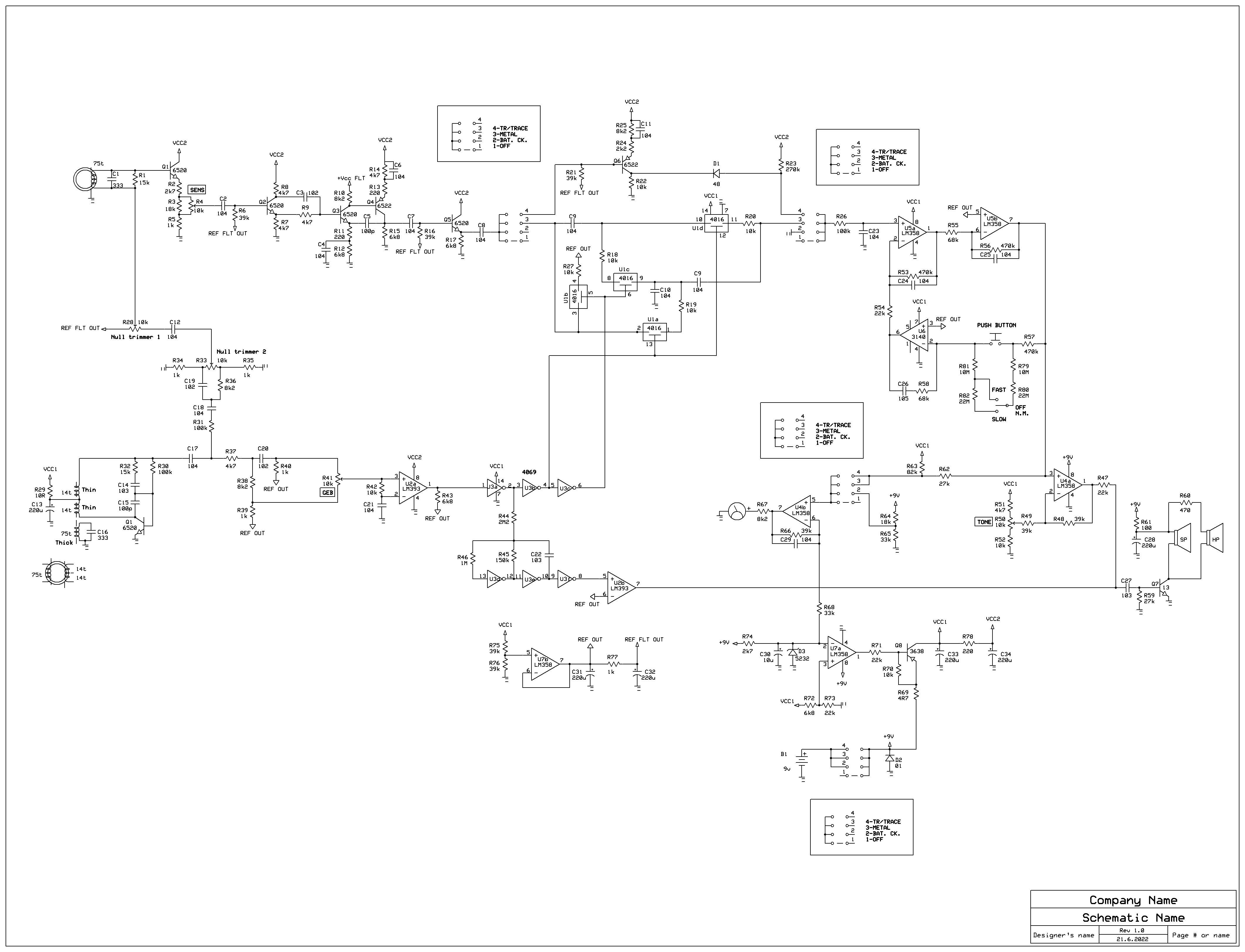
TF-900_TM800
Collapse
X
-
Now after all this work and effort, I am 101% sure that I would never publish this work in public.Originally posted by ivconic View Post... Once I finish TF900 and am 100% sure it is in great shape and working good; I will prepare the documentation for forum publishing, of course...
But... I already promised I would... and I'm a man of my word.
Enjoy.
Who knows why that is good!?
Comment
-
I did the similar reversing on TM-808, a while back ago.
Looking now at this DTF-900 schematic... it looks so obscure comparing to TM-808.
But! Don't let that fool you!
In a searching for larger metal masses burried deep into ground; DTF-900 will to the job just right.
But if I want now to make one of those; I would rather pick TM-808 to make.
Reality checks; naaaaa... I am to lazy to make any of those now!
This one is only been here for servicing.
Now is packed and waiting to be shipped to the owner.
...
This all is just collateral in my attempts to make my own fully non motion detector.
On the other topic i posted White's Coinmaster 5000, reversed too.
For those interested...
Comment
-
"In room conditions, it is impossible to test the detector well, especially not the 2box."
I assumed you would have to go outdoors somewhere, because of the metal interference, the EMI. I to am limited at home, EMI from many radio antenna on top of a water tower is one source, as well as the general domestic noise of an urban environment.
---
It's interesting that the loops are not square, it seems like it's intentional ( and not for packing purposes ). This makes me wonder if elliptic loops would be the optimum shape, if it were possible to manufacture such a shape. An octagonal shape would be more practical to create, though.
Comment
-
I'd expect somewhat more than half a turn because the loop goes mostly at a distance from the core. K of 0.85 to 0.9 seem about right. The whole thing may be observed as a inductively coupled bandpass filter, and that may be the way to simulate the effective enlargement of the loop due to the resonance. If such a system is observed as a transformer, a resonant tank in the secondary would be observed from the primary as a heavy load limited only by its resistance.Originally posted by Qiaozhi View PostSince the loop is a single turn, it will act as a short-circuit when added with coupling coefficient of unity. In that case the circuit fails to oscillate. However, it is also clear that the loop is not tightly coupled to the core, which is why I set K to 0.85. This is a bit of a compromise, because trying to couple the loop separately to the core with a different K value doesn't work as this represents a non-physical winding configuration to the simulator.
Comment
-
-
Thanks!Originally posted by Qiaozhi View PostEpic work!
In same week I did DTF900 and White's Coinmaster 5000.
DFT900 is packed and to be shipped in monday.
WCM5000 is my own, got it broken and now am fixing it.
Right at this moment I am populating the pcb back, with good components.
All the transistors and resistors are back.
Enough me taking a pause... let's back to work!
I am restless to see the CM5K in action!
Comment
-
I bought aluminum tubes and rods.
And on the ads I also found a hand tool for bending pipes, with 6, 8 and 10mm options.
Unfortunately; 10mm aluminum bar is too strong and hard to bend with this tool.
The tool is strong enough only for "thin-walled" copper pipes.
I only realized that today when the tool arrived.
So I'll have to get some professional help from a tinsmith who has professional tools.
Comment
-
Your pcb looks great.
Use heat to bend your aluminum
https://www.youtube.com/watch?v=llpw...l=MikeFnGarage
https://www.youtube.com/watch?v=wscp...l=ShaneWhalley
Comment
-
Thanks!Originally posted by Alexismex View PostYou have a lot of bending machine in the web for inspiring you to make one , 30 years ago i make my own machine[ATTACH]57717[/ATTACH][ATTACH]57718[/ATTACH] to bend aluminium profil for making parabolic dish !!! it is not complicated.
I need simplest one for bending only these rods into "antenna" shape.
Will figure out something.
Comment

Comment