Hi Ivica,
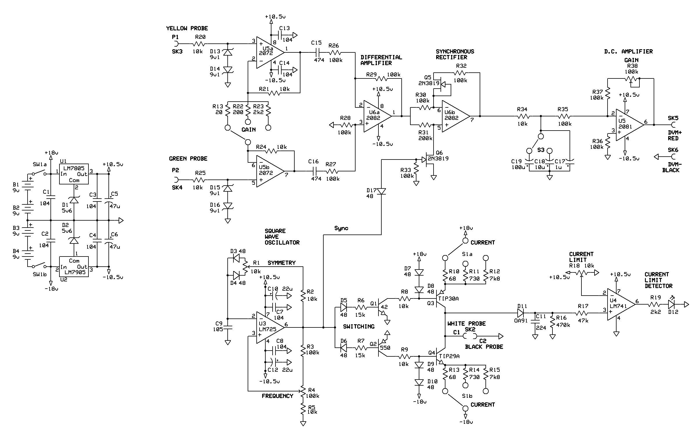
The "magic" 137.5 Hz /2.75x50Hz/ is most popular frequency used in Lock-In Amplifier based RM systems.
This frequency provides very good rejection of 50Hz.
The RM85 resistance meter use the following operating frequencies:
17.5, 20, 22.5, 35, 40, 72.5, 80, 85, 90, 122.5, 137, 140, 142.5 Hz.
Frequence = k x 50Hz.
k = 0.35, 0.4, 0.45, 0.7, 0.8, 1.45, 1.6, 1.7, 1.8, 2.45, 2.75, 2.8, 2.85
Frequencies provides rejection of 60Hz.
21, 24, 27, 42, 48, 87, 96, 102, 108, 147, 165, 168, 171Hz.
RM85 Resistance Meter by Geoscan Research
http://www.geoscan-research.co.uk/RM...Data_Sheet.pdf
The "magic" 137.5 Hz /2.75x50Hz/ is most popular frequency used in Lock-In Amplifier based RM systems.
This frequency provides very good rejection of 50Hz.
The RM85 resistance meter use the following operating frequencies:
17.5, 20, 22.5, 35, 40, 72.5, 80, 85, 90, 122.5, 137, 140, 142.5 Hz.
Frequence = k x 50Hz.
k = 0.35, 0.4, 0.45, 0.7, 0.8, 1.45, 1.6, 1.7, 1.8, 2.45, 2.75, 2.8, 2.85
Frequencies provides rejection of 60Hz.
21, 24, 27, 42, 48, 87, 96, 102, 108, 147, 165, 168, 171Hz.
RM85 Resistance Meter by Geoscan Research
http://www.geoscan-research.co.uk/RM...Data_Sheet.pdf

; // 16 bit timer
Comment