Announcement
Collapse
No announcement yet.
Announcement
Collapse
No announcement yet.
2nd Chance PI
Collapse
X
-
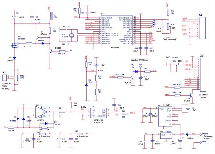
Can we have the layout to compare , As I am unable to initialise it
Originally posted by walkman View PostHello friends
My best friend mustafa, made chance rev2.
With his new design pcb.
I add the pcb pictures he made and the video he shoots.
Good looking
https://www.youtube.com/watch?v=AdzgmCRVShM
Comment
-
Hi Dantech!Originally posted by dantech View PostAt the moment the code is practically rewritten by me, timings are changed and some hardware changes are issued also. Since now my releases
will be called "2nd ChancePI" to distinguish from base project called "Chance PI"
I have to point out that every my software release has roots in the project called ChancePI/AndyF.
Thank you AndyF for you hard work.
2nd ChancePI v001
http://chomikuj.pl/dantech/2nd+ChancePI
Sorry but I don't understood if do you have written the new code from zero or do you get the source code from AndyF and after you have modified it.
Please can you explain if is it the first or the second?
Thank you.
Comment
-
I realy dont understand why not sharing the source code for a non comercial DIY project.
I feel the same about KROT2 and QUASAR. Is it a coïncidence or not, those 3 projets come from Russia !! Strange ?
The author of PICKINI has shared everything about his project.
If i make a free software, i'll share to all of you on the forum cause that's the goal of it.
Comment
-
Simple answer.
It works quite well and there is serious risk to abuse rights for commercial purposes.
Like you know 2nd Chance PI has anti commercial lock implemented.
There was hundreds hours spend to develop project.
That is my decision and I shall not change it.
Everyone can use it for personal purposes but commercial purposes are strictly forbidden.
If someone has some idea regarding functionality, just write here. If it will has sense I shall try to implement it.
BTW. 2nd Chance PI comes from Poland but has the deep roots in Russia.
Comment
-
Like I said earlier that is not true the pickini or barracuda works as dynamic MD.
Both works in the same way as 2nd Chance PI
So stop repeat the strange "truths".
Here is proof:
https://www.youtube.com/watch?v=Me5QFDXo-II
https://www.youtube.com/watch?v=xILHzZQlFM4
Comment
-
I apreciate your work a lot and i understand your reasons. Each person think different and i respect that.Originally posted by dantech View PostSimple answer.
It works quite well and there is serious risk to abuse rights for commercial purposes.
Like you know 2nd Chance PI has anti commercial lock implemented.
There was hundreds hours spend to develop project.
That is my decision and I shall not change it.
Everyone can use it for personal purposes but commercial purposes are strictly forbidden.
If someone has some idea regarding functionality, just write here. If it will has sense I shall try to implement it.
BTW. 2nd Chance PI comes from Poland but has the deep roots in Russia.
If i had the code, i'll modify the audio output to feed a vibrator.
Comment
-
I mean when chance sensor near metal object it would not stop beeping, right? Not with Baracudda and pickini, the md only beeping when you move the metal object.Originally posted by dantech View PostLike I said earlier that is not true the pickini or barracuda works as dynamic MD.
Both works in the same way as 2nd Chance PI
So stop repeat the strange "truths".
Here is proof:
https://www.youtube.com/watch?v=Me5QFDXo-II
https://www.youtube.com/watch?v=xILHzZQlFM4
Why im asking this?? im already make attemp to make baracuda to be a non motion but the result is always beeping above the ground, and many non motion detector always behave like this, thats why...
Comment

Comment