Announcement
Collapse
No announcement yet.
Announcement
Collapse
No announcement yet.
TL12000
Collapse
X
-
-
Dear haylaz0036
l don't know to say about other schematics. But all TL12000 version I tested. All TL12000 schematics have one big problem, it sound section ( voltage controlling oscillator VCO) very week. Also both schematics no complete coil details ( including inductance and real frequency value). They're are very important things to eliminate iron objects. But my modification method are true and tested my me several times. If you can't believe my words what to do me ?
Comment
-
Hi,
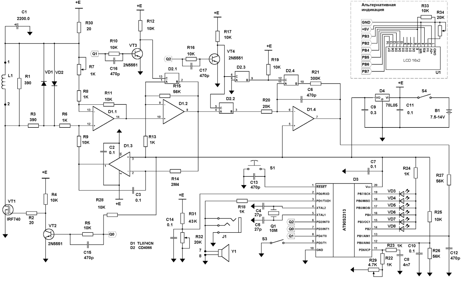
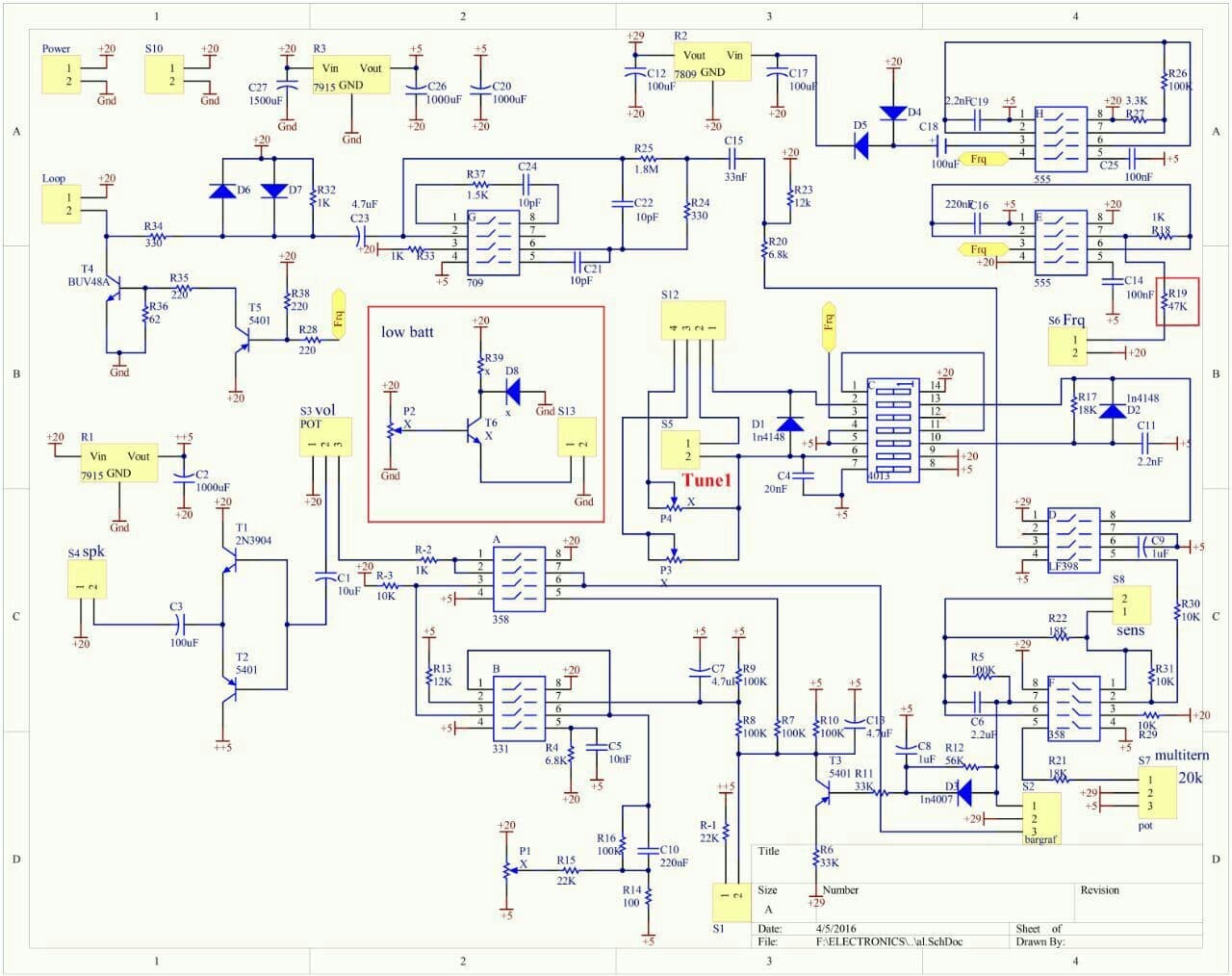
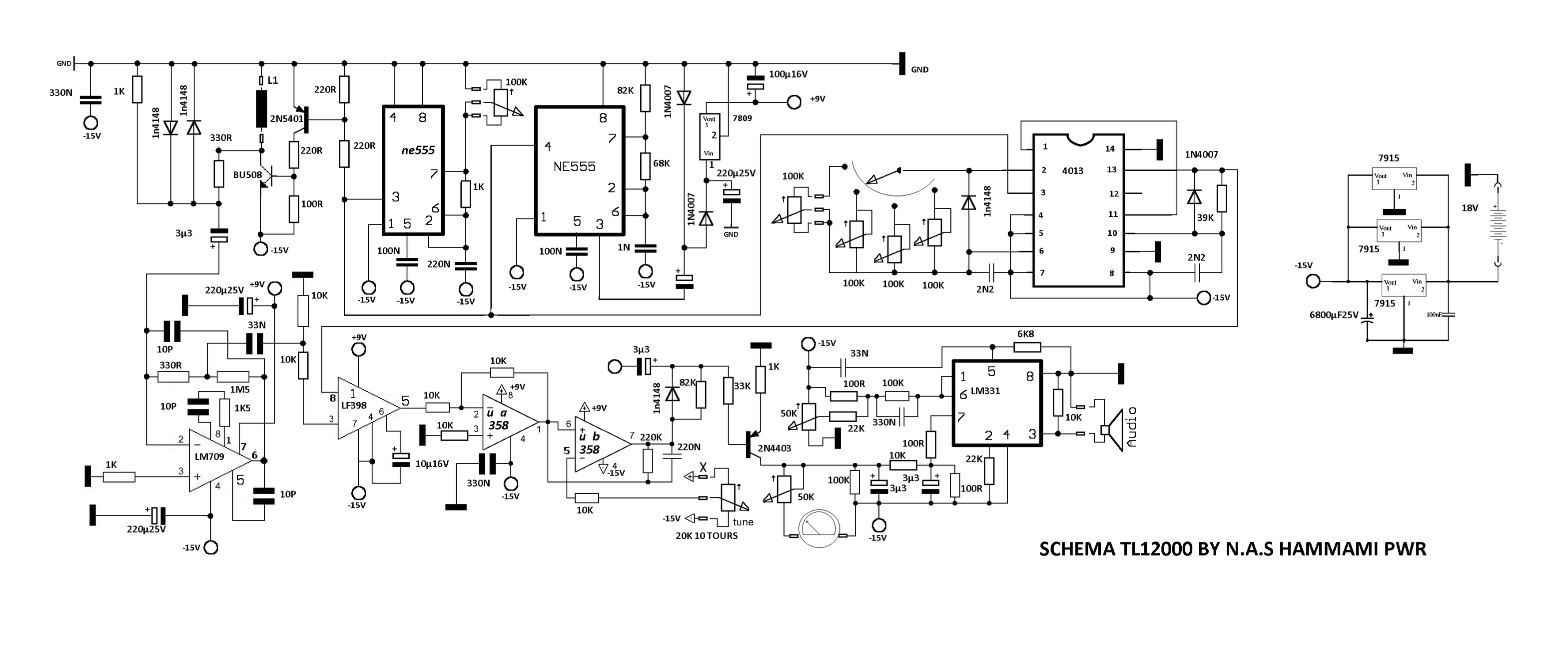
To add to the confusion surrounding the TL12000 schematic, here are my internet finds. This is a "collection" of various TL12000 schematics that I have found so far. In addition to all the different schematics, I have also seen many different PCB designs an everybody who made them claimed that they work good.
So haylaz0036 on which of the above schematic based your PCB?
Comment
-
Important Facts.
1] I have tried many many transistors. but i god better results with BU508A Transistor. Didn't use BU508D transistor because it internal diode.
2] All nf capacitors are 50 or 100 volt mylar or polyester capacitors.
3] 10pf capacitors are ceramic [ i use multilayer ceramic because it is better ]
4] All resistors 1% metal film.
5] Please set the frequency 400Hz. If it is increased to 700Hz, there will be more sensitivity to small objects, but the energy of pentherating the earth will decrease. If it is less than 300Hz , the iron object will not reject well. Most people have good results with 400Hz frequency.
6] 400Hz frequency must be prepared before you attach the search coil to the circuit. [ Need setting the NE555 ic 3 pin output frequency without coil ]
Comment
-
7] You need LM2596 DC to DC voltage converter to supply 18 volt because sensivity is decrease when battery voltage is down than 18 volt.
If you setup the circuit and search coil according to this information, you can reject iron with a resistance of 50K - 65K. I got that results at the 50.5K resistance.not only iron but some brass object too. of course. all metal at the 74K or 220k resistance.
Once you find the correct value of iron rejection , you can remove potentiometer and replace it with the 3 pin toggle switch. Like this
Attached Files
Comment
-
My machine details
400Hz frequency, 520uH inductance coil, loop diameter 30cm, 0.50 mm [ 25 SWG ] thick copper coil, Iron rejection resistor value 50.5K and all metal mod resistor value 220K . It can detect 45 cm deep for 7cm diameter lady large gold ring [at the rejection mod air test ] it fully rejected large hammer without any problam at this moment.also it didn't sensitive ground mineral , graphite and wet soil, rocky ground.
Comment

Comment