Originally posted by 1843
View Post
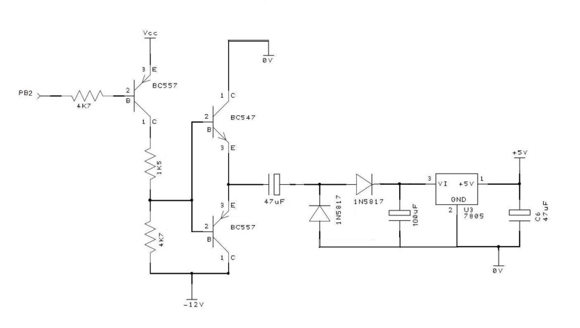
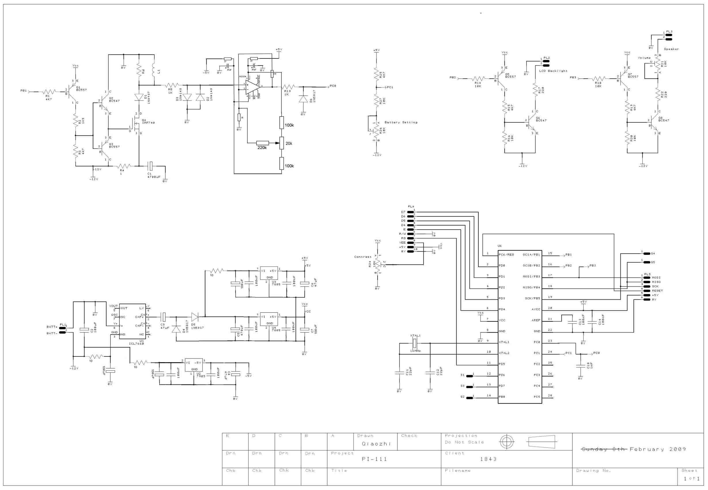
Try replacing the 7660 with a discrete BJT DC/DC converter or mosfet driver IC DC/DC converter. This will definitely help.
Aziz


I cannot stay awake anymore...
Comment