Announcement
Collapse
No announcement yet.
Announcement
Collapse
No announcement yet.
Serbian "Most Wanted"
Collapse
X
-
What about this kind of front end modification ...
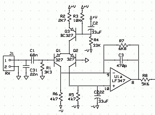
I did not try this particular solution in Spice, let alone in practice, but It seem promising. I think Q3 can also be substituted with a simple resistor because the CMMR will take care of noise. I already played with this solution in a full differential input configuration, but it must work fine in single ended configuration as well, even with less noise. With 327's I'd expect ~1nV/sqrt(Hz)Attached Files
Comment
-
It is 2K7, sorry for the mistake!Originally posted by smity View Post
Possibly yes. It is also good solution.
You can change R37 value or put trimmer instead to see the difference.
Also i think that 555 stage can be improved further.
Comment
-
Comment
-
It was not a test but an abuse
Such "tests" are usually performed on LRLs or any other technologies you desperately want to show they are not working
Judging from the snow on the floor, and lack of contrast, there was no sun light there. I'd expect static to build up by virtue of photoelectric effect, and the ground-sky electric field ... both not present at cloudy weather.
Otherwise, congratulations on a very tough coil, and please say delays are not as severe as in a video
Comment
-
Hello!Originally posted by hungarry View PostDear Mateatek! Im hungarian man. Your coil is Tesoro? If tesoro coil building, not good in water. Probably Minelab Ts 800, or TS1000. Sorry, but my English very bad. Kereslek a HE-n. OK?
This coil not Tesoro, but homemade.
HE-n beszéljünk.
Comment
-
Hi.
Before some days i began to construct a Caesar. Long time ago i constructed another one but i gave it to a friend. Now i have a problem with the GB adjust....
If somebody has a dual channel oscilloscope i would like to to take a photo with one channel connected at pin 9 of 4053 and the other channel at pin 1 or pin2 of 4053. With this way i want to see the phase shift between GEB signal and receiver signal so to understand why GB don't adjust well.....
Regards
Comment
-
Hi.
A friend gave me a Caesar to repeir it. It has your pcb and i saw
that there are errors!!!!!!
First the pin9 of the first Op.Am LM347 must connected directly to bc547.
Second pin16 of 4053 is on "air". It must connected to +V.
Thirth... pin4 from 4053 is connected to +V. You must cut this bridge....
If i will find other errors i"ll inform
Comment
-
You are wrong. I want you to show me where the errors are and I want to check you PCB. The PCB is working properly and I have not seen any error. I have also attached the schematic so you can review it more attention. I've never posted on this forum something that is not proven.Originally posted by Geo View PostHi.
A friend gave me a Caesar to repeir it. It has your pcb and i saw
that there are errors!!!!!!
First the pin9 of the first Op.Am LM347 must connected directly to bc547.
Second pin16 of 4053 is on "air". It must connected to +V.
Thirth... pin4 from 4053 is connected to +V. You must cut this bridge....
If i will find other errors i"ll inform
Attached Files
Comment

Comment