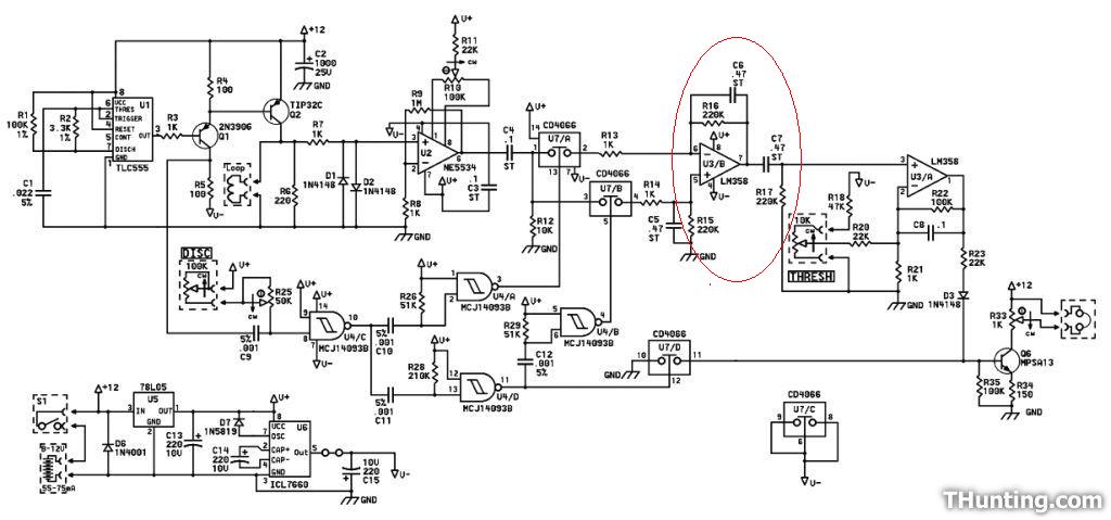
hello nelson would be helpful if you post a picture or set a link for picture download
the first long pcb i made had the mistake that i have changed two resistors because they lay near each other and before placing the i talk with my wife and after i stacked them changed grrrr- could tune all pots and it works but i had a bad detection range after second board i have realized the mistake because i want to do it like the first time the socond board runs fine after that i repait my first one watch also for solder that swapped over to another solder point (some solder points are nearly together could be you shorten something)
i have already finished two single sided pcb (oxygen version) but both dont work
i got a light sound but nothing happens when i couple coil and turn the pots
the 78l05...? get hot after ten seconds the oxygen board is devilish
the first long pcb i made had the mistake that i have changed two resistors because they lay near each other and before placing the i talk with my wife and after i stacked them changed grrrr- could tune all pots and it works but i had a bad detection range after second board i have realized the mistake because i want to do it like the first time the socond board runs fine after that i repait my first one watch also for solder that swapped over to another solder point (some solder points are nearly together could be you shorten something)
i have already finished two single sided pcb (oxygen version) but both dont work
i got a light sound but nothing happens when i couple coil and turn the pots
the 78l05...? get hot after ten seconds the oxygen board is devilish




Comment