Originally posted by dbanner
View Post
Announcement
Collapse
No announcement yet.
Announcement
Collapse
No announcement yet.
Whites Surf PI schematic
Collapse
X
-
KT315, I have entered my country in my profile.
Here is a very nice cover of this magazine. It would be nice to blow up into wall poster size.Attached Files
Comment
-
DB, i can give you torrent file and you can load all soviet magazines RADIO for whole time, 38 GB.Originally posted by dbanner View PostKT315, I have entered my country in my profile.
Here is a very nice cover of this magazine. It would be nice to blow up into wall poster size.
can you give me YOUR torrent file on your magazine?
Comment
-
Originally posted by kt315 View PostDB, i can give you torrent file and you can load all soviet magazines RADIO for whole time, 38 GB.
can you give me YOUR torrent file on your magazine?
All EleKtor magazines are available free for download from here: https://www.americanradiohistory.com/Elektor.htm
I would be interested in Russian magazines, but I don't see myself downloading a 35GB file. Maybe you could make a smaller file with a best collection of the Russian magazines. The ones you consider to be outstanding or useful to our hobby.
Comment
-
I would have asked you ... better if you also delete the photos of the kids, I don't think he asked permission to the parents to publish them, I don't know how it works in Ukraine or Lithuania, but in the rest of the world it's a question of privacy, they are minors, better if you cancel them!Originally posted by Carl-NC View PostI have deleted the sniping. Please stop.
Comment
-
fill your account. we must see your country in your profile if you do statements related to the kids.Originally posted by plinio View PostI would have asked you ... better if you also delete the photos of the kids, I don't think he asked permission to the parents to publish them, I don't know how it works in Ukraine or Lithuania, but in the rest of the world it's a question of privacy, they are minors, better if you cancel them!
Comment
-
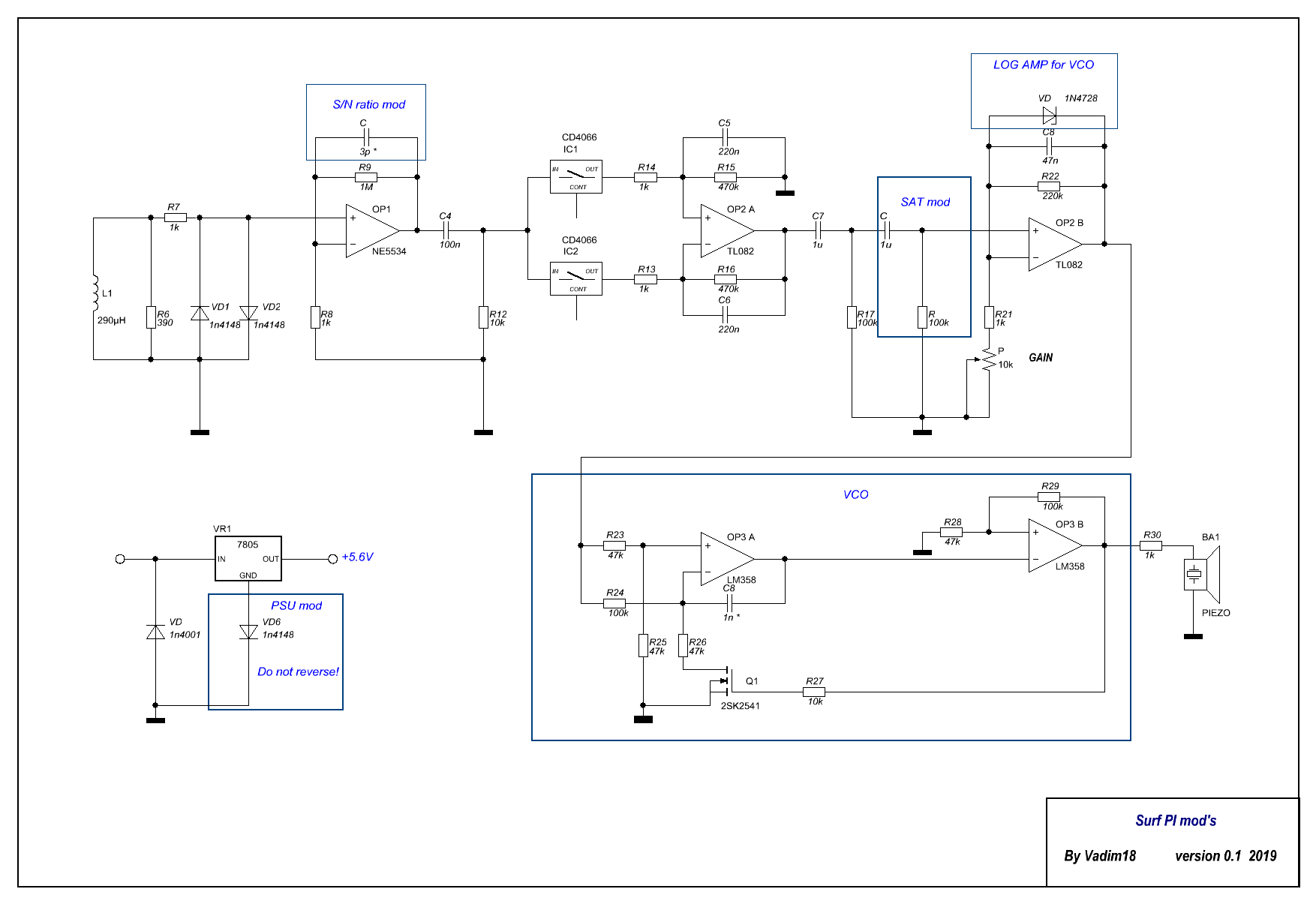
Hi to all!
Time to write my first post at this wonderful forum)
I will try to be useful.
I build my version of Surf PI in 2016, it was a great start point to dive in world of pulse induction machines.
First start was not succesfull and at second time coil was not so good.
Now, with 14.5 cm coil i can clearly detect 23mm coin (1mm thin allu-bronse alloy) at 27 cm, untill it reaches 30 cm distance.
My coil: 290 uH, 1 Ohm, 14.5 cm
Damping resistor: 390 Ohm
My mod's:
1. I limit the bandwidth with 3 pico cap in series with feedback resistor at main amplifier stage, to get more S/N rate.
2. Modified the SAT path by simly doublling the order of filter, as result i reduce a low frequency noise and get more stable treshold
at hight gain. This modification also help to cut a little bit ground noise - main problem in this machine...
3. Added, a conventional VCO on lm358, to get more audible information about target.
4. Pull up power to nearly 5.5 volts at positive and negative rails by adding bias diode to pin 2 of 78l05 (with catode to ground!)
The main problem still ground noise, but in our location the are places with low ground mineralisations to.
I already read some forum threads and hopely try to make some mods later.
Comment
-
Thanx fo reply Guru, i will do that as soon as possible.Originally posted by 6666 View PostHi Vadim18, you have a good working project, always good to hear of success with the surf PI, if you have any circuits that you can post about your mods please do so, so we can all learn about your machine.
Comment

Comment