Hello friends!
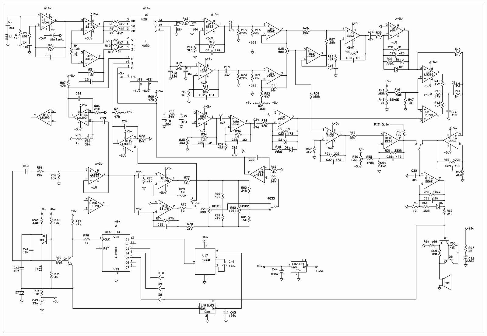
This is almost the whole scheme of the analog part of Tejon. if
anyone have information about missing values of the capacitors let's share them.
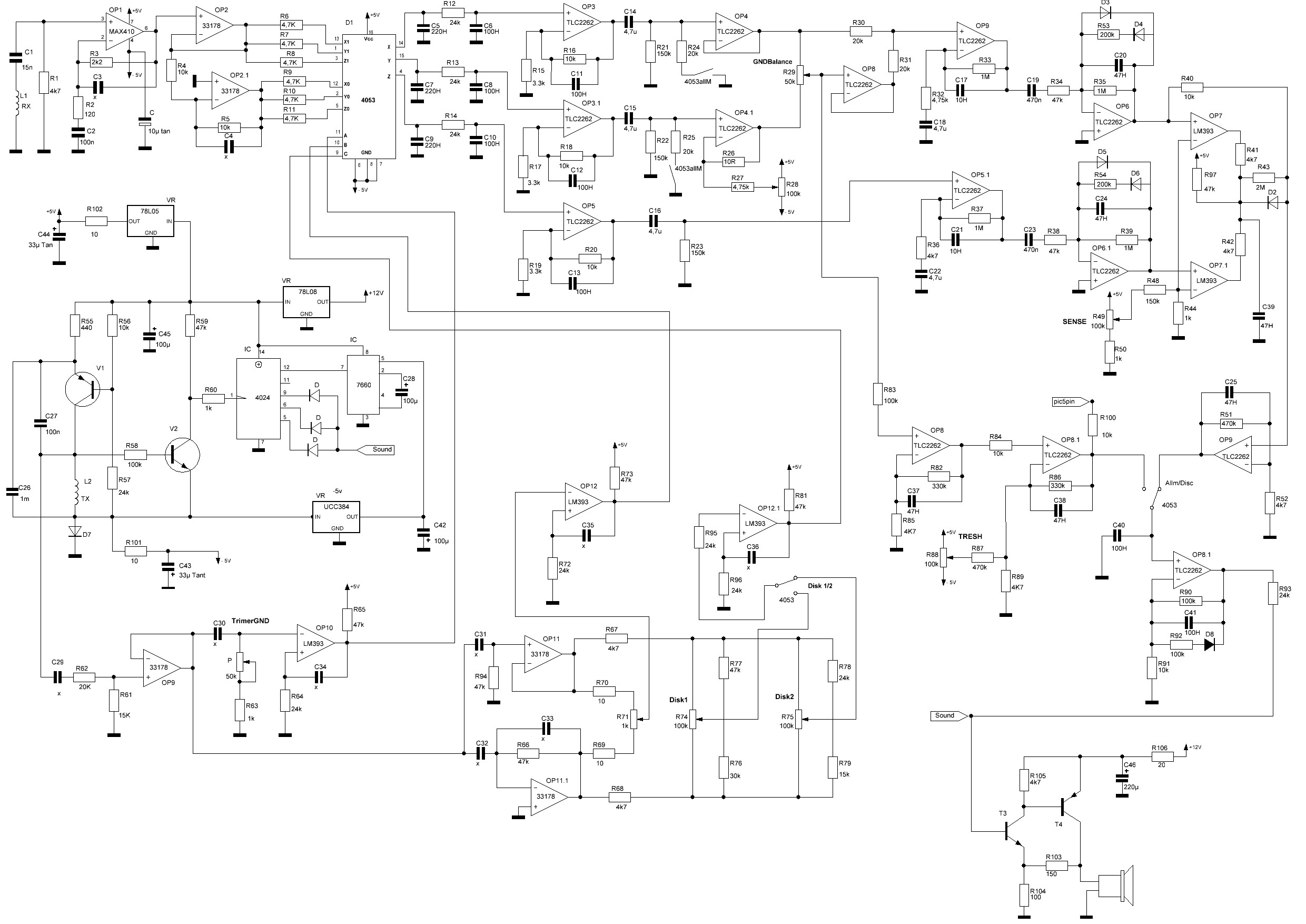
This is almost the whole scheme of the analog part of Tejon. if
anyone have information about missing values of the capacitors let's share them.

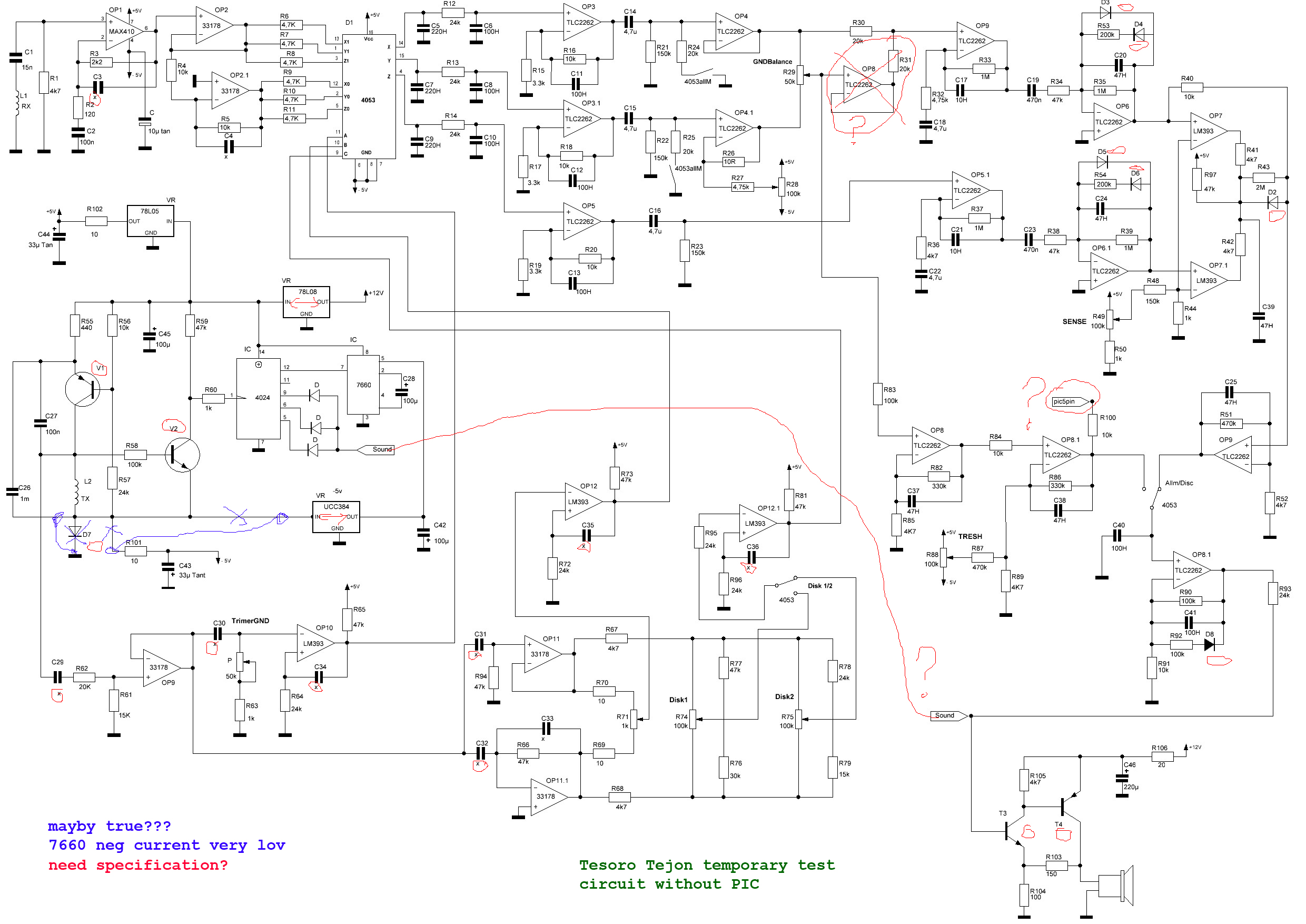
Comment