Originally posted by CDI
View Post
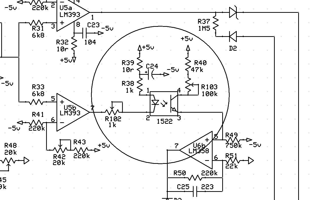
"C" is optocoupler.
"E" is inductor.
For "E" you can put simple wire junction.

Thank's.


Comment