i think for the quartz you can make 555 with the same frequency for mod
Announcement
Collapse
No announcement yet.
Announcement
Collapse
No announcement yet.
TM 808 White's
Collapse
X
-
What means "555"? I have ordered the original quarz with 26.27 kHz (or something like that) and i got it! Funny.
But @ wubian:
I also try to build it. I made my board on my own and used the latest pcb. I hope it was the right one. I ordered the most of the parts and will start in a few weeks to solder. Im also not sure about the coils. If it doesnt work, its maybe interesting to order them too... about 250€.
But let us know about your progress... there are not many people, trying to build this detektor.
regards
Comment
-
i used the ones on the following side:
http://www.geotech1.com/forums/showt...-White-s/page2
and i hope they are the right ones.
Comment
-
hi
I was waiting for somebody reply on my question. I dont understand why nobody active on this topic, so I guessed there must be a problem on schematic or other materials. but If you want to make it, I want too...
in my country I can do, and have an access to many things. are you ready for co-operation? I think your pcb is for the old schematic. so tomorrow I give latest schematic to an engineer and ask him to make a pcb for me.
so could I ask you to send your part list of TM-808 for me? If yes please use the latest schematic's link that I wrote in my previous post and send it for me and I can buy all of them tomorrow too.
another thing is that I wanna make GPR and I'm very serious about it. but I have big problem, my english is very bad and I cant find references by myself. are there any one who want to start a gpr project together?
Cheers
Comment
-
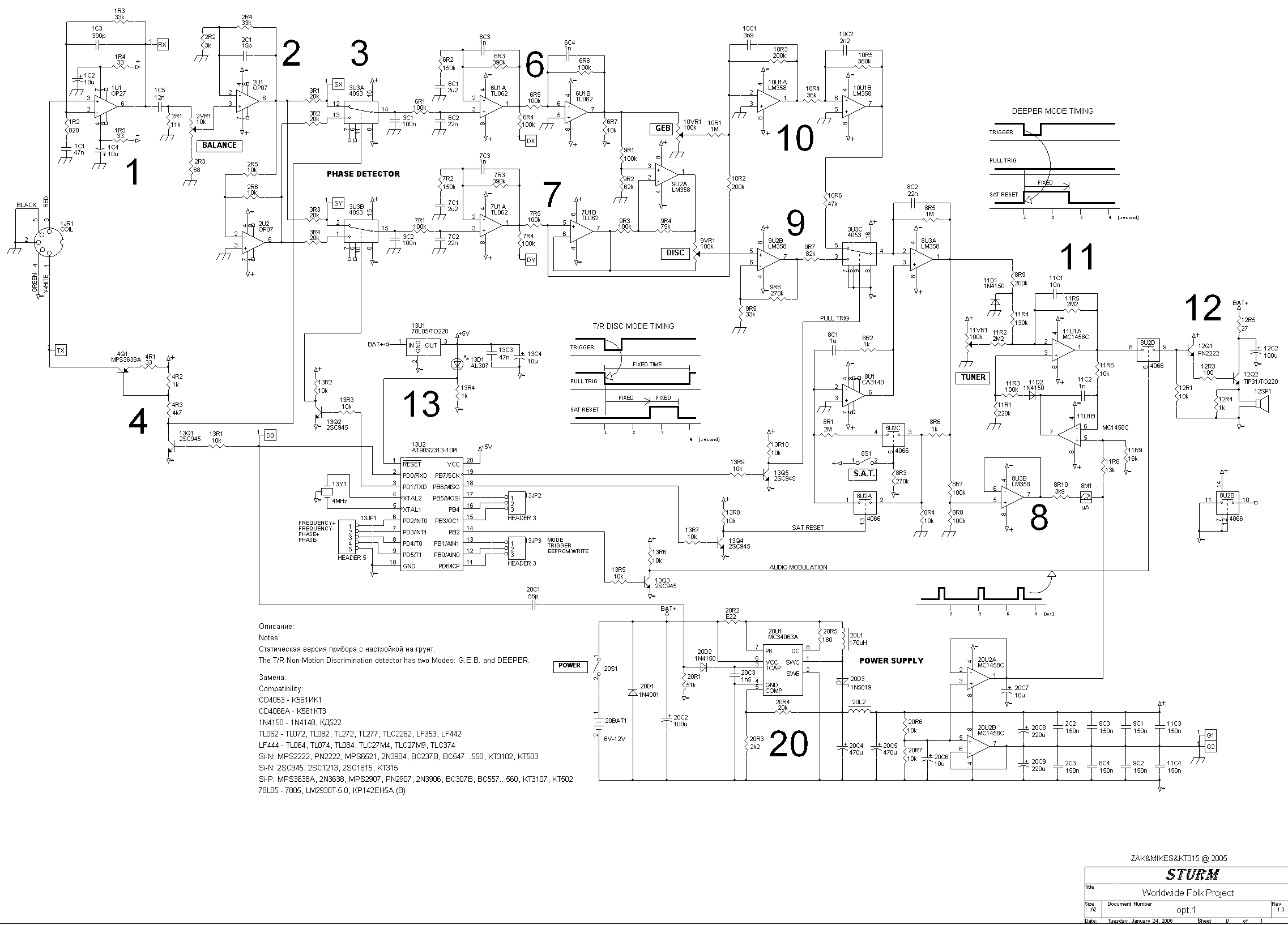
I had shared this schematic many times. you can do the TM-808 with ANY frequency.Originally posted by chafik View Posti think for the quartz you can make 555 with the same frequency for modAttached Files
Comment
-
@ kt315: thanks for sharing... are there many differences between your shematic and this one?
in some other posts, the people (and so i) thought, its the right one.... its the earliest one i think with Cave-mode. I just dont understand the explanations in your last shematic: T/R Disc Mode timing, Deeper Mode Timing and the third unnamed one.
@ wubian: i´ve a lot of work to do at the moment, so i won´t have much time for the project. A cooperation is allways interessting... But if my PCB is old, it wouldn´t help much to send you my (incomplete) parts-list (which i would first have to write on PC). I ordered the things just to get started and to check the real difficulty of the project. If kt315 says, that his latest shematic is the same as mine, i´ll continue the project. If not, it would be a pitty and a too big waste of time for copying this 808 and maybe i´ll buy it somewhere used or new. But by the way... from what country are you from?
greets
Comment
-
Hello.Originally posted by schpeedy View Post@ kt315: thanks for sharing... are there many differences between your shematic and this one?[ATTACH]23042[/ATTACH]
in some other posts, the people (and so i) thought, its the right one.... its the earliest one i think with Cave-mode. I just dont understand the explanations in your last shematic: T/R Disc Mode timing, Deeper Mode Timing and the third unnamed one.
@ wubian: i´ve a lot of work to do at the moment, so i won´t have much time for the project. A cooperation is allways interessting... But if my PCB is old, it wouldn´t help much to send you my (incomplete) parts-list (which i would first have to write on PC). I ordered the things just to get started and to check the real difficulty of the project. If kt315 says, that his latest shematic is the same as mine, i´ll continue the project. If not, it would be a pitty and a too big waste of time for copying this 808 and maybe i´ll buy it somewhere used or new. But by the way... from what country are you from?
greets
I want to construct TM808.
The schematic is correct?
Construct one's tm808;
And if it is good to, you can upload all the files together, pcb etc
to built this detector.
Thank wait your answer.
Comment
-
-
Please read the forum rules -> Basic Rules of the ForumsOriginally posted by mj620 View Post
and make your posts in English.
Comment
-
Comment
-
Hello, this thread is pretty dead, and is not clear that if anybody succeeded with tm808 schematic
. Also I am very interested to build TF900, because the patented version work with 110KHz oscillator, and people in many forums says it is best 2 box detector. For reference in my understandings TM808 works with 13.85Khz, which is far different. Although it seems that Discovery made second version with 2 frequencies - 12.5KHz and 73.5KHz. If I have coils setup I think I can engineer similar schematic that do the same job.
regards
Georgi.
Comment
-
as veltex was gone... took a money and does not answer. bad.
so slbast made his LAY http://www.md4u.ru/viewtopic.php?f=65&t=9480
check it. enjoy.
Comment

Comment