If pin 8 and 9 must be connected to lm339
Announcement
Collapse
No announcement yet.
Announcement
Collapse
No announcement yet.
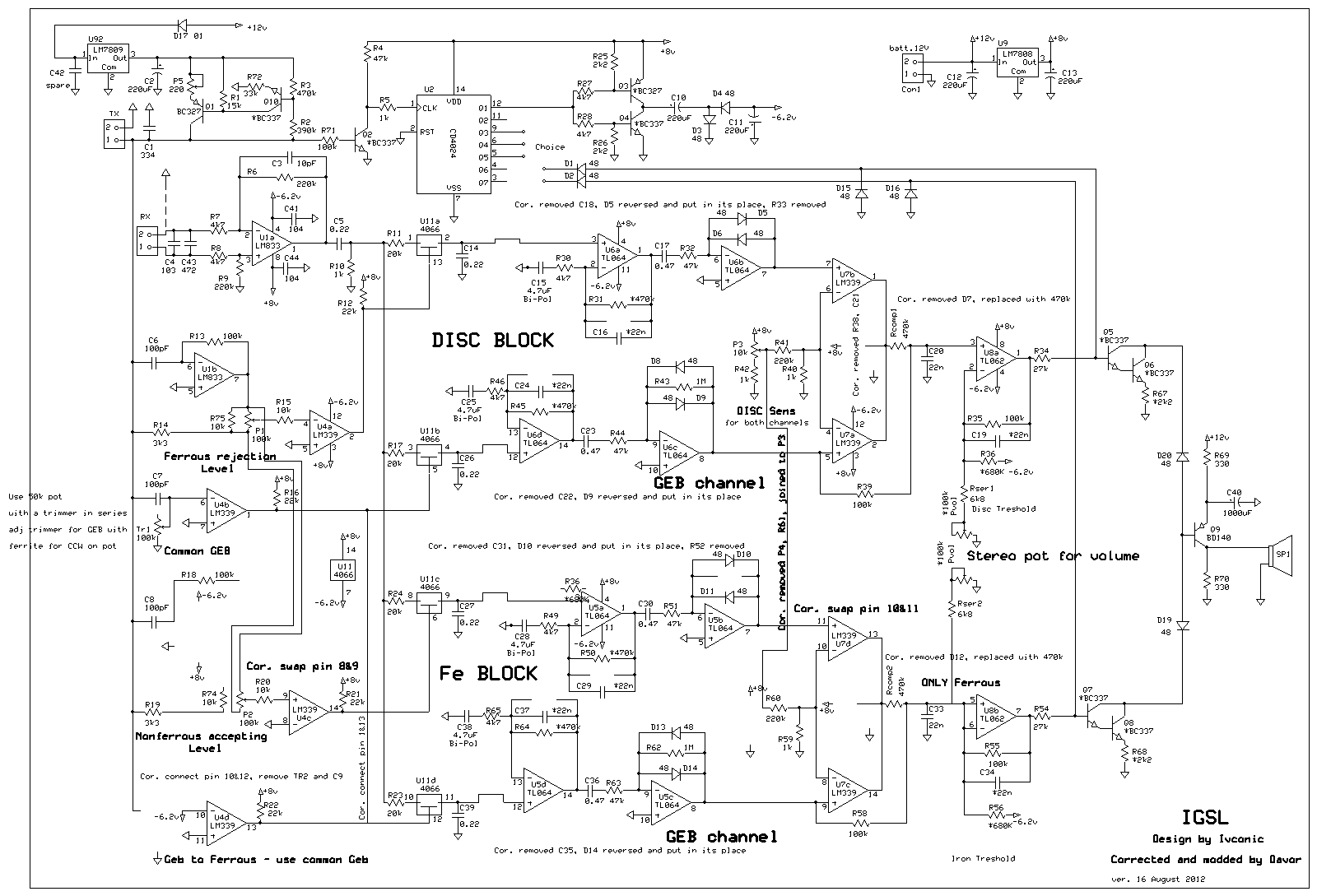
IGSL
Collapse
X
-
Swapping pins 8 and 9 is a part of a pin-swap mod which must be performed also with the other LM339. You may go with pin swap - which is beneficial for Fe detection - but common GB mod requires only pins 1, 10, 11, 13.
Complete mods are listed here with comments on what they do:Attached Files
Comment
-
You get a little better resolution for small targets, and you get a little smaller depth. Also a little smaller weight. Wire is not going to get significantly lighter, as for air coils the inductance is very closely related to wire length, hence ~the same weight.
Comment
-
whether, if I wear a size smaller diameter coil will decrease my depth but good for smaller targets, for now I wear 28cm diameter coil size for TX and RX 46omh 2.7 OMH and can only detect coin size 3cm brass sound is very clear just do not get in the 25cm 16cm in the air what must I do to be more sensitive than 25cm distance
Comment
-
A bit of tuning should do. First make sure your Tx is working fine, and just barely in saturation. Next see that your coil is properly balanced. Next see that your GB and Disc are properly set. Next tune the Sens just above the chatters. Next set Thr for smooth tone.
Comment
-
Very loud sound stands for overdone threshold setting. If you reduce it at threshold, you'll get more proportional and smoother sound. You can get even more proportional and nicer tone if you replace R36 and R56 with 680k resistors. Point is that many people like on/off loud sound. These changes are indicated in my mods, and can be applied without interfering with other functionalities. In case you intend to keep the sound as is, make sure the U8 is LM358, as it copes with large deviations from common mode better than many other opamps.
Comment
-
Can you make a photo of what you've got?
There are several places that may be in problem, and need some attention. First is always a Tx... and so on. If you already have 13cm, most probably your device requires only some adjustments. I wish to see a photo of what you got to have some idea.
Comment

Comment