Yes, it is FBS Slimline 10" delivered with the Explorer SE.
Announcement
Collapse
No announcement yet.
Announcement
Collapse
No announcement yet.
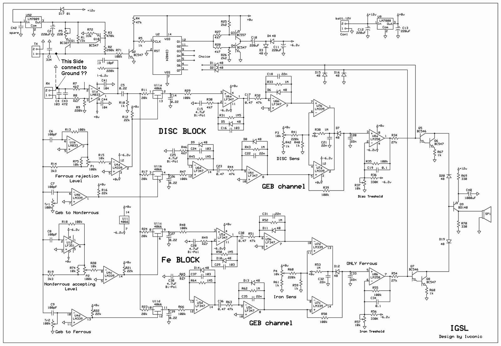
IGSL
Collapse
X
-
Here are the newest Video from my IGSL Musketeer with Lugatek VDI. On this Video you see the working Tone switches, and the foil discrimination....
https://www.youtube.com/watch?v=kAoA-ZQP45k
Regards
Firebox
Comment
-
Hello,
is it necessary to connect the Pin 2 from RX side to TX Ground??? on the IGSL Schematic i see a arrow which indicates to TX GND. Is it required to establish a connection between both sides ?? and what is the advantage or disadvantage of the connection ?
RegardsAttached Files
Comment
-
Tx coil is already drawn with connection to ground, but the Rx connection is optional.
If you ground the inverting side of the Rx coil, as you indicated, you'll benefit (a little) by reducing the input noise. In such case you'll benefit even more if you short the R8 resistor. Further improvement would require replacing R6 and R7 with 47k and 1k respectively to meet the LM833 input noise equivalent resistance.
In case you don't ground the inverting side, you'll benefit from differential mode operation and reduced "wet grass effect", but only in case neither of the coil connections are already connected to the ground. Most commercial coils are
This connection will have somewhat higher thermal noise. To improve this way of connecting a coil you need to make both legs impedances equal, so you'll wish to put the same 10pF capacitor in parallel with R9, same as C3 is parallel with R6. This promotes cancellation of common mode signals, e.g. the notorious "wet grass".
Comment
-
@ Davor
Thank´s for the hint. I have ground the inverting side of RX. After your changes, the IGSL is very, very stable in my noisy roam, without false signals. With this setup, it is possible to increase the gain on an other part of the IGSL. But where? The iron channel is extrem sensitiv (I have built the rig similar to the redox-Version), only the silver channel is a little weak, but not bad.
Comment
-
Gain is limited by saturation (of any kind). Preamp must be kept safely away from large swings on output because the remaining unbalanced Tx signal is several orders of magnitude larger than the target signal. It is a problem because THD becomes increasingly worse with rising amplitude, and Tx generated harmonics creep in as false target signals. You could try increasing gain of the preamp to, say 200, but there is no analytical way to say if it is going to be OK - you have to try it first. There are indications of improving the preamp THD by mere offsetting the op amp output to force it into A class operation. I did not try it though. I'll try current feedback preamp instead - it is constantly offsetted.
Same goes with the gain blocks. They are limited with 1/f noise, and hence the HPF corner is placed at ~10Hz. Below 10Hz situation is very bad, and it is good to keep it at bay with HPF and moderate gain per stage. More gain can be produced by op amps with low 1/f corner, only those are quite pricey. Something that was not tried yet in metal detectors (at least not that I know of) is employing chopper stabilised DC amplifiers. Those are also pricey, but can be emulated with relatively modest effort using bilateral switches. I'm afraid these are beyond IGSL.
Comment
-
Hi Davor,Originally posted by Davor View PostTx coil is already drawn with connection to ground, but the Rx connection is optional.
If you ground the inverting side of the Rx coil, as you indicated, you'll benefit (a little) by reducing the input noise. In such case you'll benefit even more if you short the R8 resistor. Further improvement would require replacing R6 and R7 with 47k and 1k respectively to meet the LM833 input noise equivalent resistance.
In case you don't ground the inverting side, you'll benefit from differential mode operation and reduced "wet grass effect", but only in case neither of the coil connections are already connected to the ground. Most commercial coils are
This connection will have somewhat higher thermal noise. To improve this way of connecting a coil you need to make both legs impedances equal, so you'll wish to put the same 10pF capacitor in parallel with R9, same as C3 is parallel with R6. This promotes cancellation of common mode signals, e.g. the notorious "wet grass".
I'm always interested in learning a little something new. Can you explain how replacing "R6 and R7 with 47k and 1k respectively to meet the LM833 input noise equivalent resistance" is arrived at? (in the single ended mode) . Is it simply lower thermal noise of smaller resistors?
I have been looking over the LM833/LF353 datasheets trying to see if I can enhance my understanding of how the original resistor values for R6 and R7 were chosen.
Thanks..
Don
Comment
-
Hi,
it is not complicated. Johnson noise of a resistor is related to square root of it's resistance, more precisely it is 0.13*sqrt(R)*nV/sqrt(Hz)
thus 1k resistor gives off noise at ~4nV/sqrt(Hz)
Now, noise matching is a wee bit counterintuitive, as noise addition does not function same as signal addition (therefore square root of the sum) and it is generally accepted that it is fine if both source resistance noise, and a preamp noise are about the same.
LM833 is rated differently, and at best it says ~4nV/sqrt(Hz). Supplying it with source resistance which is noisier than LM833 would yield worse performance, while lower source resistance will not improve the best LM833 can give.
Configuring single ended preamp for the least noise is a simple feat if you keep in mind these things. So the best configuration noise-wise is a non-inverting one, because you do not need any resistor in series with the signal input that would increase source resistance, and thus spoil noise performance. That's a clear cut. But simultaneously you need to configure the feedback path around the inverting input, and it must also be noise matched - hence 1kohm (less than that would not yield notable improvement).
To wrap it up, no series resistors in non-inverting path, only a parallel resistance if needed (to set bias, match offset and limit input impedance), while in inverting path you pick a resistor at about equivalent op amp input noise (say 1k for LM833) and a feedback resistor is set for a required gain (say 47k for gain of 47+1)
Original resistors were set with differential mode on designer's mind. With the original values you obtain maximum cancellation of common mode signal (wet grass), but at cost of two not-so-good consequences - noise, and unequal coil loading. For a differential mode signal at input, the inverting branch has ~1/2 impedance of the series resistance in inverting branch (~2k35), thus high values of resistors to minimise unequal coil loading. There is a way of obtaining equal impedance for both differential and common mode signals in a differential mode front end - an instrumentation amplifier. The vast majority of nowadays fine professional mic preamps are designed as current feedback instrumentation amplifiers.
A digression - if you use a LT1007 in a place of, say NE5534, but you do not fix the resistors values for 1nV/sqrt(Hz) (about 60ohm) you'll be quite disappointed with it's performance. It's noise would not go below the noise set by the resistors around it.
Comment

Comment