I bought the IGSL - TGSL pcb kit from silverdog's site and i must say it's beautiful! i see the pics are already up from another person a few pages back.
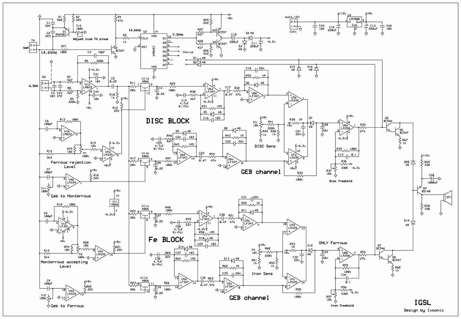
my concern is part reference #s. what the heck is U11? what does U11 correlate with? is it the LM339N IC? I'm confused. the parts reference I do have is for the IGSL EDU and is completely bogus in my case.
I would really like to get started
Any help, links, pics, etc would be most appreciated!
Thanks in advance you all.
my concern is part reference #s. what the heck is U11? what does U11 correlate with? is it the LM339N IC? I'm confused. the parts reference I do have is for the IGSL EDU and is completely bogus in my case.
I would really like to get started
Any help, links, pics, etc would be most appreciated!Thanks in advance you all.


Comment