IGSL Problems
I will check again tomorrow and post back to you. Its already 10:45 in the evening here.....
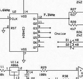
What do you mean by "routing error"? I am using the SilverDog PCB which several others are using with no problems at all. I do have the wrong filter caps, but according to Ivconic that will not prevent it working and the problems I have are in an area "before" those filter caps.....
Many thanks for your reply, see you tomorrow.
Regards
Andy
Originally posted by porkluvr
View Post
Originally posted by porkluvr
View Post
Many thanks for your reply, see you tomorrow.
Regards
Andy





Comment