Same problem for me
Announcement
Collapse
No announcement yet.
Announcement
Collapse
No announcement yet.
Arduino based VDI!
Collapse
X
-
There is no another reason. Usualy, we need 2 ground wires, first one going to baterry minus pole, second one going to outer trace line around pcb, which is shield point.
Do not use gnd from voltage regulator. Repeat again, use separate batteries for Arduino and Idx.
Comment
-
Thanks for you response, I expressed wrong, I understand ,and saw all code. and was amazing,I used this code for improve with other hardware in protorboard... is very full, but I wasnt undersntand that the proyect is about modify the silverdog, and I asked for the schematic (pcb)for hardware I mean I looking build the pcb for silverdog and I asked about this schematic or similary. Thanks hyena...
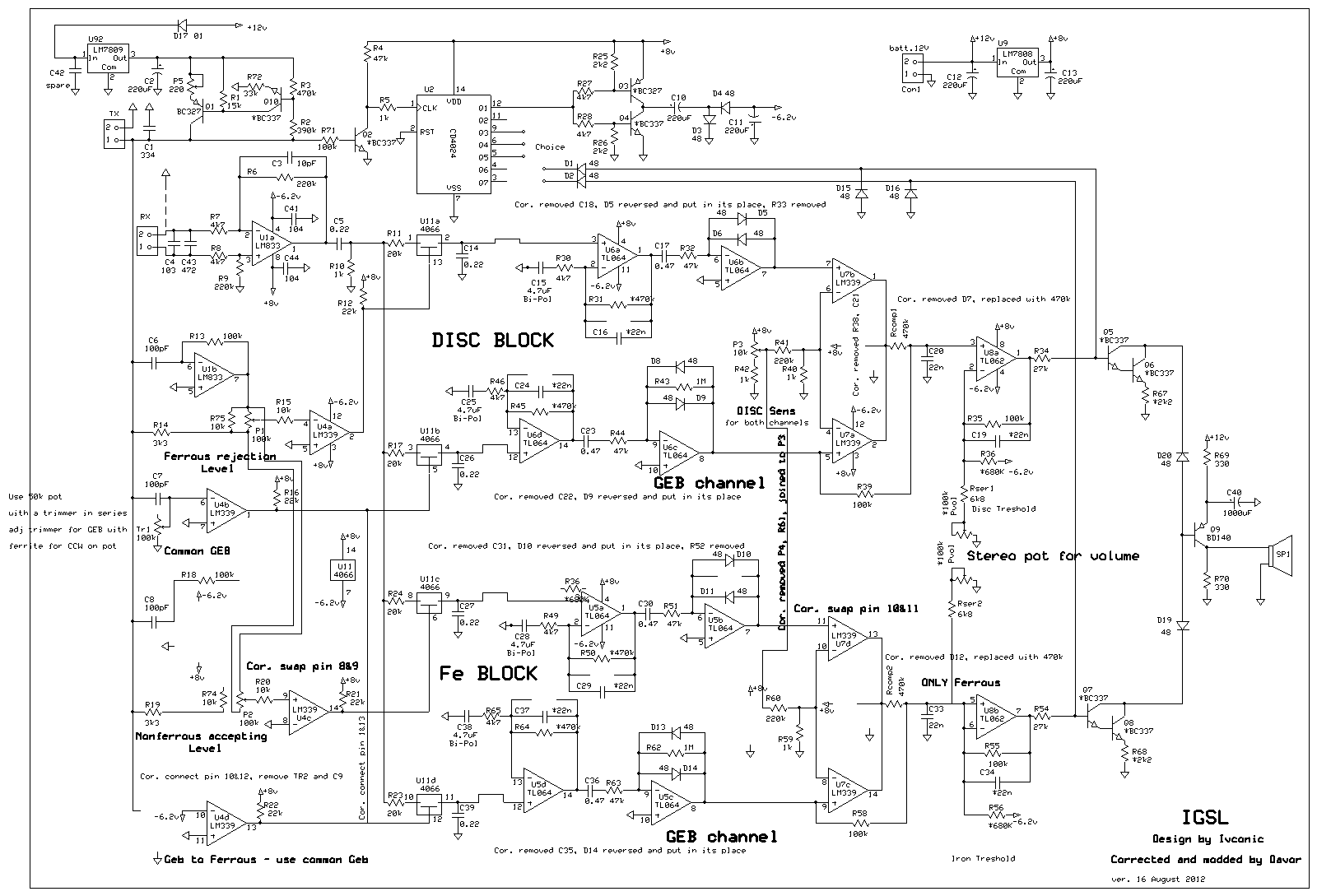
Maybe is the picture that upload hear that Im looking for buid, but I like that somebody confirm is such as silverdog
Comment
-
I can not understand what you exactly mean. I think you have IGSL and want to wire VDI? If so, this is what you are looking for:
http://www.geotech1.com/forums/showthread.php?17861-IGSL&p=162010#post162010
Or? It looks like you are using translator...
Comment
-
Here is one example how to use vdi with led diode's, for example:
If vdi show number 85 or more, turn on red led diode.
If vdi goes in range about 70 number, turn on green led,
or if vdi show 0, turn on yellow diode.
Can be easy added more led's for another number's, just folow sketch.
Also, this can be used without display, just connect diodes by this way, and dont forget to put 150 - 220R resistor beetwen anode and led's.
Note: This is tested only on IDX machine, i don't know if work's on other detector's.
Attached Files
Comment
-
You all should just order some of these. They can do everything a Uno can do and are 1/4 the size. Ordered three and the came from China in about 7 days.
There small enough you could fit them in the case of some detectors.
Use a LM78L05 regulator. Coming from a battery you don't even need any other components just the regulator. TO-92 ...
http://www.taydaelectronics.com/nano...sb-driver.html
All drivers available. See Description on link above for USB driver. Had mine up and running programs in about 10 minutes tops. Arduino site has your program / compiler ready for you ..
https://www.arduino.cc/en/Main/SoftwareAttached Files
Comment
-
Finally it works. This is my IDX PRO VDI project still in progress.
https://youtu.be/M2-g8yvOp70
Comment

Comment