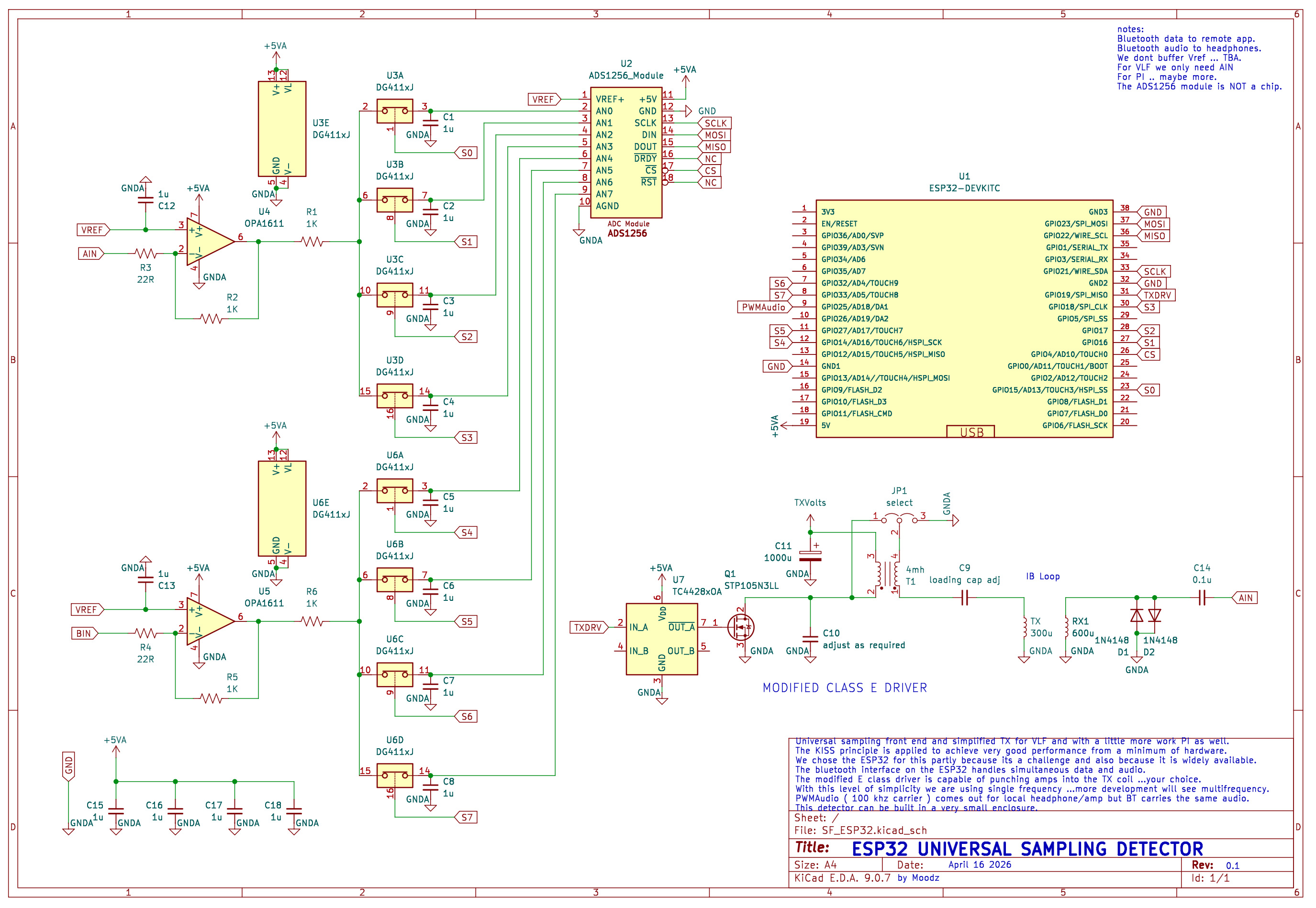
Here is my suggestion ... I have breadboarded this schema and it works as well as any.
The real win is to only use the simplest / minimal but best hardware that can be easily obtained and then do everything in software.
Another thing about software is that it occupies no space and does not weigh anything.
This is version 0.1 ... I would not build off it but should give you an idea what is possible.
Anyway here it is ...
The real win is to only use the simplest / minimal but best hardware that can be easily obtained and then do everything in software.
Another thing about software is that it occupies no space and does not weigh anything.
This is version 0.1 ... I would not build off it but should give you an idea what is possible.
Anyway here it is ...


Comment