Originally posted by nakky
View Post
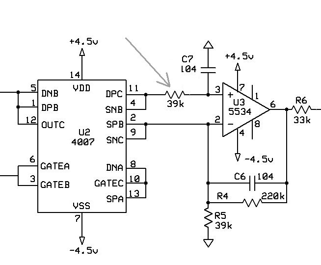
So far nothing changed from schematic i posted earlier.
I had doubts about pullups at audio buffer, but later turned as it is alright.
I had no intentions to share my pcb here... because of many reasons...
But now you reminded me, my friend Nakky, that there are (thanks to God) also many nice people here!
And because of You and your kind i will always share my work here.
Here it is and you can see dimensions:
(Very Best Regards to You and ApBerg, my dear friends!)



Comment