Originally posted by pito
View Post
Announcement
Collapse
No announcement yet.
Announcement
Collapse
No announcement yet.
ARMD (ARMRADIO based Metal Detector) VLF IB PROJECT
Collapse
X
-
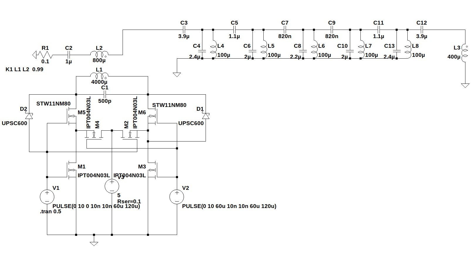
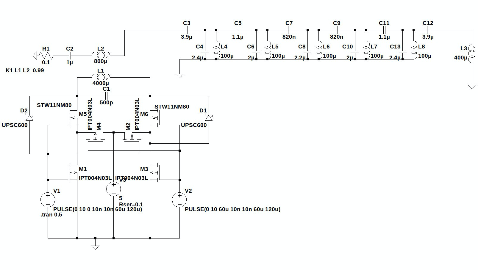
Carl is right it is a series resonant CCPI bridge.
L1 and L2 form a pulse transformer.
However it is important to note the pulse width is set by the TX drive frequency ... NOT the LC combination the harmonic distortion is the main effect.
anyway you will see if you model it.
To get PI mode you close the switch across C2. Very simple.
Pito the glitches are far away in the spectrum from the principle sine wave. In the VLF mode we are using Frequency domain DSP and the glitches just dont have any affect ( gotta love the brick wall filter ).
You can see from the attached spectrum that the glitch energy is above 1 Mhz approx. The harmonics are sine distortions ( not due to glitches ) ... but we have DSP and those harmonics are not a bad thing. ( esp because we can adjust to have a multi frequency spectrum ).
As regards the voltage spikes on the TX waveform .. this is OK ... there are no current spikes and its all contained within the sheilding ... and they actually are necessary to get the efficiency.
Note the addition of the schottky diodes ... this works in real life ( body diodes of most mosfets are not schottky ) ... but ltspice does not model the body diode properly.
Comment
-
You will have to decrypt this for us ?Originally posted by pito View PostThis is what happened to my H-bridge.
1/2H, 12V/100ma, U@50cm = 0.5V
H, 12V/550mA, U@50cm = 1V
5 times more current 2 time more voltage.
I thought maybe my H-bridge wasn't good. I checked with the BTL amplifier = same story.
Comment
-
For an exercise ... added a 7 - 10 Khz 5 stage cheby filter to the TX output coil L3.
Bandpass so we can still adjust the frequency.
This just demonstrates that it is compartively simple to clean the TX spectrum.
The filter would have to be bypassed also for PI mode.
Comment
-
I think we are on different pages Pito ... the circuit I proposed is not a mosfet driver .... all the circuit elements ( ie mosfets ) are power switches - not drivers.
This implementation is an improvement on this patent https://patents.google.com/patent/US20230375738A1/en
I have added an output pulse transformer.
Additionaly I dont use a damping resistor and the body diodes (+ additional shottky diodes ) of the mosfets are utilised ( missing from the patent ).
The flyback is recycled to the next pulse .. via the C not the L. The L generates the flyback and the C conducts it.
Also the detail of the mosfet drivers is not shown ( pulse generators ) .. its a model from LTSPICE.
moodz
Comment
-

Comment