Announcement

Collapse
No announcement yet.

Announcement

Collapse
No announcement yet.

King Cobra PCB

Collapse
X
 
  • Filter
  • Time
  • Show
Clear All
new posts

  • #31
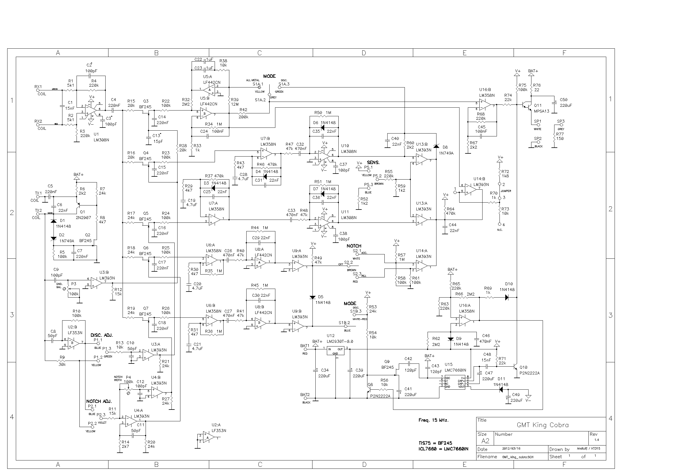
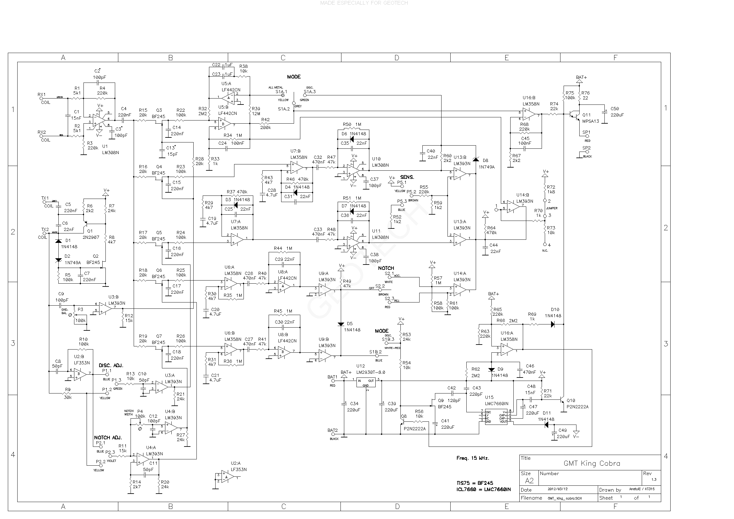
    For KT315
    U1 pin 8 : add 100P on Ground.
    U12 pin 1 : add 470k to +V
    R75 : to -V
    R27 : 10k or 1k ?
    PCB rectified (1-2):
    Attached Files

    Comment


    • #32
      Originally posted by Patrick View Post
      For KT315
      U1 pin 8 : add 100P on Ground.
      U12 pin 1 : add 470k to +V
      R75 : to -V
      R27 : 10k or 1k ?
      PCB rectified (1-2):
      - my PCB has not the 100 pF on GND, but a place is there, so I added it.
      - OK.
      - no link to -V. really N.C.
      - R27 is 1k.
      also still change U3.2 pin 6 100pF, U14.2 6-7 pin 220k.

      thanks.

      Comment


      • #33
        renumbered
        Attached Files

        Comment


        • #34
          I cant see the images

          Is it just me I can see the images you listed kT315

          Comment


          • #35
            Originally posted by ivconic View Post
            Agree, most probably is the same coil as for Golden Sabre etc...
            I didn't draw pcb for it yet. Not sure if i will ever. Because; basically it is the very same "platform" as Golden Sabre. Except use of 7660 instead 4024 and those 2 transistors in negative supply. Is it better? Maybe it has better features with 7660? Maybe not. I am not sure.
            And of course; unlike Golden Sabre, Cobra has ppoint mode (static, nonmotion). Nice. If i ever decide to draw pcb for it i would probably exclude Notch part again...
            Taking of pinpoint mode, could this be extracted to work on your TGSL ?

            Regards

            Comment


            • #36
              Adding pot for ground balance

              I'm making a king cobra clone very soon. I'm adding manual ground balance 10and turn like.on the gold mountain GMT 1650.is it possible to amplify faint target signals without blasting good targets? And possibly adding volume control.and could an led read out of ground balance be done such as -and + like +3.5 or -2.8

              Comment


              • #37
                added some capacitors.
                Attached Files

                Comment


                • #38
                  updated.
                  Attached Files

                  Comment


                  • #39
                    Parts source

                    Does anyone have a source for the LM442 and LMC7660 I can't find them

                    Comment


                    • #40
                      Try LF442.

                      Merc

                      Comment


                      • #41
                        And ICL7660.

                        Merc

                        Comment


                        • #42
                          Still no luck all i can find is min.order 250 or more

                          Sorry I've been up for 32the hours.

                          Comment


                          • #43
                            Digikey has ICL7660CPA-ND for 1.61 in quantites of 1. Also LF442CN-ND for $1.37 in quantities of 1.

                            Comment


                            • #44
                              Thanks Merc

                              I was entering the letters and numbers from the chips on my original KC board and wasn't getting anything.I'm still new and learning almost done with my igsl and my tgsl I'm gathering parts for my KC project.got a few of the original KC housings and shafts from Keith Wills.thanks again.
                              Last edited by growdude; 03-16-2012, 02:24 AM. Reason: Misspelled words

                              Comment


                              • #45
                                I have thought about getting those same housings and shafts from Keith. How do they look? Is there a faceplate with the housing? Pre-drilled.

                                Merc

                                Comment

                                Working...
                                X