Nice work. But I have question - Why do you still use jumper wires if pcb already has them as pcb traces on top side? Just fill those holes with solder....
Announcement
Collapse
No announcement yet.
Announcement
Collapse
No announcement yet.
IGSL
Collapse
X
-
thats a thing i make for sureOriginally posted by habitbraker View PostNice work. But I have question - Why do you still use jumper wires if pcb already has them as pcb traces on top side? Just fill those holes with solder....
at surf pi project somebody has said to me that i dont should trust the vias on pcb and that i should fill the holes or better to set a wire so i make it take some minutes more but i can be sure that this cant be an error source
Comment
-
IGSL with Musketeer coilsAttached Files
Comment
-
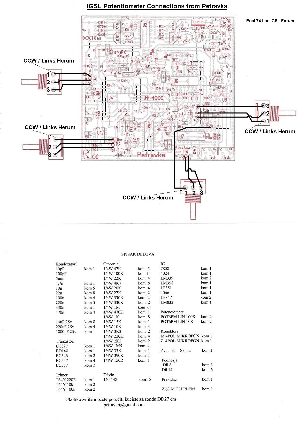
Defining the position of the pins on a potentiometer
Tut mir leid/Sorry, I think I understand your question to me much better now.....the diagram helps a lot to explain your question...Originally posted by bernte_one View Post
Its easy understanding which one is the wiper just by looking at the schematic, on all normal Pots & trimmers anyway that I have seen. The problem is identifying the "end" position as this can give a reversed action when wrong and make it REALLY difficult to understand a setup from someone who did it the other way round.....
Simon Baker tried to make it easier to understand by marking on post 622 I believe, the CCW - Counter Clock Wise (links herum) position. But as that was TGSL, it was not 100% useful for me with IGSL.....
The position marked CCW, is the side where the wiper has the minimum resistance to a pin (one or 3 connecting to 2, which is the wiper). A multimeter should define this easily....
Petravka has posted a good diagram here, the best I have seen, for IGSL. It should be fine for both Musk & DIY Coils. I have added a little info that I believe is correct, perhaps Petravka can make sure for me, that should help you further.
I am sorry that I was unhelpful before.......talk to you again soon Compadre.....
regards
AndyAttached Files
Comment
-
this are the problems i had toOriginally posted by ivconic View PostIt is easy to wire up pots.
I input letter "S" on pcb draw, meaning "(S)rednji" = "middle" or wiper.


I forgot to translate it on English later...
Yes, Petravka's draw is explanatory enough.

this is why i asked but the diagram from petravka makes it sure
thank you very much
Comment
-
my build errors
All, I last night got the IGSL to cough into life.
Coils are as yet unsheilded.
First target detect
UK pound coin at ~ 9"
nail clippers ~ 12"
small gold watch ~ 7"
Aluminium screw lid ~ 14"
Nulled to ~ 0.8v at Rx preamp output - pin 1
Tx coil was 5.99mH on a Hewlett Packard LCR meter!
Frequency is about 1kHz low - removed some turns, did creep up by 0.1kHz per turn - but not enough yet. May need 6 - 12 more removed?
Rx coil has too many turns - being cautious - will reduce later perhaps - dont know how to tweak Rx chain for max smoke??
Errors
I had Pots P1, P2, P3 wired incorrectly (P4 was ok)
Dual target blip - I reversed the Rx winding to solve as per other posts.
controls are a mystery currently - mid point on all giving me something.
Not sure what the next step is!
Steve
Comment
-
Congratulations on getting your project up and running. The numbers you posted do not look bad at all for a first run.
I think the relationship between Tx and Rx frequency is more important than the actual frequency. Look at where Ivconic wound up with the Musketeer coil on the TGSL circuitry.
5.99 mh sounds pretty good for the tx. What was the receive?
What is the actual frequency you are getting?
Also, connect the Rx coil up to the oscillator and measure it's frequency.
It is looking good though.
Jerry
Comment
-
IGSL Potentiometer Connections/Direction
As far as I can tell, this is an accurate representation of either SilverDog IGSL versions, of the Potentiometer connections. The reason is that the SilverDog PCB versions are slightly different to that previously posted by someone else.
CCW = Pot connection at 0 Ohms when fully anticlockwise. Links herum.
CW = Pot connection at 0 Ohms when fully clockwise. Rechts herum.
Wiper = Middle wiper connection.
Regards
AndyAttached Files
Comment
-
ok 22:17 o´clock in germany
have to work tomorrow
last result
resoldered 3 of my pots - first test run - blew one cap 220uf25V wrong poled
checked my coils before testing - oh no after glueing them and tighten/covering with tape they drift from 14,7mH and 0,98mH to 12mH and 0,8mH
next try next weekend good night
thats like this
http://www.omfg.to/watch/1769-mitten-in-die-eier/ sorry
(ps i love pi coils)
Comment
-
Jerry
Hi, Jerry I was a full 1kHz low, I took a good few turns off maybe 6, but it wasnt dropping too quickly.
I thought Id measure the caps on the tank.
I took C1 (220nF) off and it was 230nF - I replaced it with 2x100nF in parallel.
This got me quite close - I then measured C2 and it was big also at 25nF - I put a 100nF in series with my large C2 this gave me 20nF. So instead of 220 and 22 - I have 200 and 20.
Bingo, plus tuning the base bias trimmer I can get 14.6kHz with 17.5v p-p swing on the collector.
Tuning the Tx to what the drawing says has lost me 1/2 of the detect range I originally had.
Id guess its a matter of tweaking the Rx coil - mine had a few extra turns on as a safeguard.
Looks like I will be reducing this and or the caps..
Good clean fun
S
Comment


Comment