i need help
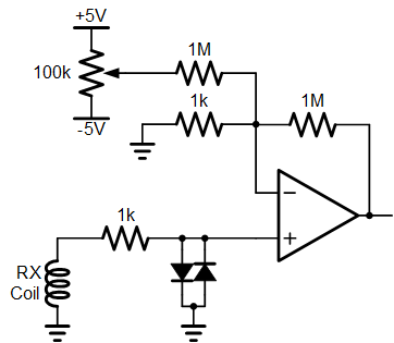
i can't adjust u2 (ne5534) pin 6
here some info
2n2222 base

irf9640 gate

cd40106 pin4

cd40106 pin6 (main simple delay)

cd40106 pin10 (main sample pulse width)

cd40106 pin 8 (Secondary sample delay)

cd40106 pin12 (Secondary sample pulse)

fly back

this video playing in damping resistor
https://www.youtube.com/watch?v=EwLhewp3_fE
THX FOR ANY HELP
i can't adjust u2 (ne5534) pin 6
here some info
2n2222 base
irf9640 gate
cd40106 pin4
cd40106 pin6 (main simple delay)
cd40106 pin10 (main sample pulse width)
cd40106 pin 8 (Secondary sample delay)
cd40106 pin12 (Secondary sample pulse)
fly back
this video playing in damping resistor
https://www.youtube.com/watch?v=EwLhewp3_fE
THX FOR ANY HELP

Comment